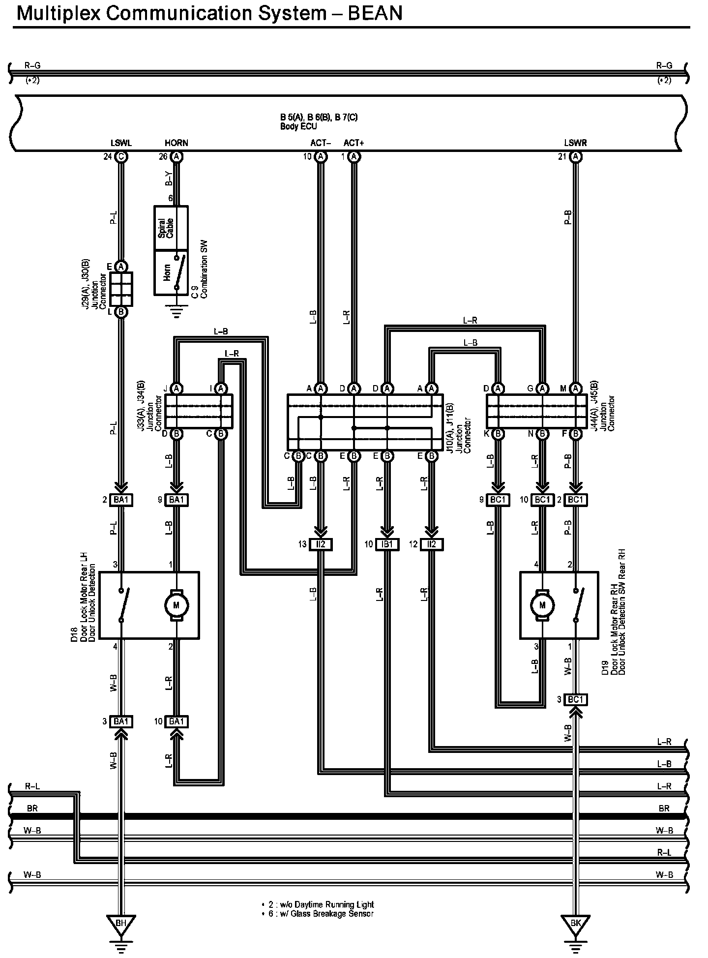
Multiplex Communication System - Bean Part 7
Multiplex Communication System - BEAN Part 7:
Diagram Legend:
Next Diagram Multiplex Communication System - Bean Part 8
Previous Diagram Multiplex Communication System - Bean Part 6
Locations: The locations of components, connectors, ground points, and splices referred to within these diagrams can be found at Vehicle Locations. Locations
Connector Views: The connector views for connectors referred to within these diagrams can be found at the Vehicle level Connector Views. Connector Views