ECU Power Source Circuit
ECU Power Source CircuitDESCRIPTION
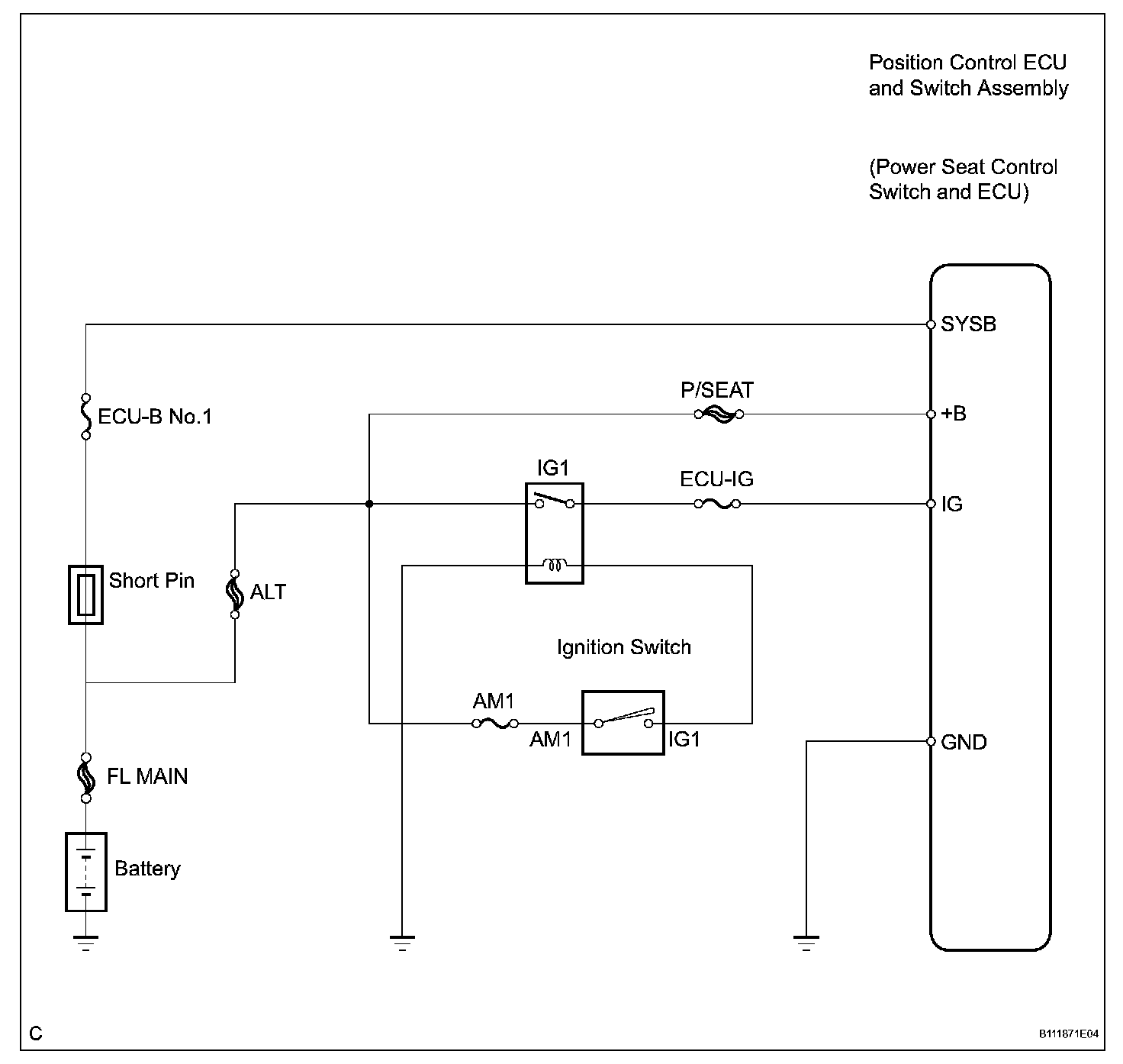
The position control ECU and switch assembly (power seat control switch and ECU) is contained in the switch assembly.
During manual operation, only one switch signal is accepted. If signals are input from 2 or more switches simultaneously, all of them are ignored, except when signals are input from the front vertical switch and lifter switch simultaneously. In this case, the signal from the lifter will operate.
During automatic operation, a manual switch input will override any other operations, i.e. automatic operations will stop and the manual input operation only will be accepted. For example, if a manual switch input is activated during a seat store/restore operation, the previous operation will cease and manual operation will be performed. After the manual operation is performed, the previous automatic operation will not resume.
The power mirror store/restore operation is unaffected by manual switch inputs.
The front power seat switch does not allow the restore operation of the power seat when the system detects that the voltage of terminal SYSB is less than 8.0 ± 0.5 V for 30 msec. or is more than 10 ± 0.5 V for 30 msec.
This circuit is the power source circuit for the position control ECU and switch assembly (power seat control switch and ECU).
HINT:
- Manual adjustment of the slide and reclining can be performed even when the front power seat switch is not functional if current is allowed to flow into terminals +B and SYSB.
- The lumbar support function can always be used because its circuit does not include the ECU and differs from other functions (reclining, slide, lifter, and front vertical functions.)
Wiring Diagram:
Step 1-2:
INSPECTION PROCEDURE