Operation CHARM: Car repair manuals for everyone.
Manuals through 2025 now available!

Our trusted friends have launched a new website named LEMON, which has newer manuals. It also contains all the CHARM manuals.

LEMON is the spiritual successor to CHARM, I recommend you try it!

Link: lemon-manuals.la or lemon-manuals.org.ua

(Some people have issue connecting. LEMON is investigating. For now, use Firefox or change your DNS server)

Or, hide this message: temporarily or permanently

Skid Control ECU Communication Stop Mode

Skid Control ECU Communication Stop Mode

DTC Detecting Condition:




DESCRIPTION

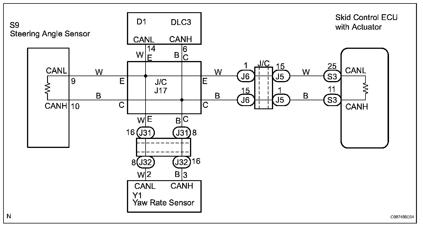
Wiring Diagram:






Step 1-3:




Step 3(continued)-5:




Step 6-7:




Step 8-10:




Step 11-13:




Step 14-16:




Step 16(continued)-18:




Step 19-20:




Step 20(continued)-21:




Step 22-23:




Step 24-26:




Step 26(continued)-28:




Step 28(continued)-29:




Step 30:




INSPECTION PROCEDURE