Operation CHARM: Car repair manuals for everyone.
Manuals through 2025 now available!

Our trusted friends have launched a new website named LEMON, which has newer manuals. It also contains all the CHARM manuals.

LEMON is the spiritual successor to CHARM, I recommend you try it!

Link: lemon-manuals.la or lemon-manuals.org.ua

(Some people have issue connecting. LEMON is investigating. For now, use Firefox or change your DNS server)

Or, hide this message: temporarily or permanently

Starting System: Testing and Inspection

INSPECTION

1. INSPECT STARTER ASSEMBLY

NOTE: These tests must be performed within 3 to 5 seconds to avoid burning out the coil.




a. Do pull-in test
1. Disconnect the field coil lead from terminal C.
2. Connect the battery to the magnetic switch as shown in the illustration. Check that the clutch pinion gear is extended.
If the clutch pinion gear does not move, replace the magnetic switch.




b. Do hold-in test
1. Disconnect the negative (-) lead from the terminal C with the above condition (a) is being maintained. Check that the pinion gear remains extended.
If the clutch pinion gear returns inward, replace the magnetic switch.




c. Inspect clutch pinion gear return
1. Disconnect the negative (-) lead from the switch body. Check that the clutch pinion gear returns.
If the clutch pinion gear does not return, replace the magnetic switch.




d. Do no-load performance test
1. Connect the field coil lead wire to terminal C. Make sure that the lead is not grounded.
2. Clamp the starter in a vise.
3. Connect the battery and an ammeter to the starter as shown in the illustration.
4. Check that the starter rotates smoothly and steadily with the clutch pinion gear extended. Check that the ammeter reads the specified current.

Specified current: 90 A or less at 11.5 V







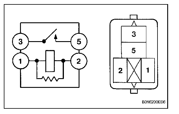
2. INSPECT STARTER RELAY ASSEMBLY
a. Continuity inspection.
1. Using an ohmmeter, check for continuity between each terminal.