Operation CHARM: Car repair manuals for everyone.
Manuals through 2025 now available!

Our trusted friends have launched a new website named LEMON, which has newer manuals. It also contains all the CHARM manuals.

LEMON is the spiritual successor to CHARM, I recommend you try it!

Link: lemon-manuals.la or lemon-manuals.org.ua

(Some people have issue connecting. LEMON is investigating. For now, use Firefox or change your DNS server)

Or, hide this message: temporarily or permanently

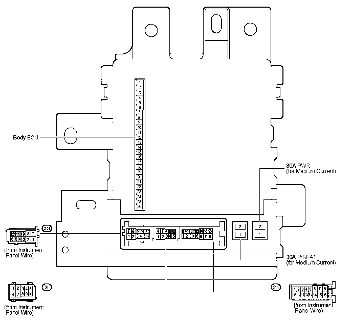
Fuse Block

Engine Room J/B - Engine Compartment Left:



Driver Side J/B - Lower Finish Panel:



Driver Side J/B - Lower Finish Panel:



Passenger Side J/B - Instrument Panel Brace RH (C/P, Convertible w/ VSC):



Junction Connector - Instrument Panel Brace LH (CAN):