Operation CHARM: Car repair manuals for everyone.
Manuals through 2025 now available!

Our trusted friends have launched a new website named LEMON, which has newer manuals. It also contains all the CHARM manuals.

LEMON is the spiritual successor to CHARM, I recommend you try it!

Link: lemon-manuals.la or lemon-manuals.org.ua

(Some people have issue connecting. LEMON is investigating. For now, use Firefox or change your DNS server)

Or, hide this message: temporarily or permanently

Air Conditioning Control Assembly

Air Conditioning Control Assembly:






DISASSEMBLY

HINT: Installation is in the reverse order of removal.

1. REMOVE INSTRUMENT CLUSTER FINISH PANEL LOWER
2. REMOVE INSTRUMENT PANEL FINISH PLATE
3. REMOVE INSTRUMENT PANEL FINISH PANEL LOWER
4. REMOVE INSTRUMENT PANEL REGISTER ASSEMBLY NO.1
5. REMOVE INSTRUMENT PANEL CLUSTER FINISH PANEL SUB-ASSEMBLY
6. REMOVE COMBINATION METER ASSEMBLY
7. REMOVE CONSOLE UPPER REAR PANEL SUB-ASSEMBLY
8. REMOVE CONSOLE PANEL SUB-ASSEMBLY UPPER
9. REMOVE INSTRUMENT CLUSTER FINISH PANEL SUB-ASSEMBLY CENTER
10. REMOVE CENTER CLUSTER INTEGRATION PANEL ASSEMBLY




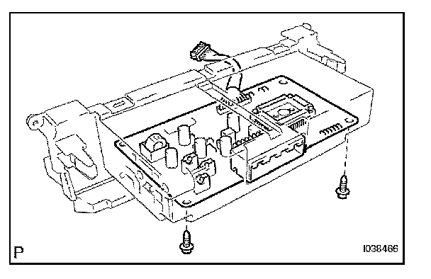
11. REMOVE AIR CONDITIONING CONTROL ASSEMBLY
a. Remove the 4 bolts, 3 screws and air conditioning control assembly.

12. REMOVE AIR CONDITIONING AMPLIFIER ASSEMBLY




a. Remove the 5 screws.




b. Release the 6 fitting claws and remove the air conditioner control panel.




c. Release the 4 fitting claws.




d. Disconnect the connector and remove the air conditioner control housing sub-assembly.




e. Release the 2 fitting claws and remove the cover plate.




f. Remove the 2 screws and air conditioner amplifier.

REASSEMBLY

1. INSTALL AIR CONDITIONER AMPLIFIER ASSEMBLY
2. INSTALL AIR CONDITIONING CONTROL ASSEMBLY
3. INSTALL CENTER CLUSTER INTEGRATION PANEL ASSEMBLY (w/o Navigation System)
4. REMOVE CENTER CLUSTER INTEGRATION PANEL ASSEMBLY (w/ Navigation System)
5. INSTALL INSTRUMENT CLUSTER FINISH PANEL SUB-ASSEMBLY CENTER
6. INSTALL CONSOLE PANEL SUB-ASSEMBLY UPPER
7. INSTALL CONSOLE UPPER REAR PANEL SUB-ASSEMBLY
8. INSTALL COMBINATION METER ASSEMBLY
9. INSTALL INSTRUMENT CLUSTER FINISH PANEL SUB-ASSEMBLY
10. INSTALL INSTRUMENT PANEL REGISTER ASSEMBLY NO.1
11. INSTALL INSTRUMENT PANEL FINISH PANEL LOWER
12. INSTALL INSTRUMENT PANEL FINISH PLATE
13. INSTALL INSTRUMENT CLUSTER FINISH PANEL LOWER