Operation CHARM: Car repair manuals for everyone.
Manuals through 2025 now available!

Our trusted friends have launched a new website named LEMON, which has newer manuals. It also contains all the CHARM manuals.

LEMON is the spiritual successor to CHARM, I recommend you try it!

Link: lemon-manuals.la or lemon-manuals.org.ua

(Some people have issue connecting. LEMON is investigating. For now, use Firefox or change your DNS server)

Or, hide this message: temporarily or permanently

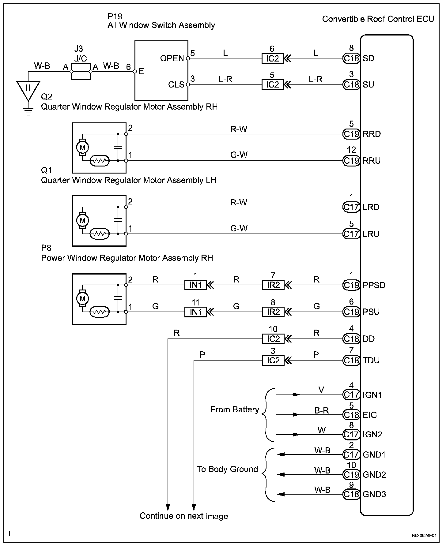
Power Windows Do Not Operate Using All Window Switch

Power Windows do not Operate Using All Window Switch

DESCRIPTION
The all window switch can operate all the power windows. The all window switch outputs signals to the convertible roof control ECU which activates the passenger, quarter LH/RH window regulator motors directly. For the driver window regulator motor, the convertible control ECU outputs signals to the master switch, and the master switch activates the driver window regulator motor.

Wiring Diagram (Part 1):




Wiring Diagram (Part 2):






Step 1-2:




Step 2(continued)-5:




Step 6-7:




Step 7(continued)-8:




Step 9:




INSPECTION PROCEDURE