Operation CHARM: Car repair manuals for everyone.
Manuals through 2025 now available!

Our trusted friends have launched a new website named LEMON, which has newer manuals. It also contains all the CHARM manuals.

LEMON is the spiritual successor to CHARM, I recommend you try it!

Link: lemon-manuals.la or lemon-manuals.org.ua

(Some people have issue connecting. LEMON is investigating. For now, use Firefox or change your DNS server)

Or, hide this message: temporarily or permanently

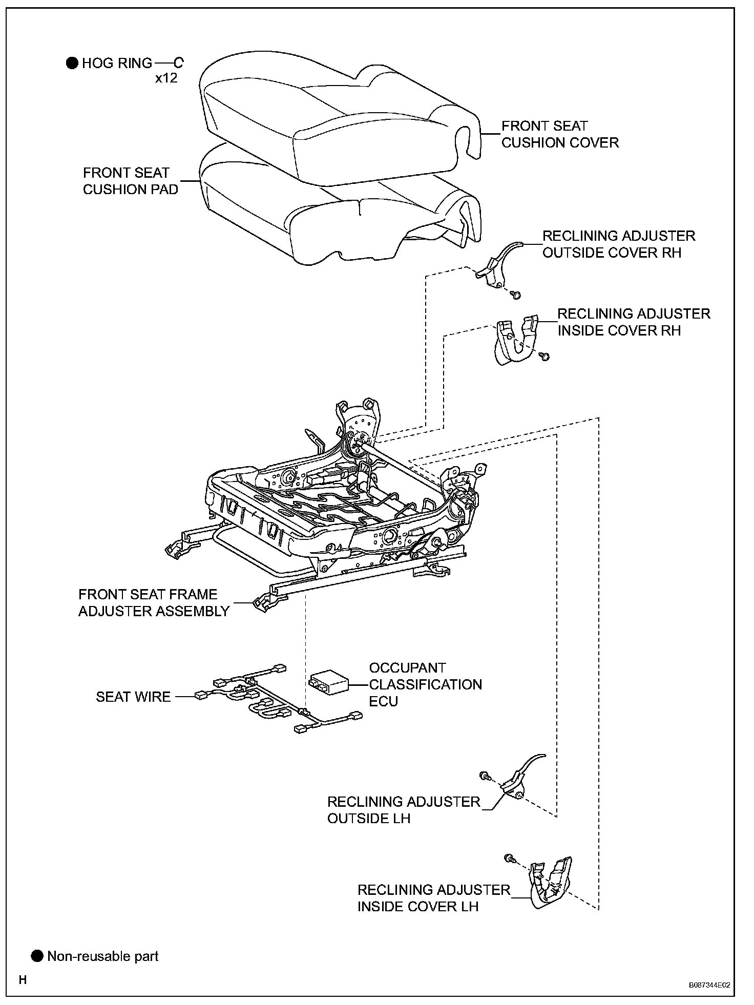
Seats

Front Seat Assembly (For Separate Folding Seat Type):



Front Seat Assembly (for Separate Folding Seat Type):



Front Seat Assembly (for Separate Folding Seat Type):



Front Seat Assembly (for Separate Folding Seat Type):



Front Seat Assembly (for Separate Seat Type Driver Side):



Front Seat Assembly (for Separate Seat Type Driver Side):



Front Seat Assembly (for Separate Seat Type Driver Side):



Front Seat Assembly (for Separate Seat Type Front Passenger Side):



Front Seat Assembly (for Separate Seat Type Front Passenger Side):



Front Seat Assembly (for Separate Seat Type Front Passenger Side):



Front Seat Assembly (for Bench Seat Type):



Front Seat Assembly (for Bench Seat Type):



Front Seat Assembly (for Bench Seat Type):



Front Seat Assembly (for Bench Seat Type):



Rear Seat Assembly (for LH Side):



Rear Seat Assembly (for LH Side):



Rear Seat Assembly (for RH Side):



Rear Seat Assembly (for RH Side):



Rear Seat Assembly (for RH Side):



Rear Seat Assembly (for Access Cab):



Rear Seat Assembly (for Access Cab):