System Specifications
Cylinder Head Bolt Inspection
Standard O.D. 10.76 to 10.97 mm (0.4236 to 0.4319 inch)
Minimum O.D. 10.40 mm (0.4094 inch)
Cylinder Head Bolts
First Pass 39 Nm (398 kgf-cm, 29 ft. lbs.)
Second Pass 90°
Final Pass 90°
Cylinder Head Surface Variation
Maximum Warpage
Cylinder Block Surface 0.05 mm (0.0020 inch)
Intake Manifold Surface 0.05 mm (0.0020 inch)
Exhaust Manifold Surface 0.05 mm (0.0020 inch)
Intake Manifold Bolts & Nuts 25 Nm (255 kgf-cm, 18 ft. lbs.)
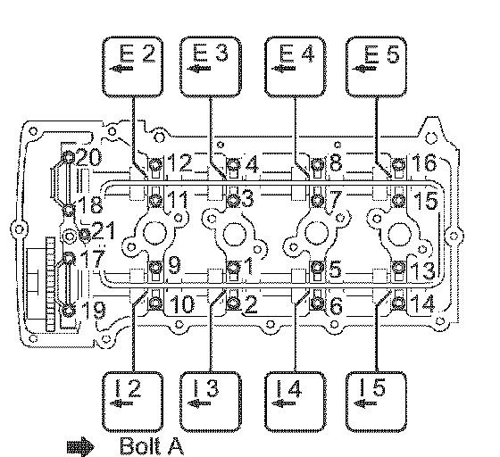
Camshaft Bearing Cap Bolts
Bolt A 12 Nm (122 kgf-cm, 9 ft. lbs.)
Except Bolt A 16 Nm (158 kgf-cm, 11 ft. lbs.)
Camshaft Gear Bolts 78 Nm (795 kgf-cm, 58 ft. lbs.)
New Exhaust Manifold Nuts 36 Nm (367 kgf-cm, 27 ft. lbs.)