Operation CHARM: Car repair manuals for everyone.
Manuals through 2025 now available!

Our trusted friends have launched a new website named LEMON, which has newer manuals. It also contains all the CHARM manuals.

LEMON is the spiritual successor to CHARM, I recommend you try it!

Link: lemon-manuals.la or lemon-manuals.org.ua

(Some people have issue connecting. LEMON is investigating. For now, use Firefox or change your DNS server)

Or, hide this message: temporarily or permanently

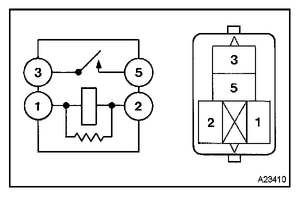
Oxygen Sensor Relay: Testing and Inspection

INSPECTION

1. REMOVE A/F SENSOR HEATER RELAY




2. INSPECT A/F SENSOR HEATER RELAY







a. Using an ohmmeter, check for continuity between each terminal
b. Using an ohmmeter, check for continuity between terminals 3 and 5 when the battery voltage is applied across terminals 1 and 2.

Specified condition: Continuity

3. INSTALL A/F SENSOR HEATER RELAY