Operation CHARM: Car repair manuals for everyone.
Manuals through 2025 now available!

Our trusted friends have launched a new website named LEMON, which has newer manuals. It also contains all the CHARM manuals.

LEMON is the spiritual successor to CHARM, I recommend you try it!

Link: lemon-manuals.la or lemon-manuals.org.ua

(Some people have issue connecting. LEMON is investigating. For now, use Firefox or change your DNS server)

Or, hide this message: temporarily or permanently

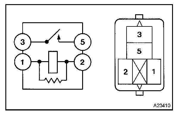
Main Relay (Computer/Fuel System): Testing and Inspection

INSPECTION




1. REMOVE EFI MAIN RELAY

2. INSPECT EFI MAIN RELAY




a. Using an ohmmeter, check for continuity between each terminal.




b. Using an ohmmeter, check for continuity between terminals 3 and 5 when the battery voltage is applied across terminals 1 and 2.

Specified condition: Continuity

3. INSTALL EFI MAIN RELAY