Operation CHARM: Car repair manuals for everyone.
Manuals through 2025 now available!

Our trusted friends have launched a new website named LEMON, which has newer manuals. It also contains all the CHARM manuals.

LEMON is the spiritual successor to CHARM, I recommend you try it!

Link: lemon-manuals.la or lemon-manuals.org.ua

(Some people have issue connecting. LEMON is investigating. For now, use Firefox or change your DNS server)

Or, hide this message: temporarily or permanently

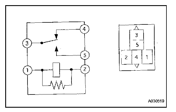
Power Distribution Relay: Testing and Inspection

ACC CUT RELAY

INSPECTION




1. INSPECT ACC CUT RELAY
a. Continuity inspection.




1. Using an ohmmeter, check for continuity between each terminal.
2. Using an ohmmeter, check for continuity between terminals 3 and 5 when voltage is applied across terminals 1 and 2.

Specified condition: Continuity