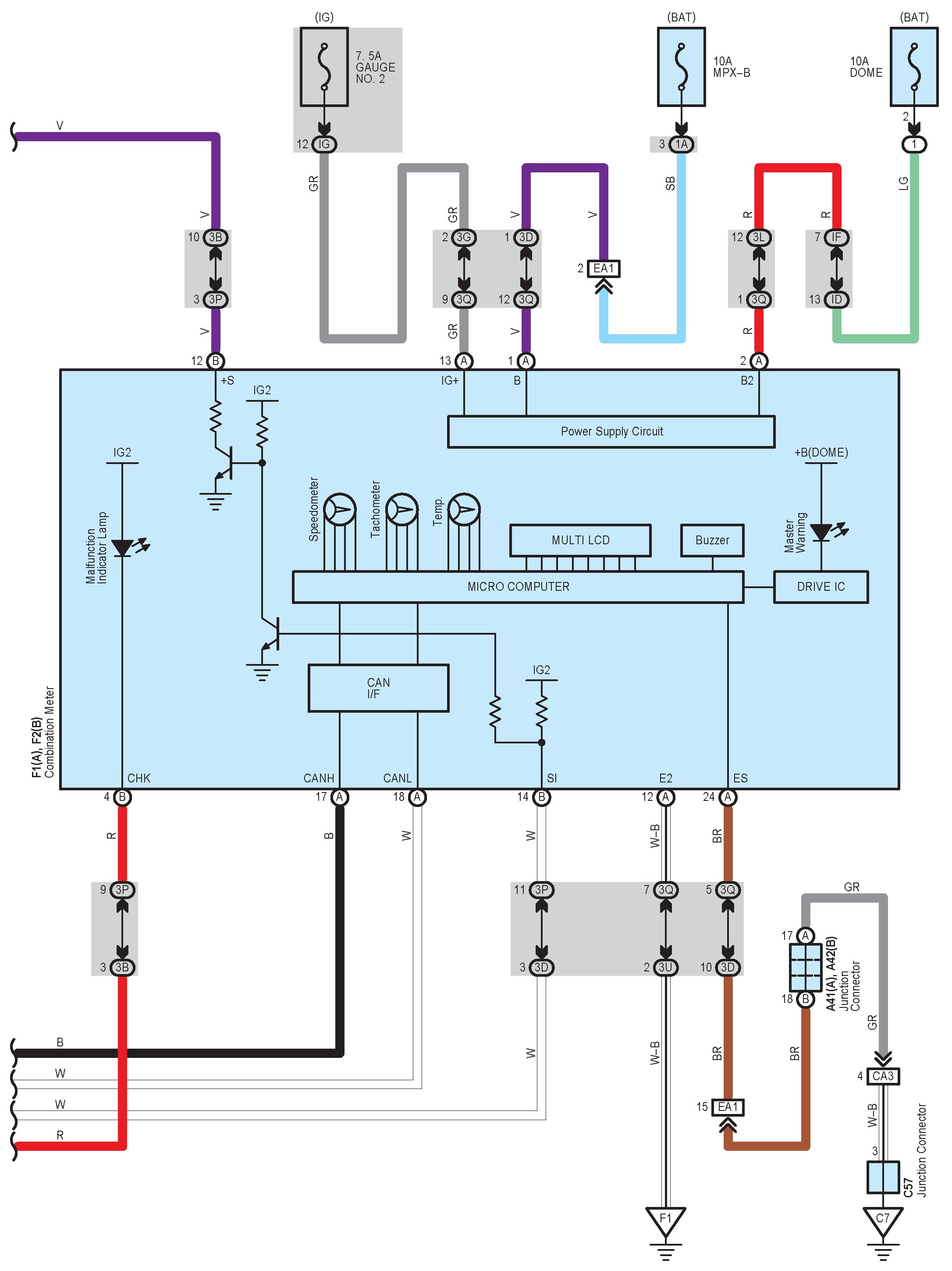
Engine Control Part 12
Engine Control Part 12:
Diagram Legend Part 1:
Diagram Legend Part 2:
Previous Diagram Engine Control Part 11
Locations: The locations of components, connectors, ground points, and splices referred to within these diagrams can be found at Vehicle Locations. Locations
Connector Views: The connector views for connectors referred to within these diagrams can be found at Vehicle level Connector Views. Connector Views