Operation CHARM: Car repair manuals for everyone.
Manuals through 2025 now available!

Our trusted friends have launched a new website named LEMON, which has newer manuals. It also contains all the CHARM manuals.

LEMON is the spiritual successor to CHARM, I recommend you try it!

Link: lemon-manuals.la or lemon-manuals.org.ua

(Some people have issue connecting. LEMON is investigating. For now, use Firefox or change your DNS server)

Or, hide this message: temporarily or permanently

Key Lock-In Prevention Function Does Not Work Properly

Key Lock-in Prevention Function does not Work Properly

DESCRIPTION
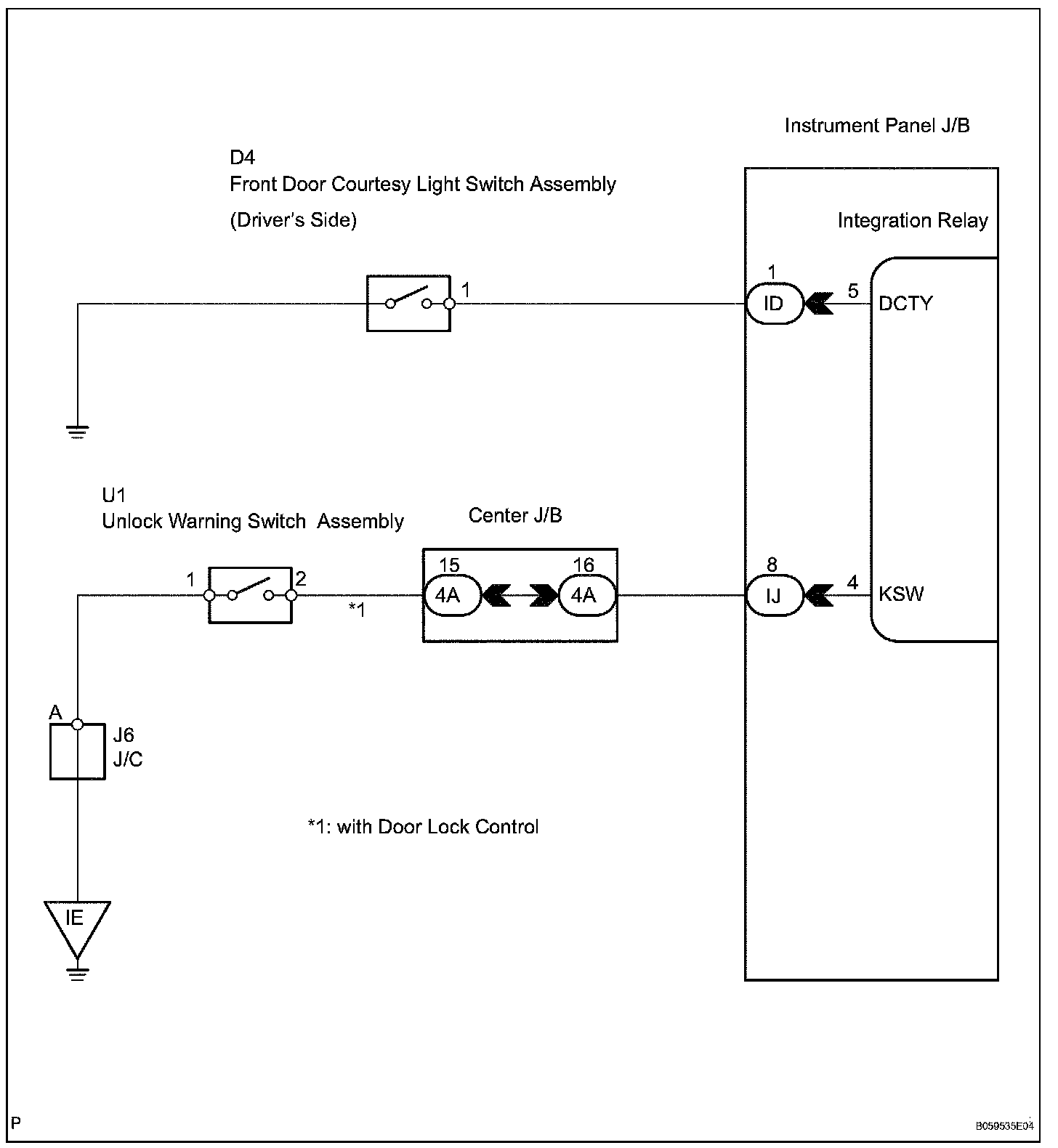
The unlock warning switch turns on when the key is inserted into the ignition key cylinder and the door courtesy switch turns on when the driver side door is opened. The integration relay monitors the condition of both switches. If the integration relay detects that both the unlock warning switch and door courtesy switch are on, the integration relay prevents door lock operations so that the key cannot be locked in the vehicle.

Wiring Diagram:





INSPECTION PROCEDURE

Step 1-2:




Step 3-4: