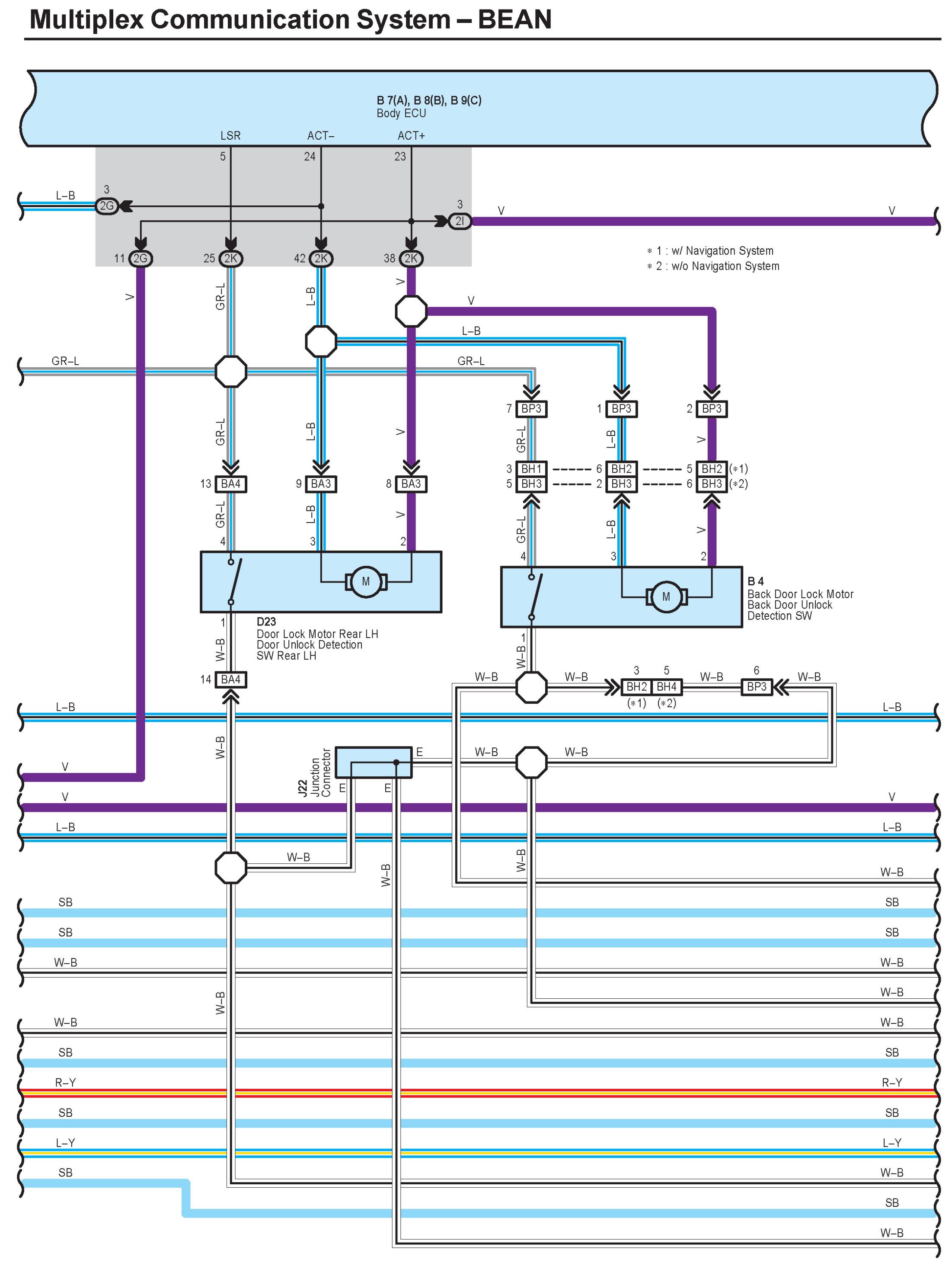
Multiplex Communication System - BEAN Part 13
Multiplex Communication System - BEAN Part 13:
Diagram Legend Part 1:
Diagram Legend Part 2:
Next Diagram Multiplex Communication System - BEAN Part 14
Previous Diagram Multiplex Communication System - BEAN Part 12
Locations: The locations of components, connectors, ground points, and splices referred to within these diagrams can be found at Vehicle Locations. Locations
Connector Views: The connector views for connectors referred to within these diagrams can be found at the Vehicle level Connector Views. Connector Views