Operation CHARM: Car repair manuals for everyone.
Manuals through 2025 now available!

Our trusted friends have launched a new website named LEMON, which has newer manuals. It also contains all the CHARM manuals.

LEMON is the spiritual successor to CHARM, I recommend you try it!

Link: lemon-manuals.la or lemon-manuals.org.ua

(Some people have issue connecting. LEMON is investigating. For now, use Firefox or change your DNS server)

Or, hide this message: temporarily or permanently

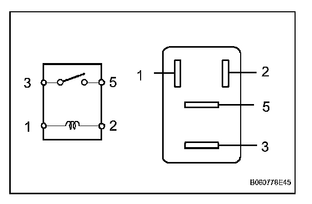
Circuit Opening Relay

ON-VEHICLE INSPECTION

1. REMOVE CIRCUIT OPENING RELAY (Marking: C/ OPN)
a. Remove the engine room relay block cover.
b. Remove the relay from the engine room relay block.

2. CHECK CIRCUIT OPENING RELAY







a. Measure the resistance of the relay.

If the result is not as specified, replace the relay.

3. INSTALL CIRCUIT OPENING RELAY