Operation CHARM: Car repair manuals for everyone.
Manuals through 2025 now available!

Our trusted friends have launched a new website named LEMON, which has newer manuals. It also contains all the CHARM manuals.

LEMON is the spiritual successor to CHARM, I recommend you try it!

Link: lemon-manuals.la or lemon-manuals.org.ua

(Some people have issue connecting. LEMON is investigating. For now, use Firefox or change your DNS server)

Or, hide this message: temporarily or permanently

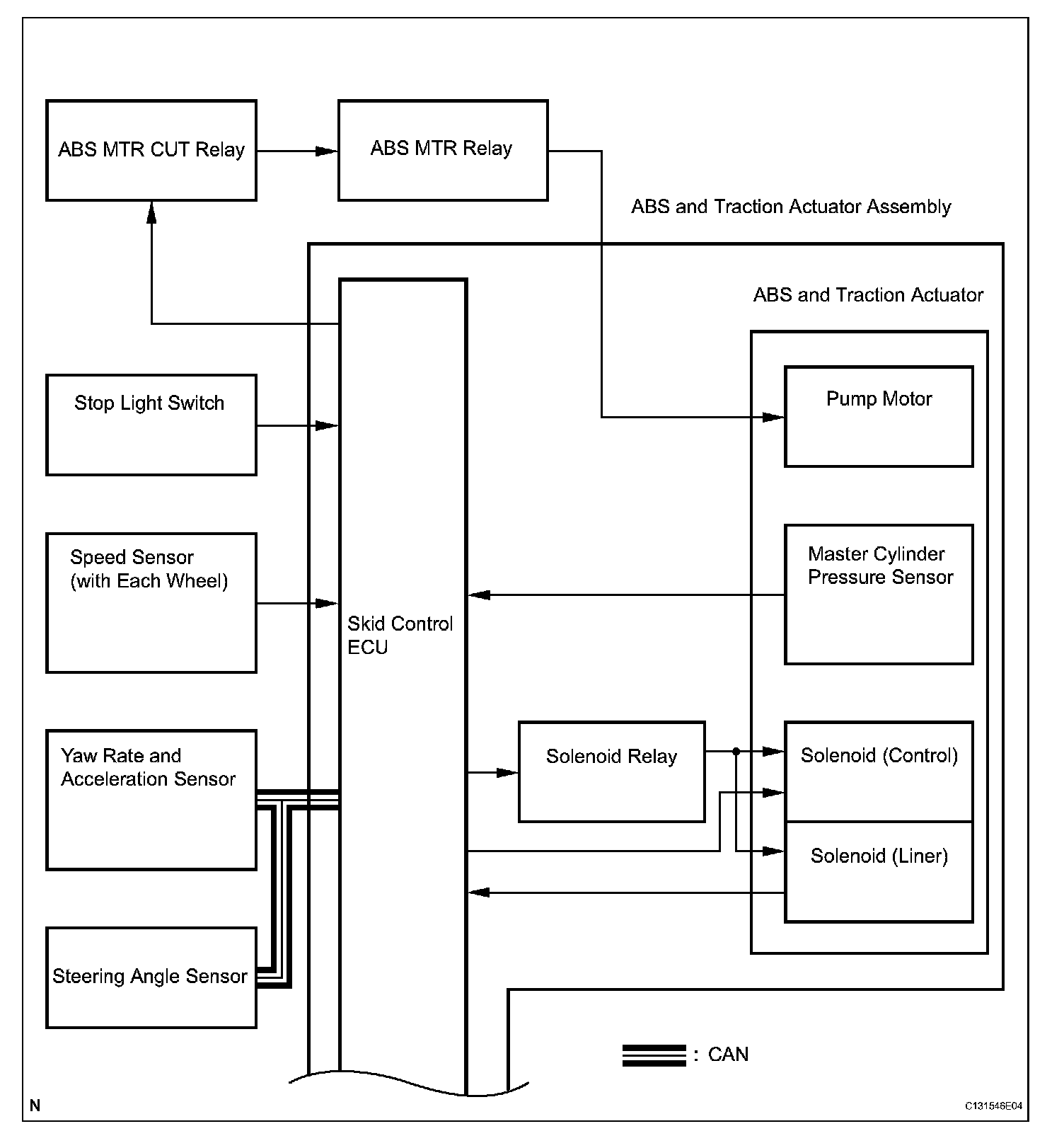
System Description

System Diagram (Part 1):




System Diagram (Part 2):






SYSTEM DESCRIPTION

1. SYSTEM DESCRIPTION

HINT:
- The skid control ECU is a single unit with ABS and TRACTION actuator.
- The skid control ECU also works as a TPMS (Tire Pressure Monitor System) ECU.
- The yaw rate sensor and acceleration sensor are combined and in a single unit. This unit communicates with the skid control ECU through the CAN communication system.

a. ABS
(Anti-lock Brake System)
The ABS helps prevent the wheels from locking when the brakes are applied firmly or when braking on a slippery surface.

b. EBD
(Electronic Brake force Distribution)
The EBD control utilizes ABS, realizing proper brake force distribution between front and rear wheels in accordance with driving conditions.

In addition, during braking while cornering, it also controls the brake forces of the right and left wheels, helping to maintain vehicle behavior.

c. BA
(Brake Assist)
The primary purpose of the brake assist system is to provide an auxiliary brake force to assist the driver who cannot generate a large enough brake force during emergency braking, thus helping to maximize the vehicle's braking performance.

d. TRAC
(Traction Control)
The TRAC system helps prevent the drive wheels from slipping if the driver presses down on the accelerator pedal excessively when starting off or accelerating on a slippery surface.

e. VSC
(Vehicle Stability Control)
The VSC system helps prevent the vehicle from slipping sideways as a result of strong front wheel skid or strong rear wheel skid during cornering.

2. ABS with EBD, BA, TRAC and VSC OPERATION
a. The skid control ECU calculates vehicle stability tendency based on signals from speed sensor, yaw rate and acceleration sensor and steering angle sensor. And it judges whether the control of engine output torque by electronic control throttle and of wheel brake pressure by ABS and TRACTION actuator will start or not by the calculation results.
b. The SLIP indicator blinks and the VSC buzzer sounds to inform the driver that the VSC system is operating. The SLIP indicator also blinks when TRAC is operating, and the operation being performed is displayed.

3. FAIL SAFE FUNCTION
a. When a failure occurs in the ABS, BA, TRAC and VSC systems, the ABS warning light and the VSC warning light turn on and ABS, BA, TRAC and VSC operations are prohibited. In addition to this, when there is a failure that disables the EBD operation, the BRAKE warning light also comes on and the EBD operation is prohibited.
b. If some control is prohibited due to a malfunction during its operation, that control will be cut off gradually not to change the stability of the vehicle suddenly.




4. COMPONENTS AND FUNCTION