Operation CHARM: Car repair manuals for everyone.
Manuals through 2025 now available!

Our trusted friends have launched a new website named LEMON, which has newer manuals. It also contains all the CHARM manuals.

LEMON is the spiritual successor to CHARM, I recommend you try it!

Link: lemon-manuals.la or lemon-manuals.org.ua

(Some people have issue connecting. LEMON is investigating. For now, use Firefox or change your DNS server)

Or, hide this message: temporarily or permanently

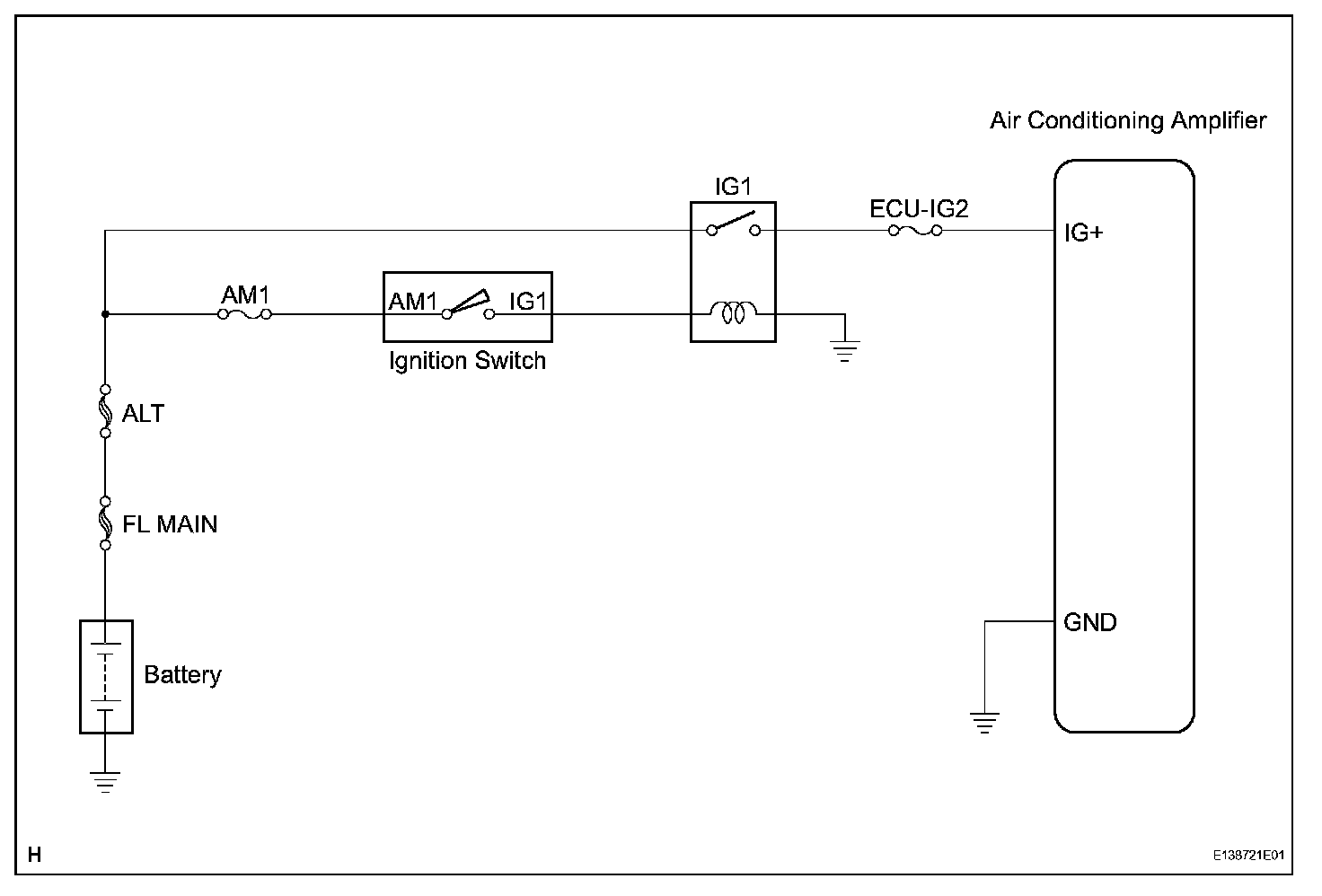
IG Power Source Circuit

IG Power Source Circuit

DESCRIPTION

This is the main power source supplied to the air conditioning amplifier when the ignition switch is ON (IG). This power source is used for operating components, such as the air conditioning amplifier and servo motors.

Wiring Diagram:






Step 1:




Step 2-3:




INSPECTION PROCEDURE