Operation CHARM: Car repair manuals for everyone.
Manuals through 2025 now available!

Our trusted friends have launched a new website named LEMON, which has newer manuals. It also contains all the CHARM manuals.

LEMON is the spiritual successor to CHARM, I recommend you try it!

Link: lemon-manuals.la or lemon-manuals.org.ua

(Some people have issue connecting. LEMON is investigating. For now, use Firefox or change your DNS server)

Or, hide this message: temporarily or permanently

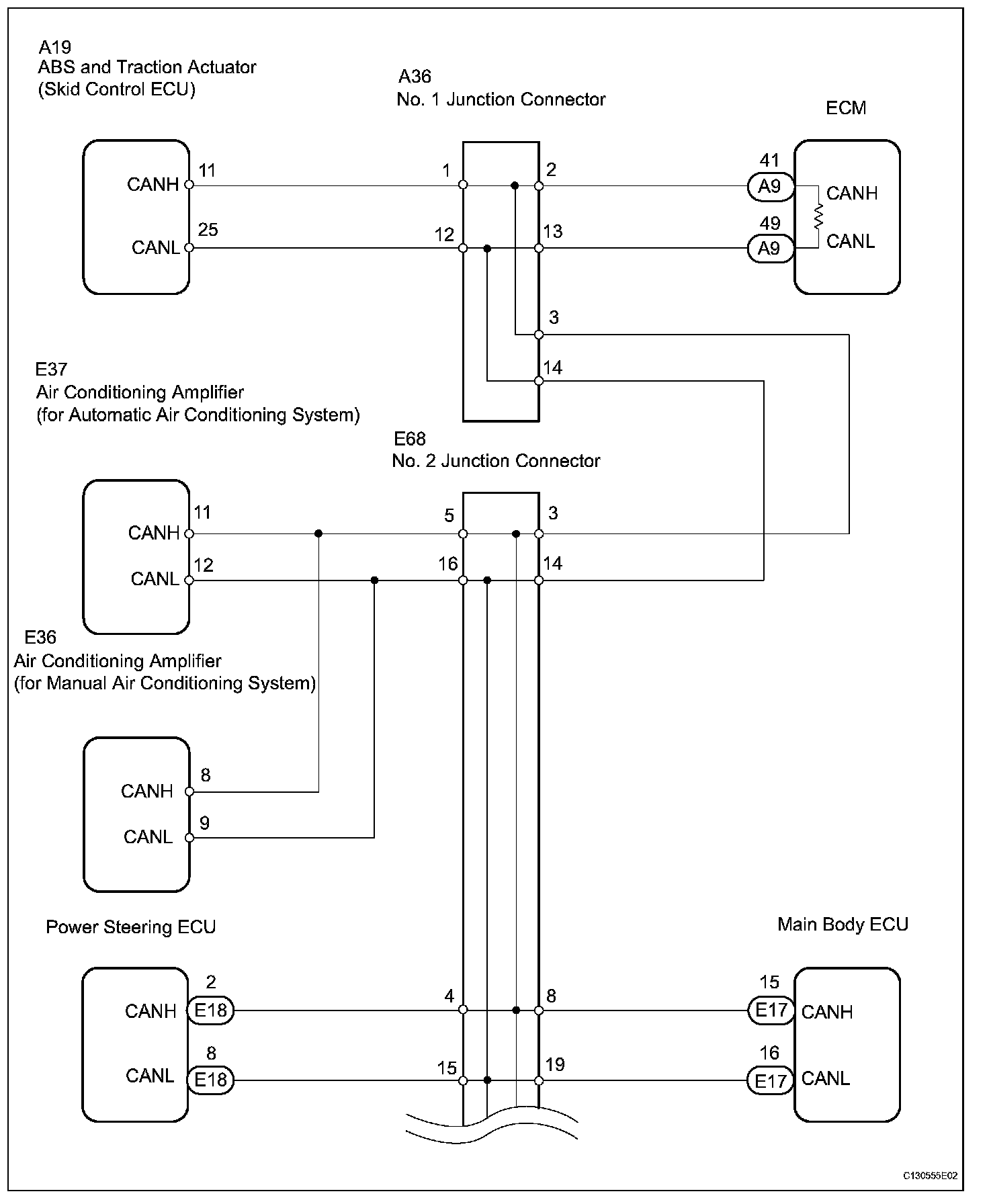
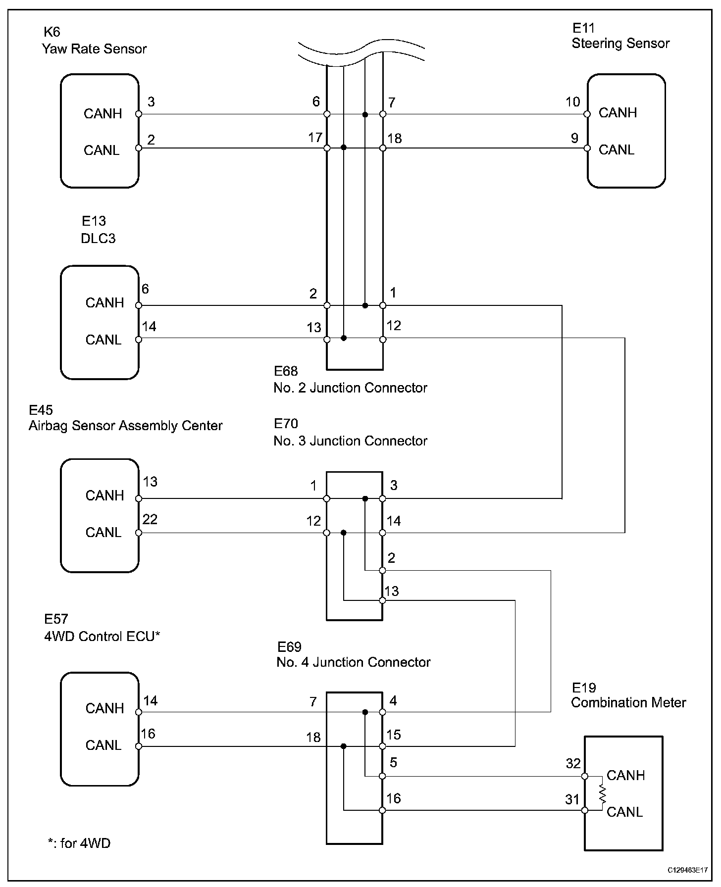
Open in One Side of CAN Branch Line

Open in One Side of CAN Branch Line

DESCRIPTION




If 2 or more ECUs and/or sensors do not appear on the intelligent tester's "BUS CHECK" screen via the CAN VIM, one side of the CAN branch wire may be open. (One side of the CANH [branch wire]/CANL [branch wire] of the ECU and/or sensor is open.)

Wiring Diagram (Part 1):




Wiring Diagram (Part 2):





INSPECTION PROCEDURE

NOTE:
- Turn the ignition switch OFF before measuring the resistances of the main wire and the branch wire.
- After the ignition switch is turned OFF, check that the key reminder warning system and light reminder warning system are not in operation.
- Before measuring the resistance, leave the vehicle for at least 1 minute and do not operate the ignition switch, any switches or doors. If doors need to be opened in order to check connectors, open the doors and leave them open.

HINT:
- Perform the following inspection for the ECUs (sensors) which are not displayed on the intelligent tester. If a malfunction cannot be identified, perform the following inspections for the ECUs (sensors) connected to the CAN communication system.
- Do not remove the combination meter and ECM, as they are the end parts of the circuit. If removed, CAN communication will not be possible.
- The open circuit confirmation of the combination meter, ECM and main wire is performed in the CHECK CAN BUS LINE procedure of HOW TO PROCEED WITH TROUBLESHOOTING. This inspection only has procedures for checking for an open circuit on one side of the CAN branch wire.

Step 1-2:




Step 2 (Continued)-5:




Step 5 (Continued)-7:




Step 7 (Continued)-9:




Step 10-11:




Step 12-13:




Step 14-15: