Operation CHARM: Car repair manuals for everyone.
Manuals through 2025 now available!

Our trusted friends have launched a new website named LEMON, which has newer manuals. It also contains all the CHARM manuals.

LEMON is the spiritual successor to CHARM, I recommend you try it!

Link: lemon-manuals.la or lemon-manuals.org.ua

(Some people have issue connecting. LEMON is investigating. For now, use Firefox or change your DNS server)

Or, hide this message: temporarily or permanently

Short in CAN Bus Lines

Short in CAN Bus Lines

DESCRIPTION




There may be a short circuit between the CAN bus lines when the resistance between terminals 6 (CANH) and 14 (CANL) of the DLC3 is below 54 ohms.

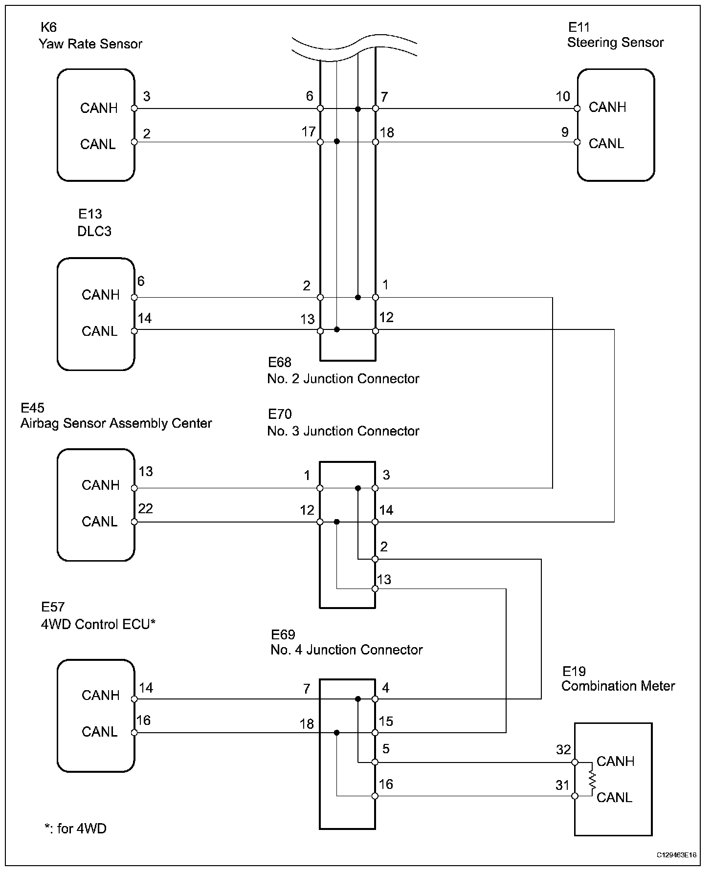
Wiring Diagram (Part 1):




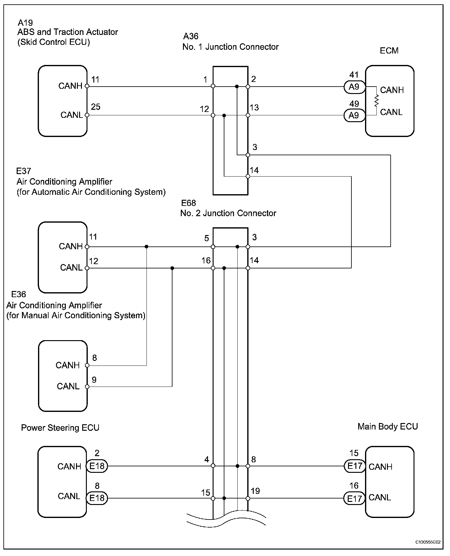
Wiring Diagram (Part 2):





INSPECTION PROCEDURE

NOTE:
- Turn the ignition switch OFF before measuring the resistances of the main wire and the branch wire.
- After the ignition switch is turned OFF, check that the key reminder warning system and light reminder warning system are not in operation.
- Before measuring the resistance, leave the vehicle for at least 1 minute and do not operate the ignition switch, any switches or doors. If doors need to be opened in order to check connectors, open the doors and leave them open.

HINT: Operating the ignition switch, any switches or any doors triggers related ECU and sensor communication with the CAN, which causes resistance variation.

Step 1-3:




Step 4-6:




Step 7-10:




Step 10 (Continued)-13:




Step 14-15:




Step 15 (Continued)-19:




Step 19 (Continued)-21:




Step 22-23:




Step 23 (Continued)-24:




Step 25-27:




Step 27 (Continued)-31:




Step 31 (Continued)-34:




Step 35-36:




Step 37-39:




Step 39 (Continued)-41: