Operation CHARM: Car repair manuals for everyone.
Manuals through 2025 now available!

Our trusted friends have launched a new website named LEMON, which has newer manuals. It also contains all the CHARM manuals.

LEMON is the spiritual successor to CHARM, I recommend you try it!

Link: lemon-manuals.la or lemon-manuals.org.ua

(Some people have issue connecting. LEMON is investigating. For now, use Firefox or change your DNS server)

Or, hide this message: temporarily or permanently

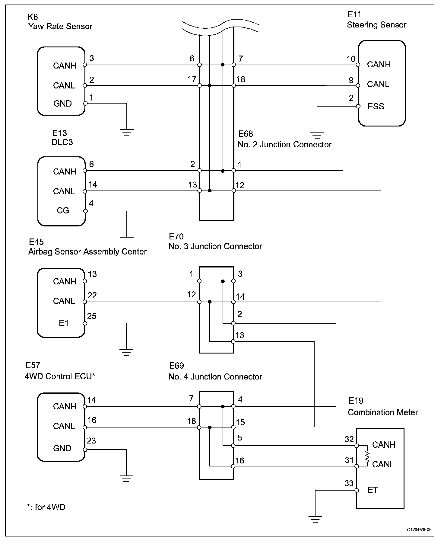
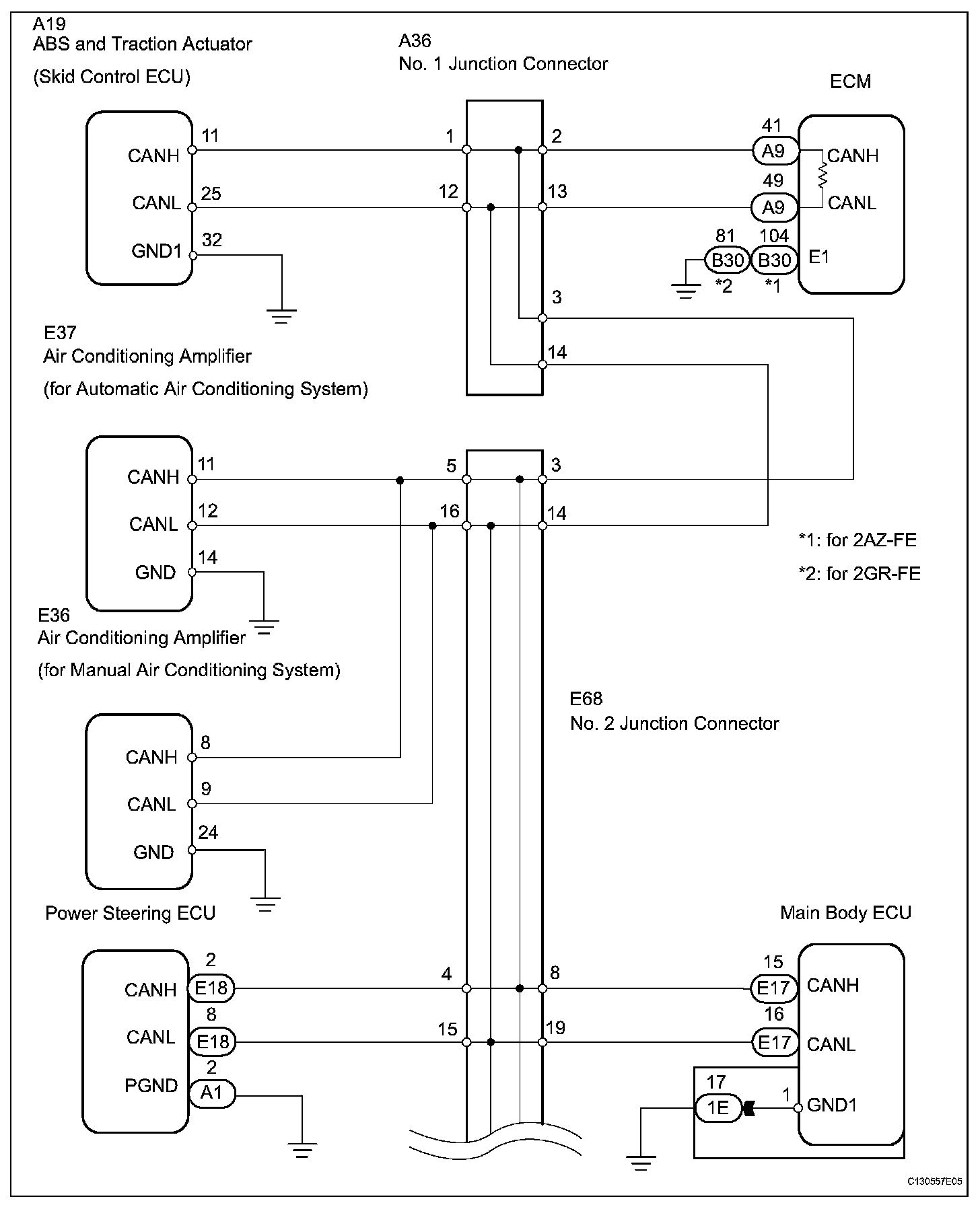
Short to GND in CAN Bus Line

Short to GND in CAN Bus Line

DESCRIPTION




There may be a short circuit between the CAN bus line and GND when there is resistance between terminals 6 (CANH) and 4 (CG) or terminals 14 (CANL) and 4 (CG) of the DLC3.

Wiring Diagram (Part 1):




Wiring Diagram (Part 2):





INSPECTION PROCEDURE

NOTE:
- Turn the ignition switch OFF before measuring the resistances of the main wire and branch wire.
- After the ignition switch is turned OFF, check that the key reminder warning system and light reminder warning system are not in operation.
- Before measuring the resistance, leave the vehicle as is for at least 1 minute and do not operate the ignition switch, any other switches or the doors. If doors need to be opened in order to check connectors, open the doors and leave them open.

HINT: Operating the ignition switch, any switches or any doors triggers related ECU and sensor communication with the CAN, which causes resistance variation.

Step 1-4:




Step 5-8:




Step 9-11:




Step 12-13:




Step 13 (Continued)-17:




Step 17 (Continued)-19:




Step 20-21:




Step 21 (Continued)-22:




Step 23-25:




Step 25 (Continued)-29:




Step 29 (Continued)-32:




Step 33 (Continued)-34:




Step 35-37:




Step 38-39: