Operation CHARM: Car repair manuals for everyone.
Manuals through 2025 now available!

Our trusted friends have launched a new website named LEMON, which has newer manuals. It also contains all the CHARM manuals.

LEMON is the spiritual successor to CHARM, I recommend you try it!

Link: lemon-manuals.la or lemon-manuals.org.ua

(Some people have issue connecting. LEMON is investigating. For now, use Firefox or change your DNS server)

Or, hide this message: temporarily or permanently

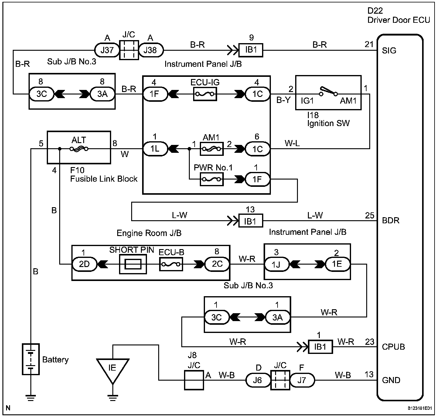
Power Window Master Switch Power Source Circuit

Power Window Master Switch Power Source Circuit

DESCRIPTION

This circuit provides power to operate the power window master switch.

Wiring Diagram:






Step 1:




Step 1(Continued)-3:




INSPECTION PROCEDURE