Operation CHARM: Car repair manuals for everyone.
Manuals through 2025 now available!

Our trusted friends have launched a new website named LEMON, which has newer manuals. It also contains all the CHARM manuals.

LEMON is the spiritual successor to CHARM, I recommend you try it!

Link: lemon-manuals.la or lemon-manuals.org.ua

(Some people have issue connecting. LEMON is investigating. For now, use Firefox or change your DNS server)

Or, hide this message: temporarily or permanently

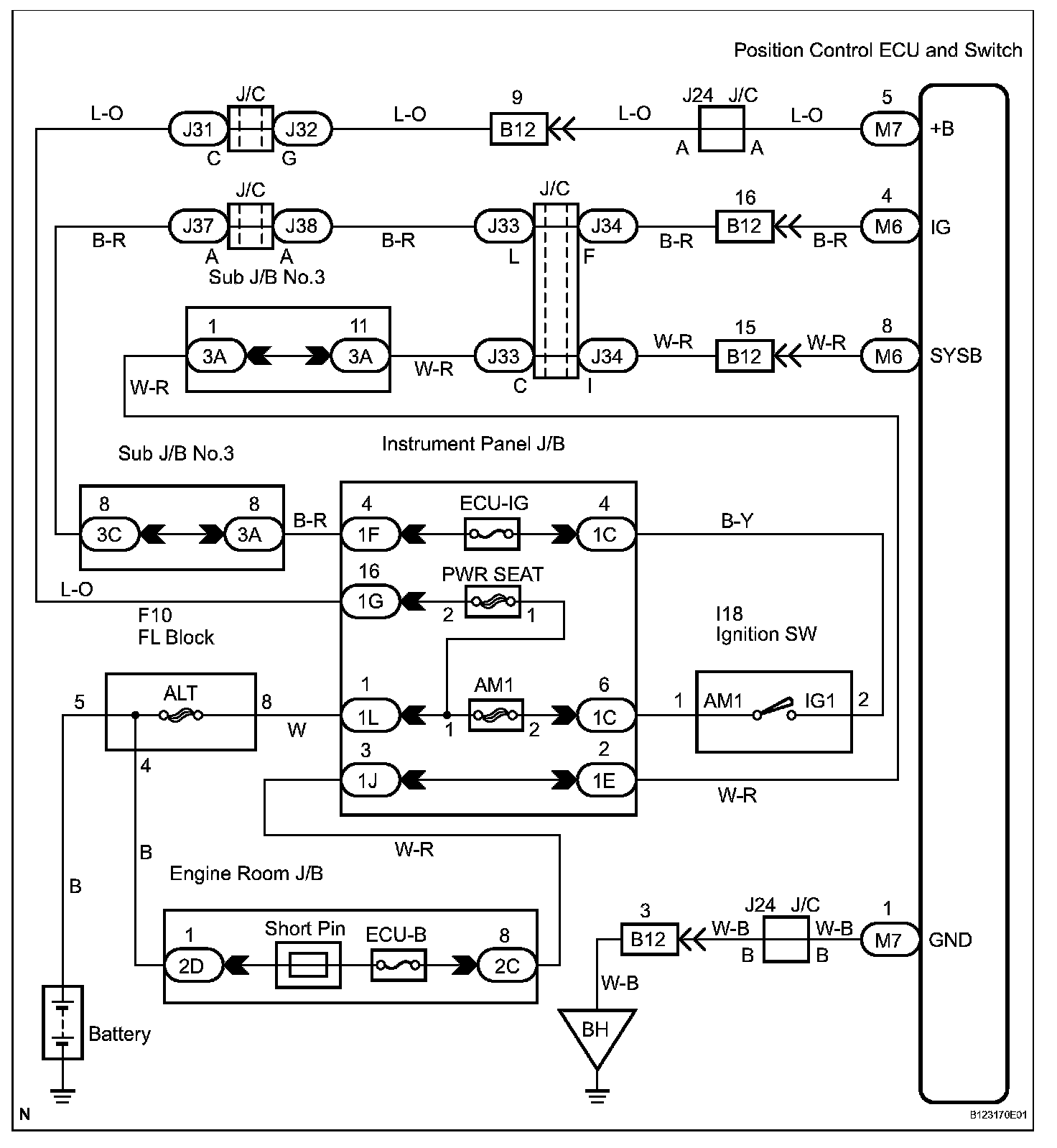
ECU Power Source Circuit

ECU Power Source Circuit

DESCRIPTION
The position control ECU is contained in the switch assembly.

During manual operation, only one switch signal is accepted. If signals are input from 2 or more switches simultaneously, all of them are ignored. However, when signals are input from only the front vertical switch and lifter switch simultaneously, the signal from the lifter switch is accepted.

During automatic operation, a manual switch input overrides any other operations, i.e. automatic operations stop and the manual input operation is accepted. For example, if a manual switch input is activated, during a seat store/restore operation, the previous operation will cease and manual operation will be performed.

After the manual operation is performed, the previous automatic operation will not resume. Power mirror store/restore operation is unaffected by manual switch inputs.

The position control ECU and switch assembly disallows the restore operation of the power seat when the system detects that the voltage of terminal SYSB is less than 8 V for 0.3 seconds or is more than 10 V for 30 seconds.

This circuit is a power source circuit of the position control ECU and switch assembly.

HINT: Manual adjustment of the slide reclining lumbar can be performed even when the ECU is not functional if current is allowed to flow into terminals +B and SYSB.

Lumbar operation can always be performed.

Wiring Diagram:






Step 1:




Step 1(Continued)-2:




INSPECTION PROCEDURE