Operation CHARM: Car repair manuals for everyone.
Manuals through 2025 now available!

Our trusted friends have launched a new website named LEMON, which has newer manuals. It also contains all the CHARM manuals.

LEMON is the spiritual successor to CHARM, I recommend you try it!

Link: lemon-manuals.la or lemon-manuals.org.ua

(Some people have issue connecting. LEMON is investigating. For now, use Firefox or change your DNS server)

Or, hide this message: temporarily or permanently

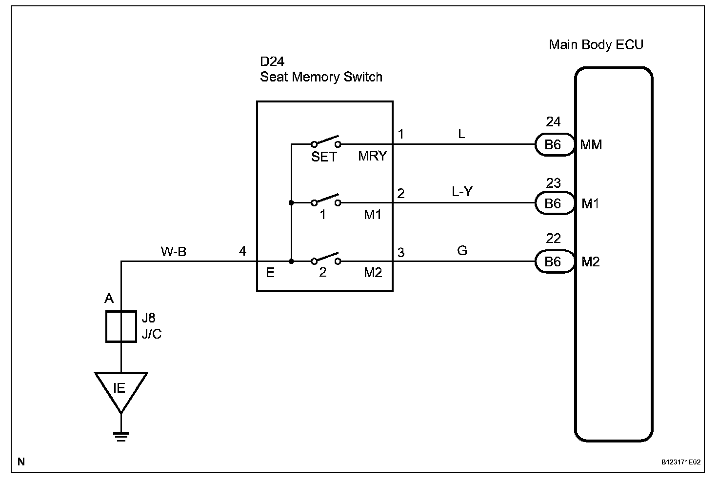
Memory Switch Circuit

Memory Switch Circuit

DESCRIPTION
The seat memory switch sends signals to the position control ECU and switch assembly via multiplex communication to memorize a given seat position. This memory system does not use a position sensor. The seat position is detected by counting pulses that are output when the motor turns. If there is no pulse output from the motor, the motor will stop operating. The seat memory switch is later used to send signals to the position control ECU to return to one of the memorized positions.

The power seat memory operation is performed only when the ignition switch is in the ON position and the park/neutral position switch is in the P (park) position.

Wiring Diagram:






Step 1-2:




INSPECTION PROCEDURE