Operation CHARM: Car repair manuals for everyone.
Manuals through 2025 now available!

Our trusted friends have launched a new website named LEMON, which has newer manuals. It also contains all the CHARM manuals.

LEMON is the spiritual successor to CHARM, I recommend you try it!

Link: lemon-manuals.la or lemon-manuals.org.ua

(Some people have issue connecting. LEMON is investigating. For now, use Firefox or change your DNS server)

Or, hide this message: temporarily or permanently

Seats

Front Seat Assembly:



Front Seat Assembly:



Front Seat Assembly (For Power Seat):



Front Seat Assembly (For Power Seat):



Rear No. 1 Seat Assembly (For Separate Seat Type):



Rear No. 1 Seat Assembly (For Separate Seat Type):



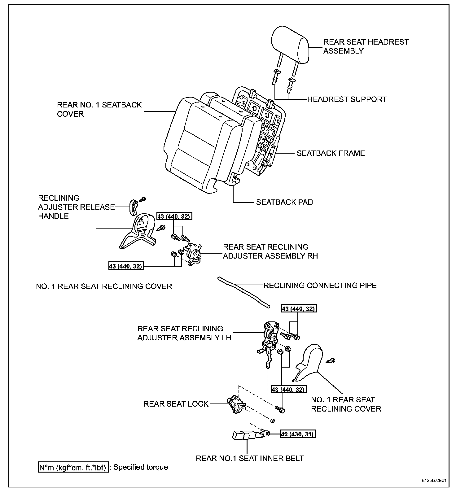
Rear No. 1 Seat Assembly (For 60/40 Spilt Seat Type LH Side):



Rear No. 1 Seat Assembly (For 60/40 Spilt Seat Type LH Side):



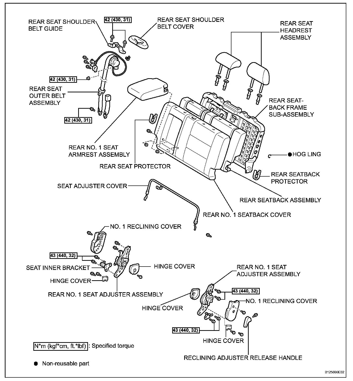
Rear No. 1 Seat Assembly (For 60/40 Split Seat Type RH Side):



Rear No. 1 Seat Assembly (For 60/40 Split Seat Type RH Side):



Rear No. 2 Seat Assembly:



Rear No. 2 Seat Assembly: