Operation CHARM: Car repair manuals for everyone.
Manuals through 2025 now available!

Our trusted friends have launched a new website named LEMON, which has newer manuals. It also contains all the CHARM manuals.

LEMON is the spiritual successor to CHARM, I recommend you try it!

Link: lemon-manuals.la or lemon-manuals.org.ua

(Some people have issue connecting. LEMON is investigating. For now, use Firefox or change your DNS server)

Or, hide this message: temporarily or permanently

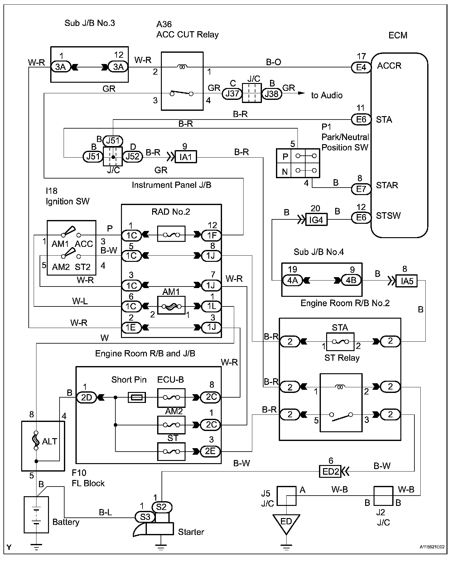
Cranking Holding Function Circuit

Cranking Holding Function Circuit

DESCRIPTION




The starter is controlled by the ECM. When the ECM detects a start signal (STSW) from the ignition switch, this system monitors the engine speed (NE) and continues to operate the starter until it has determined that the engine has started (engine speed reaches approximately 500 rpm). If the engine is already running and the ignition switch is turned to START, the ECM will not operate the starter.

Wiring Diagram:






Step 1-2:




Step 2(Continued)-4:




Step 4(Continued)-6:




Step 6(Continued)-8:




Step 9:




INSPECTION PROCEDURE