Operation CHARM: Car repair manuals for everyone.
Manuals through 2025 now available!

Our trusted friends have launched a new website named LEMON, which has newer manuals. It also contains all the CHARM manuals.

LEMON is the spiritual successor to CHARM, I recommend you try it!

Link: lemon-manuals.la or lemon-manuals.org.ua

(Some people have issue connecting. LEMON is investigating. For now, use Firefox or change your DNS server)

Or, hide this message: temporarily or permanently

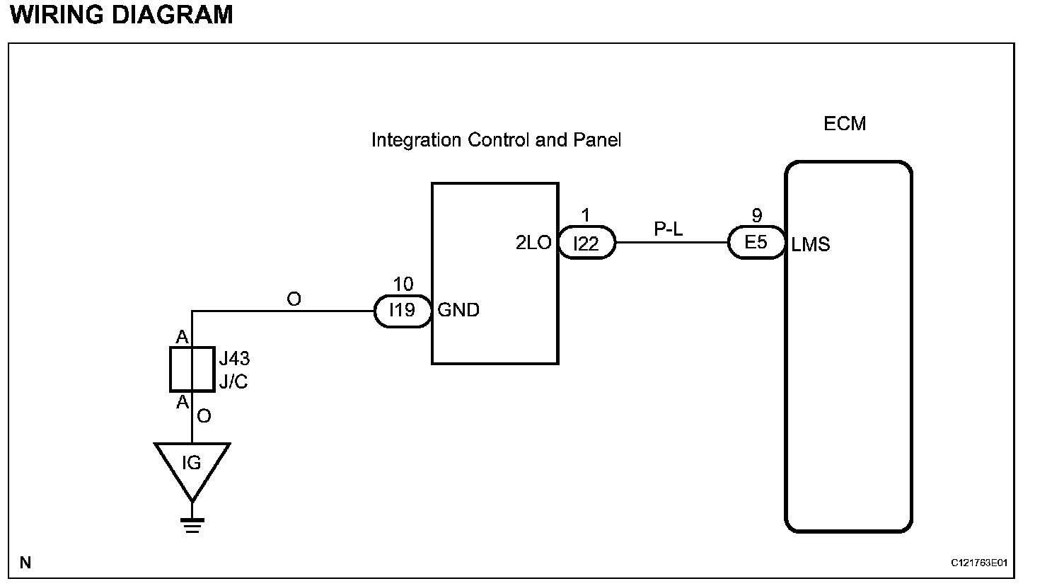
Shift Position L Switch Circuit

Shift Position L Switch Circuit

DESCRIPTION
The shift position L switch is a momentary type switch. When the shift position L switch is pressed while driving with the shift lever in the 2 position, the L position indicator on the combination meter comes on and the transmission is locked in 1st gear. When the switch is pressed again, the indicator goes off and the transmission is released.

WIRING DIAGRAM:





INSPECTION PROCEDURE

Step 1(Part 1):




Steps 1(Part 2)-3(Part 1):




Step 3(Part 2):