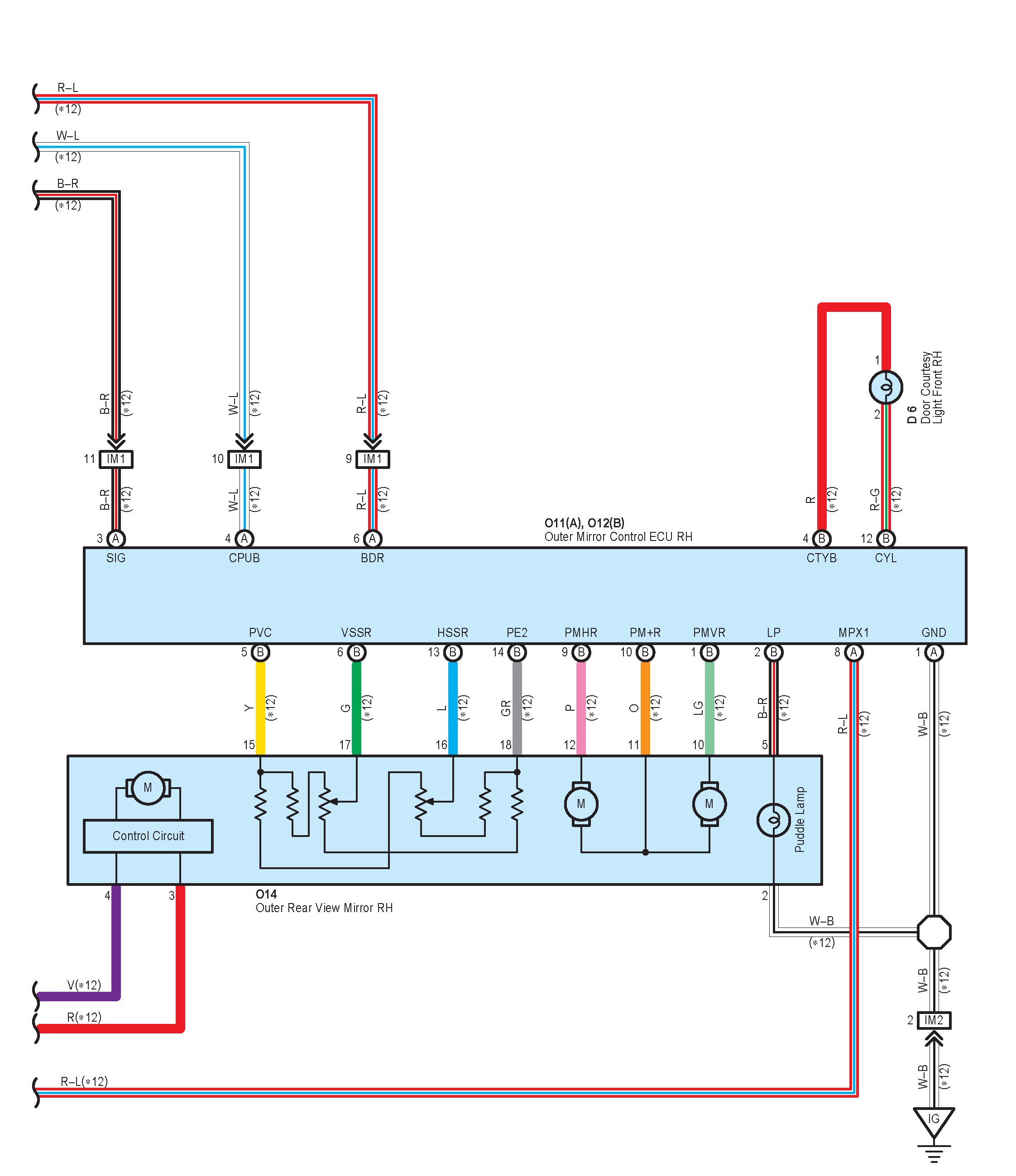
Multiplex Communication System - BEAN Part 16
Multiplex Communication System - BEAN Part 16:
Diagram Legend:
Previous Diagram Multiplex Communication System - BEAN Part 15
Locations: The locations of components, connectors, ground points, and splices referred to within these diagrams can be found at Vehicle Locations. Locations
Connector Views: The connector views for connectors referred to within these diagrams can be found at Vehicle level Connector Views. Connector Views