Operation CHARM: Car repair manuals for everyone.
Manuals through 2025 now available!

Our trusted friends have launched a new website named LEMON, which has newer manuals. It also contains all the CHARM manuals.

LEMON is the spiritual successor to CHARM, I recommend you try it!

Link: lemon-manuals.la or lemon-manuals.org.ua

(Some people have issue connecting. LEMON is investigating. For now, use Firefox or change your DNS server)

Or, hide this message: temporarily or permanently

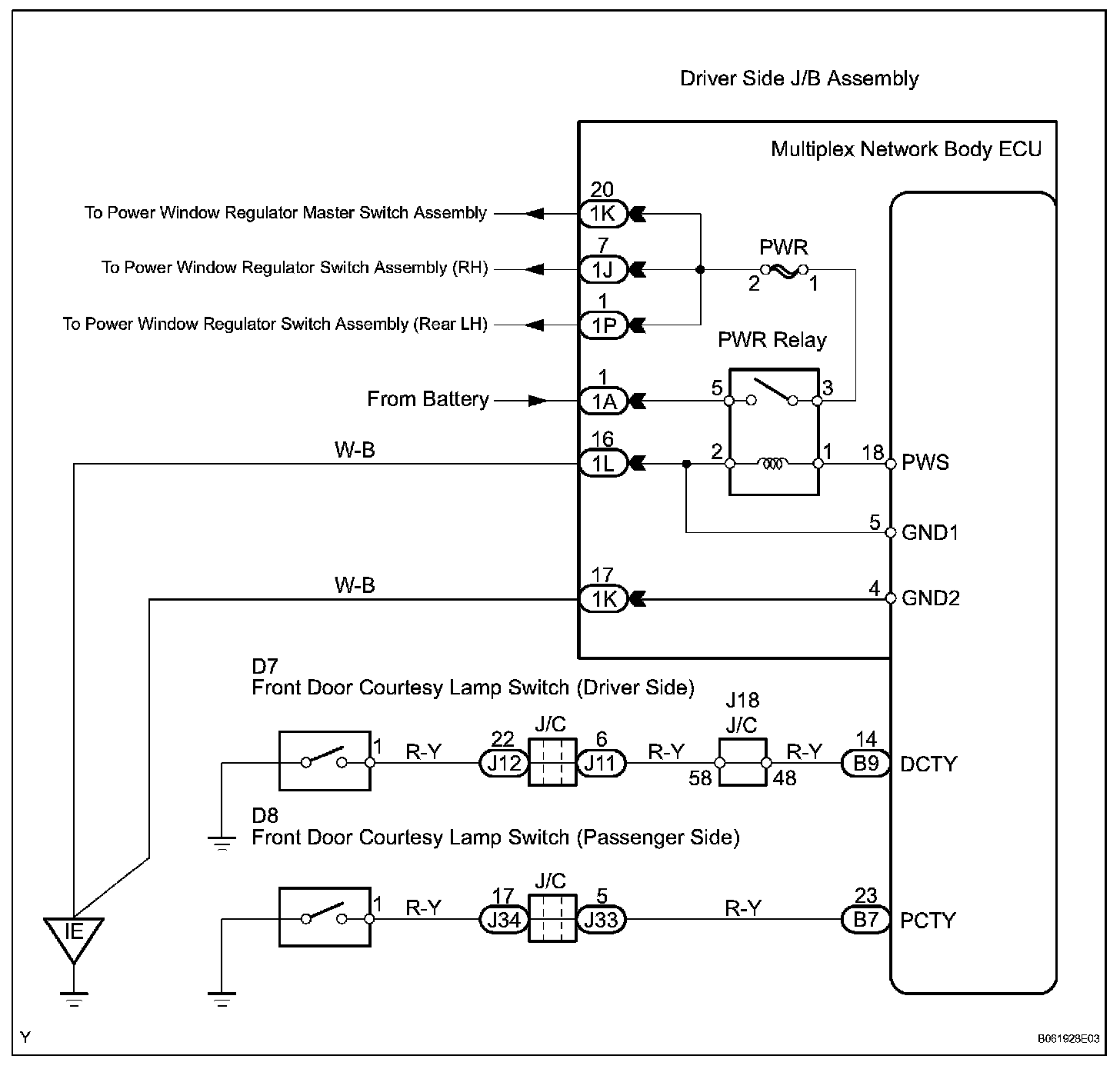
Power Window Can Be Operated After Ignition Switch Is Turned Off Even If Operative Conditions Are Not Met

Power Window Can Be Operated After Ignition Switch Is Turned Off Even If Operative Conditions Are Not Met

DESCRIPTION

The multiplex network body ECU controls power supplied to the power window master switch and each regulator switch continuously for 45 seconds after the ignition switch is turned OFF unless the front doors have been opened, so that the power window can be operated during this period. However, if either front door is opened or if a signal from any of the front door courtesy lamp switches is input to the ECU during 45 seconds, or if 45 seconds pass with nothing being done, the multiplex network body ECU will stop supplying power, thus disabling power window operation disabled.

WIRING DIAGRAM

Wiring Diagram:





INSPECTION PROCEDURE

Step 1 - Step 3:




Step 4: