Operation CHARM: Car repair manuals for everyone.
Manuals through 2025 now available!

Our trusted friends have launched a new website named LEMON, which has newer manuals. It also contains all the CHARM manuals.

LEMON is the spiritual successor to CHARM, I recommend you try it!

Link: lemon-manuals.la or lemon-manuals.org.ua

(Some people have issue connecting. LEMON is investigating. For now, use Firefox or change your DNS server)

Or, hide this message: temporarily or permanently

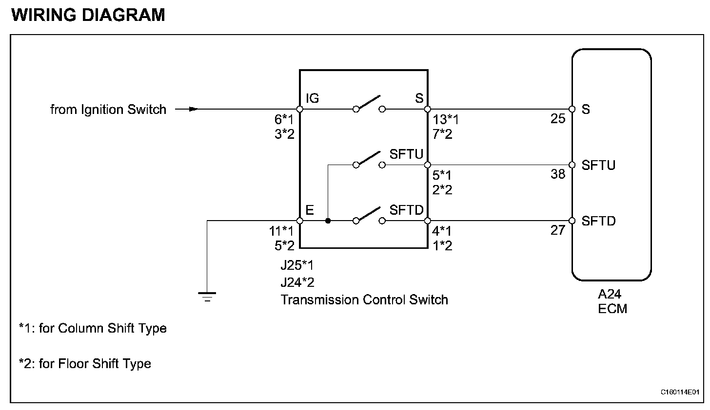
Transmission Control Switch Circuit

Transmission Control Switch Circuit

DESCRIPTION
When moving the shift lever into the S position using the transmission control switch, it is possible to switch the shift range position between "1" (1st range) and "6" (6th range).

Shifting to "+" once raises the shift range position by one, and shifting to "-" lowers the shift range position by one.

WIRING DIAGRAM:





INSPECTION PROCEDURE

Step 1:




Step 1:




Step 2:




Step 3: