Operation CHARM: Car repair manuals for everyone.
Manuals through 2025 now available!

Our trusted friends have launched a new website named LEMON, which has newer manuals. It also contains all the CHARM manuals.

LEMON is the spiritual successor to CHARM, I recommend you try it!

Link: lemon-manuals.la or lemon-manuals.org.ua

(Some people have issue connecting. LEMON is investigating. For now, use Firefox or change your DNS server)

Or, hide this message: temporarily or permanently

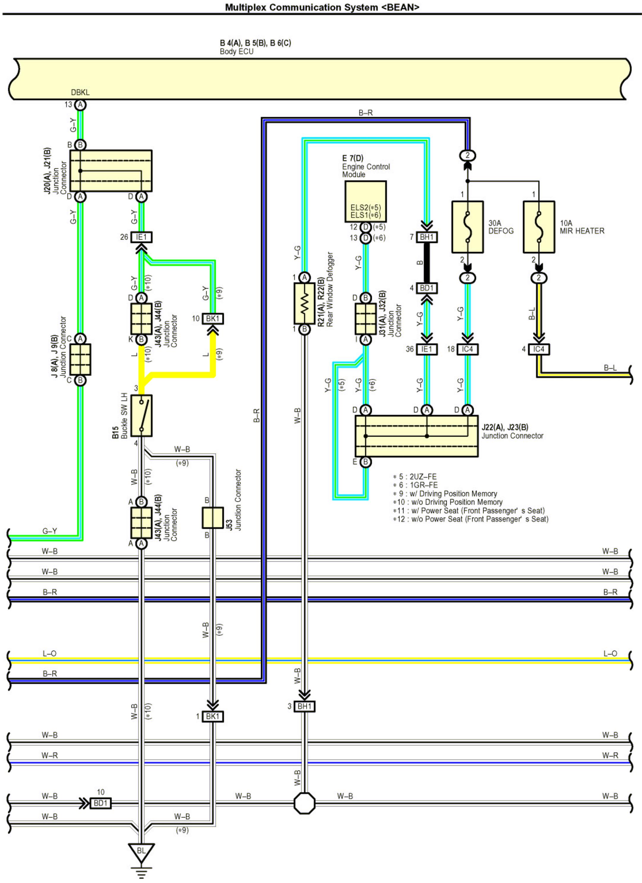
Multiplex Communication System (BEAN) Part 18

Multiplex Communication System <BEAN> Part 18:




Connector Pin Outs Part 1:




Connector Pin Outs Part 2:




Connector Pin Outs Part 3:




Connector Pin Outs Part 4:




Connector Pin Outs Part 5:




Connector Pin Outs Part 6:




Connector Pin Outs Part 7:




Connector Pin Outs Part 8:




Connector Pin Outs Part 9:




Connector Pin Outs Part 10:






Next Diagram Multiplex Communication System (BEAN) Part 19

Previous Diagram Multiplex Communication System (BEAN) Part 17

Locations: The locations of components, connectors, ground points, and splices referred to within these diagrams can be found at Vehicle Locations. Locations