Operation CHARM: Car repair manuals for everyone.
Manuals through 2025 now available!

Our trusted friends have launched a new website named LEMON, which has newer manuals. It also contains all the CHARM manuals.

LEMON is the spiritual successor to CHARM, I recommend you try it!

Link: lemon-manuals.la or lemon-manuals.org.ua

(Some people have issue connecting. LEMON is investigating. For now, use Firefox or change your DNS server)

Or, hide this message: temporarily or permanently

Distance Control Switch Circuit









CRUISE CONTROL: DYNAMIC LASER CRUISE CONTROL SYSTEM: Distance Control Switch Circuit

Distance Control Switch Circuit

DESCRIPTION

This switch sets the vehicle-to-vehicle distance mode.

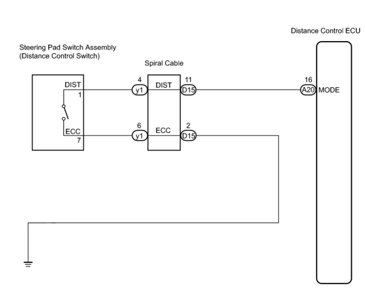
WIRING DIAGRAM





INSPECTION PROCEDURE

PROCEDURE

1. READ VALUE USING TECHSTREAM
(a) Connect the Techstream to the DLC3.
(b) Turn the ignition switch on (IG).
(c) Turn the Techstream on.
(d) Enter the following menus: Powertrain / Laser Cruise / Data List.
(e) Check the Data List for proper functioning of the distance control switch.

ECM (Laser Cruise):





OK:
Distance selected by the distance control switch is shown on the display.
NG -- INSPECT STEERING PAD SWITCH ASSEMBLY
OK -- PROCEED TO NEXT CIRCUIT INSPECTION SHOWN IN PROBLEM SYMPTOMS TABLE
2. INSPECT STEERING PAD SWITCH ASSEMBLY





(a) Remove the steering pad switch assembly.
(b) Measure the resistance between terminals 4 (DIST) and 6 (ECC) of the steering pad switch assembly connector when the distance control switch is operated.
Standard resistance:





HINT: When a malfunction is detected in the distance control switch, replace the steering pad switch assembly.

NG -- PROCEED TO NEXT CIRCUIT INSPECTION SHOWN IN PROBLEM SYMPTOMS TABLE
OK -- Continue to next step.
3. INSPECT SPIRAL CABLE
NOTICE: The spiral cable is an important part of the SRS airbag system. Incorrect removal or installation of the spiral cable may prevent the airbag from deploying.

HINT:
- Removal
Removal
- Installation
Installation





(a) Remove the spiral cable.
(b) Measure the resistance according to the value(s) in the table below.
Standard resistance:





HINT: The spiral cable makes a maximum of approximately 5 rotations.

NG -- REPLACE STEERING PAD SWITCH ASSEMBLY
OK -- Continue to next step.
4. CHECK HARNESS AND CONNECTOR (DISTANCE CONTROL ECU - SPIRAL CABLE)





(a) Disconnect the distance control ECU connector.
(b) Measure the resistance according to the value(s) in the table below.
Standard resistance:






NG -- REPLACE SPIRAL CABLE
OK -- Continue to next step.
5. CHECK HARNESS AND CONNECTOR (SPIRAL CABLE - BODY GROUND)





(a) Measure the resistance according to the value(s) in the table below.
Standard resistance:






NG -- REPLACE SPIRAL CABLE
OK -- Continue to next step.
6. INSPECT DISTANCE CONTROL ECU





(a) Remove the distance control ECU with the connector.
(b) Turn the ignition switch on (IG).
(c) Measure the voltage according to the value(s) in the table below.
Standard voltage:






NG -- REPAIR OR REPLACE HARNESS OR CONNECTOR
OK -- PROCEED TO NEXT CIRCUIT INSPECTION SHOWN IN PROBLEM SYMPTOMS TABLE