Operation CHARM: Car repair manuals for everyone.
Manuals through 2025 now available!

Our trusted friends have launched a new website named LEMON, which has newer manuals. It also contains all the CHARM manuals.

LEMON is the spiritual successor to CHARM, I recommend you try it!

Link: lemon-manuals.la or lemon-manuals.org.ua

(Some people have issue connecting. LEMON is investigating. For now, use Firefox or change your DNS server)

Or, hide this message: temporarily or permanently

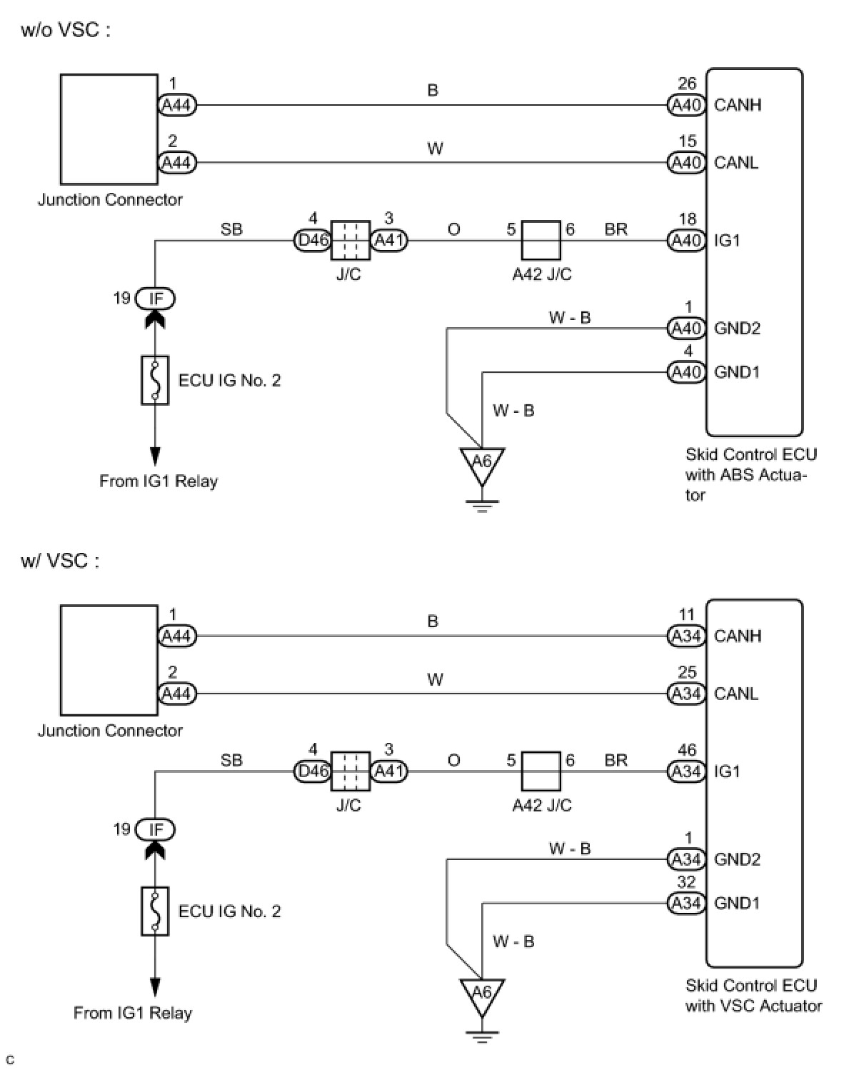
Skid Control ECU Communication Stop Mode









CAN COMMUNICATION: CAN COMMUNICATION SYSTEM: Skid Control ECU Communication Stop Mode

Skid Control ECU Communication Stop Mode

DESCRIPTION





HINT:
- *1: w/o VSC
- *2: w/ VSC

WIRING DIAGRAM





INSPECTION PROCEDURE

PROCEDURE

1. CHECK VEHICLE
(a) Check the vehicle type.
Result:






B -- CHECK CAN BUS WIRE (SKID CONTROL ECU MAIN BUS LINE DISCONNECTION)
A -- Continue to next step.
2. CHECK CAN BUS WIRE (SKID CONTROL ECU MAIN BUS LINE DISCONNECTION)





(a) Turn the ignition switch off.
(b) Disconnect the skid control ECU connector (A40).
(c) Measure the resistance according to the value(s) in the table below.
Resistance:






NG -- REPAIR OR REPLACE WIRE HARNESS OR CONNECTOR (CAN-H, CAN-L)
OK -- Continue to next step.
3. CHECK WIRE HARNESS (IG1, GND1)





(a) Measure the resistance and voltage according to the value(s) in the table below.
Resistance and voltage:






NG -- REPAIR OR REPLACE WIRE HARNESS OR CONNECTOR
OK -- REPLACE SKID CONTROL ECU WITH ACTUATOR
4. CHECK CAN BUS WIRE (SKID CONTROL ECU MAIN BUS LINE DISCONNECTION)





(a) Turn the ignition switch off.
(b) Disconnect the skid control ECU connector (A34).
(c) Measure the resistance according to the value(s) in the table below.
Resistance:






NG -- REPAIR OR REPLACE WIRE HARNESS OR CONNECTOR (CAN-H, CAN-L)
OK -- Continue to next step.
5. CHECK WIRE HARNESS (IG1, GND1, GND2)





(a) Measure the resistance and voltage according to the value(s) in the table below.
Resistance and voltage:






NG -- REPAIR OR REPLACE WIRE HARNESS OR CONNECTOR
OK -- REPLACE SKID CONTROL ECU WITH ACTUATOR