Operation CHARM: Car repair manuals for everyone.
Manuals through 2025 now available!

Our trusted friends have launched a new website named LEMON, which has newer manuals. It also contains all the CHARM manuals.

LEMON is the spiritual successor to CHARM, I recommend you try it!

Link: lemon-manuals.la or lemon-manuals.org.ua

(Some people have issue connecting. LEMON is investigating. For now, use Firefox or change your DNS server)

Or, hide this message: temporarily or permanently

Suspension Control ECU Communication Stop Mode








NETWORKING: CAN COMMUNICATION SYSTEM: Suspension Control ECU Communication Stop Mode

Suspension Control ECU Communication Stop Mode

DESCRIPTION





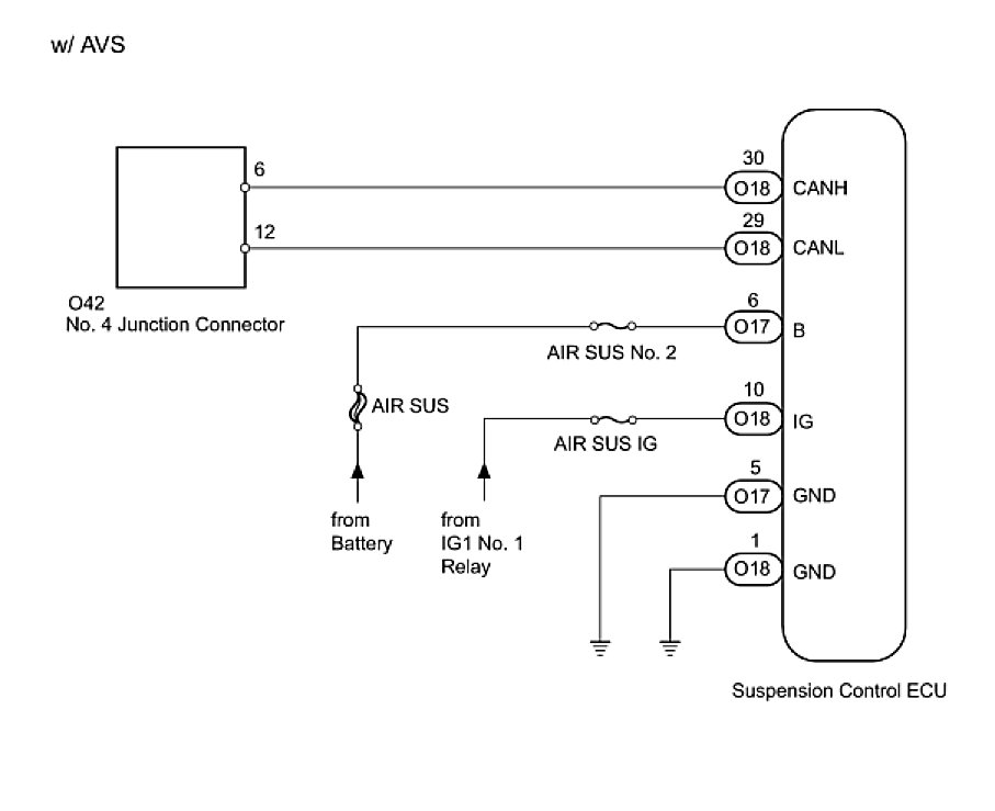
WIRING DIAGRAM









INSPECTION PROCEDURE

PROCEDURE

1. DISCONNECT CABLE FROM NEGATIVE BATTERY TERMINAL
(a) Disconnect the cable from the negative (-) battery terminal before measuring the resistances of the main wire and the branch wire.
CAUTION: Wait at least 90 seconds after disconnecting the cable from the negative (-) battery terminal to disable the SRS system.

NEXT -- Continue to next step.
2. CHECK FOR OPEN IN CAN BUS WIRE (SUSPENSION CONTROL ECU BRANCH WIRE)





(a) w/ AVS
(1) Disconnect the O18 suspension control ECU connector.
(2) Measure the resistance according to the value(s) in the table below.
Standard Resistance:










(b) w/o AVS
(1) Disconnect the O19 suspension control ECU connector.
(2) Measure the resistance according to the value(s) in the table below.
Standard Resistance:






NG -- REPAIR OR REPLACE SUSPENSION CONTROL ECU BRANCH WIRE OR CONNECTOR (CANH, CANL)
OK -- Continue to next step.
3. CHECK HARNESS AND CONNECTOR (SUSPENSION CONTROL ECU - BATTERY AND BODY GROUND)





(a) w/ AVS
(1) Reconnect the cable to the negative (-) battery terminal.
(2) Disconnect the O17 and O18 suspension control ECU connector.
(3) Measure the resistance according to the value(s) in the table below.
Standard Resistance:






(4) Measure the voltage according to the value(s) in the table below.
Standard Voltage:










(b) w/o AVS
(1) Reconnect the cable to the negative (-) battery terminal before measuring the resistances of the main wire and the branch wire.
(2) Disconnect the O19 suspension control ECU connector.
(3) Measure the resistance according to the value(s) in the table below.
Standard Resistance:






(4) Measure the voltage according to the value(s) in the table below.
Standard Voltage:






NG -- REPAIR OR REPLACE HARNESS OR CONNECTOR
OK -- REPLACE SUSPENSION CONTROL ECU