Operation CHARM: Car repair manuals for everyone.
Manuals through 2025 now available!

Our trusted friends have launched a new website named LEMON, which has newer manuals. It also contains all the CHARM manuals.

LEMON is the spiritual successor to CHARM, I recommend you try it!

Link: lemon-manuals.la or lemon-manuals.org.ua

(Some people have issue connecting. LEMON is investigating. For now, use Firefox or change your DNS server)

Or, hide this message: temporarily or permanently

Component Tests and General Diagnostics








2GR-FE ENGINE CONTROL SYSTEM: SFI SYSTEM: ECM Power Source Circuit

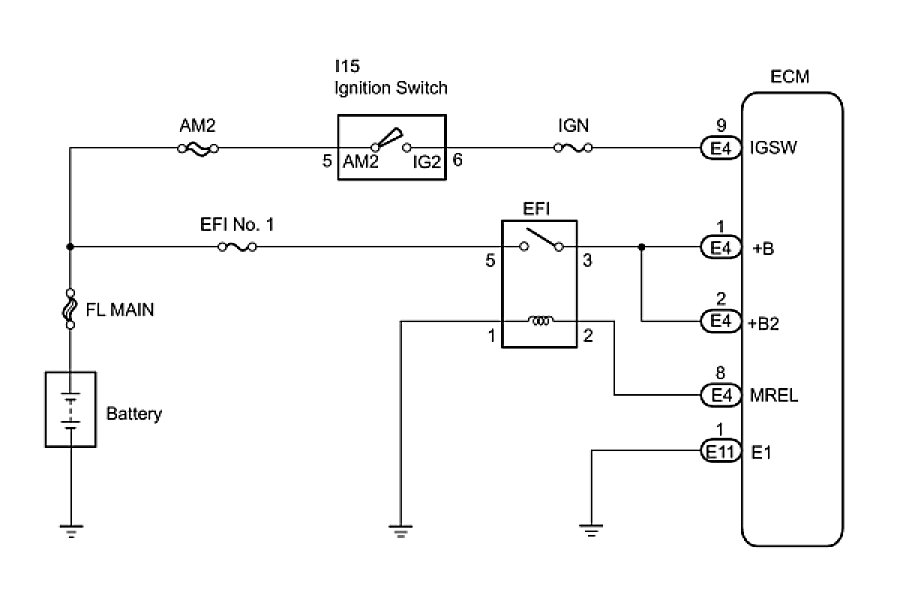
ECM Power Source Circuit

DESCRIPTION

When the ignition switch is turned to the ON position, the battery voltage is applied to terminal IGSW of the ECM. The ECM MREL output signal causes a current to flow to the coil, closing the contacts of the EFI relay and supplying power to terminal +B of the ECM.
If the ignition switch is turned off, the ECM holds the EFI relay ON for a maximum of 2 seconds to allow for the initial setting of the throttle valve.

WIRING DIAGRAM





INSPECTION PROCEDURE

PROCEDURE

1. INSPECT ECM (+B VOLTAGE)





(a) Turn the ignition switch to the ON position.
(b) Measure the voltage according to the value(s) in the table below.
Standard voltage:






OK -- PROCEED TO NEXT CIRCUIT INSPECTION SHOWN IN PROBLEM SYMPTOMS TABLE
NG -- Continue to next step.
2. CHECK HARNESS AND CONNECTOR (ECM - BODY GROUND)





(a) Disconnect the E11 ECM connector.
(b) Measure the resistance according to the value(s) in the table below.
Standard resistance:
Check for open





(c) Reconnect the ECM connector.
NG -- REPAIR OR REPLACE HARNESS OR CONNECTOR (ECM - BODY GROUND)
OK -- Continue to next step.
3. INSPECT ECM (IGSW VOLTAGE)





(a) Turn the ignition switch to the ON position.
(b) Measure the voltage according to the value(s) in the table below.
Standard voltage:






OK -- INSPECT ECM (MREL VOLTAGE)
NG -- Continue to next step.
4. CHECK FUSE (IGN FUSE)





(a) Remove the IGN fuse from the driver side junction block.
(b) Measure the IGN fuse resistance.
Standard resistance:
Below 1 Ohms
(c) Reinstall the IGN fuse.
NG -- REPLACE FUSE (IGN FUSE)
OK -- Continue to next step.
5. CHECK HARNESS AND CONNECTOR (IGNITION SWITCH - ECM)





(a) Disconnect the E4 ECM connector.
(b) Disconnect the I15 ignition switch connector.
(c) Measure the resistance according to the value(s) in the table below.
Standard resistance:
Check for open






Check for short






(d) Reconnect the ECM connector.
(e) Reconnect the ignition switch connector.
NG -- REPAIR OR REPLACE HARNESS OR CONNECTOR (IGNITION SWITCH - ECM)
OK -- Continue to next step.
6. INSPECT IGNITION SWITCH ASSEMBLY
(a) Inspect the ignition or starter switch assembly .
NG -- REPLACE IGNITION SWITCH ASSEMBLY
OK -- Continue to next step.
7. CHECK FUSE (AM2 FUSE)





(a) Remove the AM2 fuse from the engine room junction block.
(b) Measure the resistance according to the value(s) in the table below.
Standard resistance:
Below 1 Ohms
(c) Reinstall the AM2 fuse.
NG -- REPLACE FUSE (AM2 FUSE)
OK -- REPAIR OR REPLACE HARNESS OR CONNECTOR (IGNITION SWITCH - BATTERY)
8. INSPECT ECM (MREL VOLTAGE)





(a) Turn the ignition switch to the ON position.
(b) Measure the voltage according to the value(s) in the table below.
Standard voltage:






NG -- REPLACE ECM
OK -- Continue to next step.
9. CHECK FUSE (EFI NO. 1 FUSE)





(a) Remove the EFI No. 1 fuse from the engine room junction block.
(b) Measure the EFI No. 1 fuse resistance.
Standard resistance:
Below 1 Ohms
(c) Reinstall the EFI No. 1 fuse.
NG -- REPLACE FUSE (EFI NO. 1 FUSE)
OK -- Continue to next step.
10. INSPECT RELAY (EFI RELAY)





(a) Remove the EFI relay from the engine room junction block.
(b) Measure the EFI relay resistance.
Standard resistance:





(c) Reinstall the EFI relay.
NG -- REPLACE RELAY (EFI RELAY)
OK -- Continue to next step.
11. CHECK HARNESS AND CONNECTOR (EFI RELAY - ECM)





(a) Check the harness and connector between the EFI relay and ECM.
(1) Remove the EFI relay from the engine room junction block.
(2) Disconnect the E4 ECM connector.
(3) Measure the resistance according to the value(s) in the table below.
Standard resistance:
Check for open






Check for short






NG -- REPAIR OR REPLACE HARNESS OR CONNECTOR (EFI RELAY - ECM)
OK -- Continue to next step.
12. CHECK HARNESS AND CONNECTOR (EFI RELAY - ECM)





(a) Remove the EFI relay from the engine room junction block.
(b) Disconnect the E4 ECM connector.
(c) Measure the resistance according to the value(s) in the table below.
Standard resistance:
Check for open






Check for short






(d) Reinstall the EFI relay.
(e) Reconnect the ECM connector.
NG -- REPAIR OR REPLACE HARNESS OR CONNECTOR (EFI RELAY - ECM)
OK -- Continue to next step.
13. CHECK HARNESS AND CONNECTOR (EFI RELAY - BODY GROUND)





(a) Check the harness and connector between the EFI relay and body ground.
(1) Measure the resistance according to the value(s) in the table below.
Standard resistance :
Check for open






(2) Reinstall the EFI relay.
(3) Reconnect the ECM connector.
NG -- REPAIR OR REPLACE HARNESS OR CONNECTOR (EFI RELAY - BODY GROUND)
OK -- REPAIR OR REPLACE HARNESS OR CONNECTOR (EFI RELAY - BATTERY)