Operation CHARM: Car repair manuals for everyone.
Manuals through 2025 now available!

Our trusted friends have launched a new website named LEMON, which has newer manuals. It also contains all the CHARM manuals.

LEMON is the spiritual successor to CHARM, I recommend you try it!

Link: lemon-manuals.la or lemon-manuals.org.ua

(Some people have issue connecting. LEMON is investigating. For now, use Firefox or change your DNS server)

Or, hide this message: temporarily or permanently

Television Display Assembly Communication Error








NAVIGATION: NAVIGATION SYSTEM (for CrewMax): Television Display Assembly Communication Error

Television Display Assembly Communication Error

INSPECTION PROCEDURE

PROCEDURE

1. IDENTIFY COMPONENT SHOWN BY SUB-CODE
(a) Enter the diagnostic mode.
(b) Press the "LAN Mon" switch to change to "LAN Monitor" mode.
(c) Identify the component shown by the sub-code.
HINT:
- "140 (navigation receiver)" is the component shown by sub-code in the example shown in the illustration.
- The sub-code will be indicated by its physical address.
- For the component list, refer to "DIAGNOSIS DISPLAY DETAILED DESCRIPTION" Diagnosis Display Detailed Description.

NEXT -- Continue to next step.
2. CHECK POWER SOURCE CIRCUIT OF COMPONENT SHOWN BY SUB-CODE
(a) Inspect the power source circuit is operating normally, proceed to the next step.

Component table





If the power source circuit is operating normally, proceed to the next step.
NEXT -- Continue to next step.
3. CHECK NAVIGATION RECEIVER





(a) Disconnect the K18 and K8 receiver connectors.
(b) Measure the resistance according to the value(s) in the table below.
Standard resistance:






Result





C -- REPLACE NAVIGATION RECEIVER
B -- REPLACE NAVIGATION RECEIVER
A -- Continue to next step.
4. CHECK HARNESS AND CONNECTOR (NAVIGATION RECEIVER - COMPONENT SHOWN BY SUB-CODE)
HINT:
- Start the check from the circuit that is near the component shown by the sub-code first.
- For details of the connectors, refer to "TERMINALS OF ECU" Navigation System (for CrewMax).
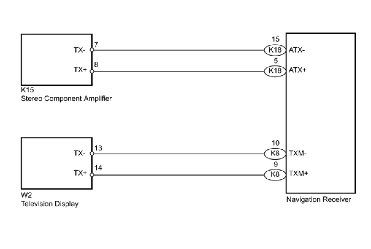
(a) Referring to the AVC-LAN wiring diagram below, check the AVC-LAN circuit between the navigation receiver and the component shown by the sub-code.
(1) Disconnect all connectors between the navigation receiver and the components shown by the sub-code.
(b) Check for an open or short in the AVC-LAN circuit between the navigation receiver and the component shown by the sub-code.
OK:
There is no open or short circuit.





NG -- REPAIR OR REPLACE HARNESS OR CONNECTOR
OK -- Continue to next step.
5. REPLACE COMPONENT SHOWN BY SUB-CODE
(a) Replace the component shown by the sub-code with a normal one and check if the same problem occurs again.
OK:
Same problem does not occur.

Result





C -- REPLACE NAVIGATION RECEIVER
B -- REPLACE NAVIGATION RECEIVER
A -- END