Operation CHARM: Car repair manuals for everyone.
Manuals through 2025 now available!

Our trusted friends have launched a new website named LEMON, which has newer manuals. It also contains all the CHARM manuals.

LEMON is the spiritual successor to CHARM, I recommend you try it!

Link: lemon-manuals.la or lemon-manuals.org.ua

(Some people have issue connecting. LEMON is investigating. For now, use Firefox or change your DNS server)

Or, hide this message: temporarily or permanently

Fuel Pump Control Circuit








2UZ-FE ENGINE CONTROL SYSTEM: SFI SYSTEM: Fuel Pump Control Circuit

Fuel Pump Control Circuit

DESCRIPTION

In the diagram below, when the engine is cranked, current flows from terminal STAR / NSW of the ECM to the starter relay coil and also current flows to terminal STA of the ECM (STA signal).
When the STA signal and NE signal are input to the ECM, the Tr1 (power transistor 1) is turned ON, current flows to the coil of the circuit opening relay, the relay switches on, power is supplied to the fuel pump, and the fuel pump operates.
While the NE signal is generated (engine running), the ECM keeps the Tr1 ON (circuit opening relay ON) and the fuel pump also keeps operating.
The fuel pump speed is controlled at two levels (high speed or low speed) by the engine condition (starting, light load, heavy load). When the engine starts (STA ON), the Tr2 (power transistor 2) in the ECM is OFF, so the fuel pump relay closes and battery positive voltage is applied directly to the fuel pump. The fuel pump operates at high speed.
After the engine starts during idling or light loads, since the Tr2 goes ON, power is supplied to the fuel pump via the fuel pump resistor. The fuel pump operates at low speed.





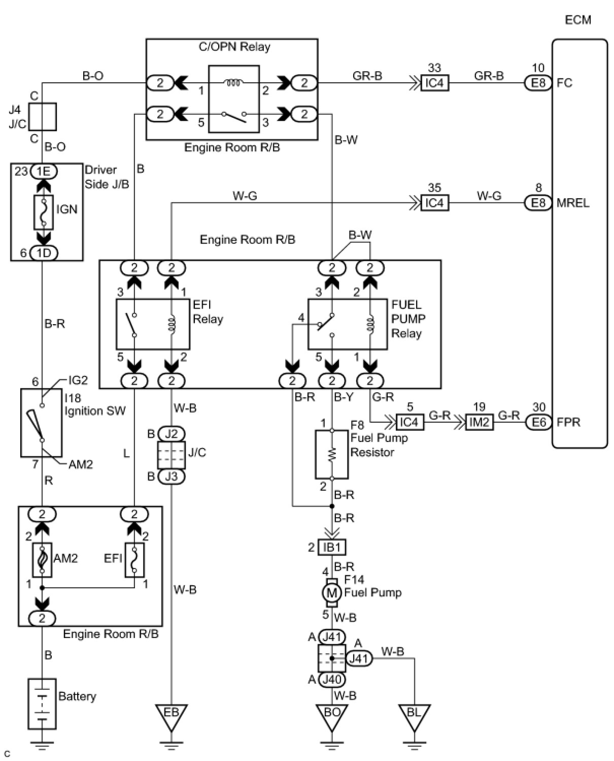
WIRING DIAGRAM





INSPECTION PROCEDURE

PROCEDURE

1. CHECK FUEL PUMP OPERATION
(a) Check if there is pressure in the fuel inlet hose.

HINT: If there is fuel pressure, you will hear the sound of fuel flowing.

OK -- INSPECT FUEL PUMP RELAY

NG -- Continue to next step.

2. PERFORM ACTIVE TEST USING TECHSTREAM (OPERATE CIRCUIT OPENING RELAY)
(a) Connect the Techstream to the DLC3.
(b) Turn the ignition switch ON and turn the tester ON.
(c) Enter the following menus: Powertrain / Engine and ECT / Active Test / Control the Fuel Pump / Speed.
(d) Check the relay operation when it is operated by the tester.
Standard:
Operating sound can be heard from the relay.
OK -- CHECK ECM POWER SOURCE CIRCUIT

NG -- Continue to next step.

3. INSPECT CIRCUIT OPENING RELAY (Marking: C/OPN)




(a) Remove the circuit opening relay from the engine room relay block.
(b) Measure the resistance of the circuit opening relay.
Standard resistance:





(c) Reinstall the circuit opening relay.

NG -- REPLACE CIRCUIT OPENING RELAY
OK -- Continue to next step.

4. INSPECT ECM (FC VOLTAGE)




(a) Turn the ignition switch ON.
(b) Measure the voltage of the E8 and E6 ECM connectors.
Standard voltage:





OK -- REPLACE ECM

NG -- CHECK AND REPAIR HARNESS OR CONNECTOR (ECM - CIRCUIT OPENING RELAY, CIRCUIT OPENING RELAY - IGNITION SWITCH)
5. CHECK ECM POWER SOURCE CIRCUIT
(a) Check the ECM Power Source Circuit ECM Power Source Circuit.

NG -- REPAIR OR REPLACE
OK -- Continue to next step.

6. INSPECT FUEL PUMP RELAY




(a) Remove the fuel pump relay from the engine room relay block.
(b) Measure the resistance of the fuel pump relay.
Standard resistance:





(c) Reinstall the fuel pump relay.

NG -- REPLACE FUEL PUMP RELAY
OK -- Continue to next step.

7. INSPECT FUEL PUMP
(a) Check the fuel pump operation Fuel Pump.

NG -- REPLACE FUEL PUMP
OK -- Continue to next step.

8. CHECK HARNESS AND CONNECTOR (FUEL PUMP - FUEL PUMP RELAY, FUEL PUMP - BODY GROUND)




(a) Check the harness and connector between the fuel pump and fuel pump relay.
(1) Disconnect the F14 fuel pump connector.
(2) Remove the fuel pump relay from the engine room R/B.
(3) Measure the resistance between the wire harness side connectors.
Standard resistance (Check for open):





Standard resistance (Check for short):





(b) Check the harness and connector between the fuel pump and body ground.
(1) Disconnect the F14 fuel pump connector.
(2) Measure the resistance between the wire harness side connector and body ground.
Standard resistance (Check for open):





NG -- REPAIR OR REPLACE HARNESS OR CONNECTOR
OK -- Continue to next step.

9. CHECK HARNESS AND CONNECTOR (CIRCUIT OPENING RELAY - FUEL PUMP RELAY)




(a) Remove the circuit opening relay (C/OPN) from the engine room R/B.
(b) Remove the fuel pump relay from the engine room R/B.
(c) Measure the resistance between the wire harness side connectors.
Standard resistance (Check for open):





Standard resistance (Check for short):





(d) Reinstall the circuit opening relay.
(e) Reinstall the fuel pump relay.

NG -- REPAIR OR REPLACE HARNESS OR CONNECTOR
OK -- CHECK AND REPAIR HARNESS OR CONNECTOR (EFI RELAY - CIRCUIT OPENING RELAY)
10. INSPECT FUEL PUMP RELAY




(a) Remove the fuel pump relay from the engine room relay block.
(b) Measure the resistance of the fuel pump relay.
Standard resistance:





(c) Reinstall the fuel pump relay.

NG -- REPLACE FUEL PUMP RELAY
OK -- Continue to next step.

11. INSPECT FUEL PUMP RESISTOR (RESISTANCE)




(a) Inspect the fuel pump resistor resistance.
(1) Measure the resistance of the terminals.
Standard resistance:
0.70 to 0.76 Ohms at 20°C (68°F)

NG -- REPLACE FUEL PUMP RESISTOR
OK -- Continue to next step.

12. CHECK HARNESS AND CONNECTOR (FUEL PUMP RELAY - FUEL PUMP RESISTOR, FUEL PUMP RESISTOR - FUEL PUMP)




(a) Check the harness and connector between the fuel pump relay and fuel pump resistor.
(1) Remove the fuel pump relay from the engine room R/B.
(2) Disconnect the F8 fuel pump resistor connector.
(3) Check the resistance between the wire harness side connectors.
Standard resistance (Check for open):





Standard resistance (Check for short):





(4) Reinstall the fuel pump relay.
(5) Reconnect the fuel pump resistor connector.
(b) Check the harness and connector between the fuel pump resistor and fuel pump.
(1) Disconnect the F8 fuel pump resistor connector.
(2) Disconnect the F14 fuel pump connector.
(3) Check the resistance between the wire harness side connectors.
Standard resistance (Check for open):





Standard resistance (Check for short):





(c) Reconnect the fuel pump resistor connector.
(d) Reconnect the fuel pump connector.
OK -- PROCEED TO NEXT CIRCUIT INSPECTION SHOWN IN PROBLEM SYMPTOMS TABLE

NG -- REPAIR OR REPLACE HARNESS OR CONNECTOR