Operation CHARM: Car repair manuals for everyone.
Manuals through 2025 now available!

Our trusted friends have launched a new website named LEMON, which has newer manuals. It also contains all the CHARM manuals.

LEMON is the spiritual successor to CHARM, I recommend you try it!

Link: lemon-manuals.la or lemon-manuals.org.ua

(Some people have issue connecting. LEMON is investigating. For now, use Firefox or change your DNS server)

Or, hide this message: temporarily or permanently

IACV Control Circuit








2UZ-FE ENGINE CONTROL SYSTEM: SFI SYSTEM: IACV Control Circuit

IACV Control Circuit

DESCRIPTION

This circuit opens and closes the Intake Air Control Valve (IACV) in response to the engine load in order to increase the intake efficiency (ACIS: Acoustic Control Induction System).
When the engine speed is 4700 rpm or more and the throttle valve opening angle is 60° or more, the IACV is open (VSV: OFF). At all other times, the IACV is closed (VSV: ON).





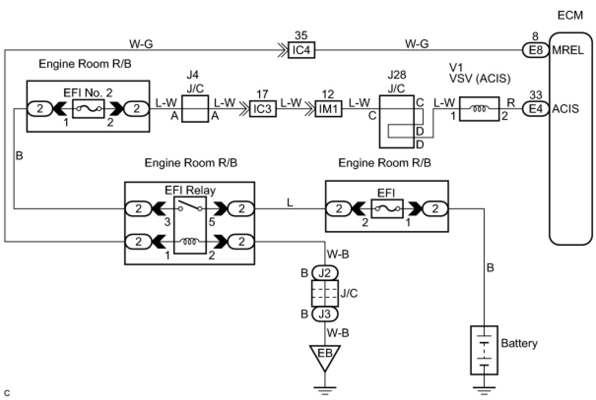
WIRING DIAGRAM





INSPECTION PROCEDURE

PROCEDURE

1. PERFORM ACTIVE TEST USING TECHSTREAM (VACUUM SWITCHING VALVE)




(a) Disconnect the vacuum hose from port F on the vacuum switching valve (for ACIS).
(b) Connect the Techstream to the DLC3.
(c) Start the engine.
(d) Enter the following menus: Powertrain / Engine and ECT / Active Test / Active the VSV for Intake Control. Operate the ACIS VSV.
(e) Check the VSV air flow when switching the VSV.
OK:





NG -- INSPECT VACUUM SWITCHING VALVE (OPERATION)
OK -- Continue to next step.

2. CHECK VACUUM HOSES (INTAKE MANIFOLD - VACUUM SWITCHING VALVE, VACUUM SWITCHING VALVE - INTAKE AIR CONTROL VALVE)
(a) Check the condition of the vacuum hoses between the intake manifold, vacuum switching valve (for ACIS) and IACV.
(1) The vacuum hoses are connected securely.
(2) The vacuum hoses are not cracked or damaged.
OK:
The vacuum hoses are connected securely and not cracked or damaged.

NG -- REPAIR OR REPLACE VACUUM HOSES
OK -- Continue to next step.

3. INSPECT INTAKE AIR CONTROL VALVE
(a) Inspect the intake air control valve Inspection.

NG -- REPLACE INTAKE AIR CONTROL VALVE
OK -- REPLACE ECM
4. INSPECT VACUUM SWITCHING VALVE (OPERATION)




(a) Check that air flows from port E to the air filter.
(b) Apply positive (+) battery voltage across the terminals.
(c) Check that air flows from port E to port F.

NG -- REPLACE VACUUM SWITCHING VALVE
OK -- Continue to next step.

5. CHECK HARNESS AND CONNECTOR (VACUUM SWITCHING VALVE - ECM, VACUUM SWITCHING VALVE - EFI NO. 2 FUSE)




(a) Check the wire harness between the VSV for ACIS and connect the ECM connector.
(1) Disconnect the V1 VSV for ACIS connector.
(2) Disconnect the E6 and E4 ECM connector.
(3) Measure the resistance between the wire harness side connectors.
Standard resistance (Check for open):





Standard resistance (Check for short):





(b) Check the wire harness between the VSV for ACIS connector and the EFI relay.
(1) Disconnect the V1 VSV for ACIS connector.
(2) Remove the EFI relay from the engine room relay block.
(3) Measure the resistance between the wire harness side connectors.
Standard resistance (Check for open):





NG -- REPAIR OR REPLACE HARNESS OR CONNECTOR
OK -- REPLACE ECM