Operation CHARM: Car repair manuals for everyone.
Manuals through 2025 now available!

Our trusted friends have launched a new website named LEMON, which has newer manuals. It also contains all the CHARM manuals.

LEMON is the spiritual successor to CHARM, I recommend you try it!

Link: lemon-manuals.la or lemon-manuals.org.ua

(Some people have issue connecting. LEMON is investigating. For now, use Firefox or change your DNS server)

Or, hide this message: temporarily or permanently

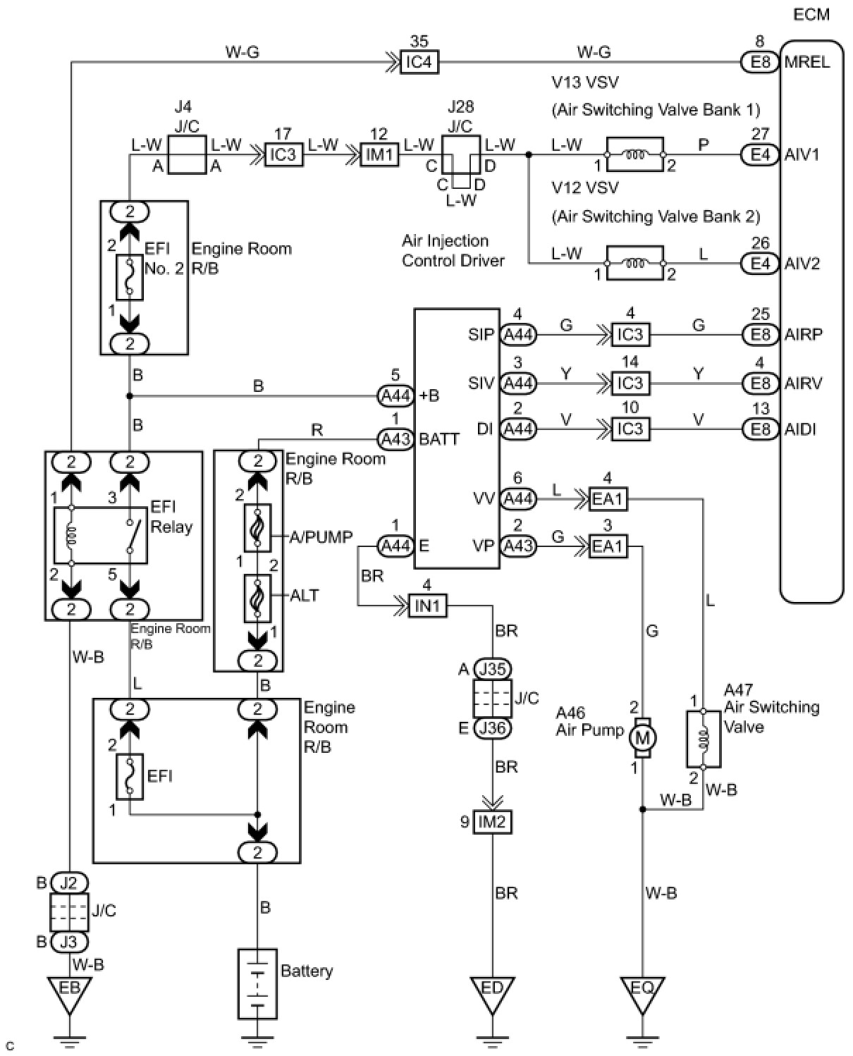
VC Output Circuit








2UZ-FE ENGINE CONTROL SYSTEM: SFI SYSTEM: VC Output Circuit

VC Output Circuit

DESCRIPTION

The ECM constantly generates 5 V power from the battery voltage supplied to the +B (BATT) terminal to operate the microprocessor. The ECM also provides this power to the sensors through the VC output circuit.





When the VC circuit is short-circuited, the microprocessor in the ECM and sensors that are supplied power through the VC circuit are deactivated because the power is not supplied from the VC circuit. Under this condition, the system does not start up and the MIL does not illuminate even if the system malfunctions.

HINT: Under normal conditions, the MIL is illuminated for several seconds when the ignition switch is first turned ON. The MIL goes off when the engine is started.

WIRING DIAGRAM

















INSPECTION PROCEDURE

PROCEDURE

1. CHECK MIL
(a) Check that the Malfunction Indicator Lamp (MIL) lights up when turning the ignition switch ON.
OK:
MIL lights up
OK -- SYSTEM OK

NG -- Continue to next step.

2. CHECK CONNECTION BETWEEN TECHSTREAM AND ECM
(a) Connect the Techstream to the DLC3.
(b) Turn the ignition switch ON and turn the tester ON.
(c) Check the communication between the Techstream and ECM.
Result:





A -- GO TO MIL CIRCUIT
B -- Continue to next step.

3. INSPECT ECM
(a) Turn the ignition switch ON.




(b) Measure the voltage between E4-23 (VC) and E6-1 (E1) of the ECM connectors.
Standard voltage:
Voltage is not 5 V
NEXT -- Continue to next step.

4. CHECK MIL (THROTTLE POSITION SENSOR)
(a) Disconnect the T2 throttle body connector.
(b) Turn the ignition switch ON.
(c) Check the MIL.
Result:





A -- REPLACE THROTTLE BODY
B -- Continue to next step.

5. CHECK MIL (CAMSHAFT POSITION SENSOR)
(a) Disconnect the C1 camshaft position sensor connector.
(b) Turn the ignition switch ON.
(c) Check the MIL.
Result:





A -- REPLACE CAMSHAFT POSITION SENSOR
B -- Continue to next step.

6. CHECK MIL (CANISTER PUMP MODULE)
(a) Remove the spare tire.




(b) Disconnect the L4 canister pump module connector.
(c) Turn the ignition switch ON.
(d) Check the MIL.
Result:





A -- REPLACE CANISTER
B -- Continue to next step.

7. CHECK MIL (PRESSURE SENSOR)
(a) Remove the intake manifold Removal.
(b) Disconnect the A45 pressure sensor connector.
(c) Turn the ignition switch ON.
(d) Check the MIL.
Result:





A -- REPLACE AIR PRESSURE SENSOR
B -- Continue to next step.

8. CHECK HARNESS AND CONNECTOR
(a) Disconnect the T2 throttle body connector.
(b) Disconnect the C1 camshaft position sensor connector.
(c) Disconnect the L4 canister pump module connector.
(d) Disconnect the A45 pressure sensor.




(e) Disconnect the E4 ECM connector.
(f) Measure the resistance of the wire harness side connector.
Standard resistance (check for short):





NG -- REPAIR OR REPLACE HARNESS OR CONNECTOR
OK -- REPLACE ECM