Operation CHARM: Car repair manuals for everyone.
Manuals through 2025 now available!

Our trusted friends have launched a new website named LEMON, which has newer manuals. It also contains all the CHARM manuals.

LEMON is the spiritual successor to CHARM, I recommend you try it!

Link: lemon-manuals.la or lemon-manuals.org.ua

(Some people have issue connecting. LEMON is investigating. For now, use Firefox or change your DNS server)

Or, hide this message: temporarily or permanently

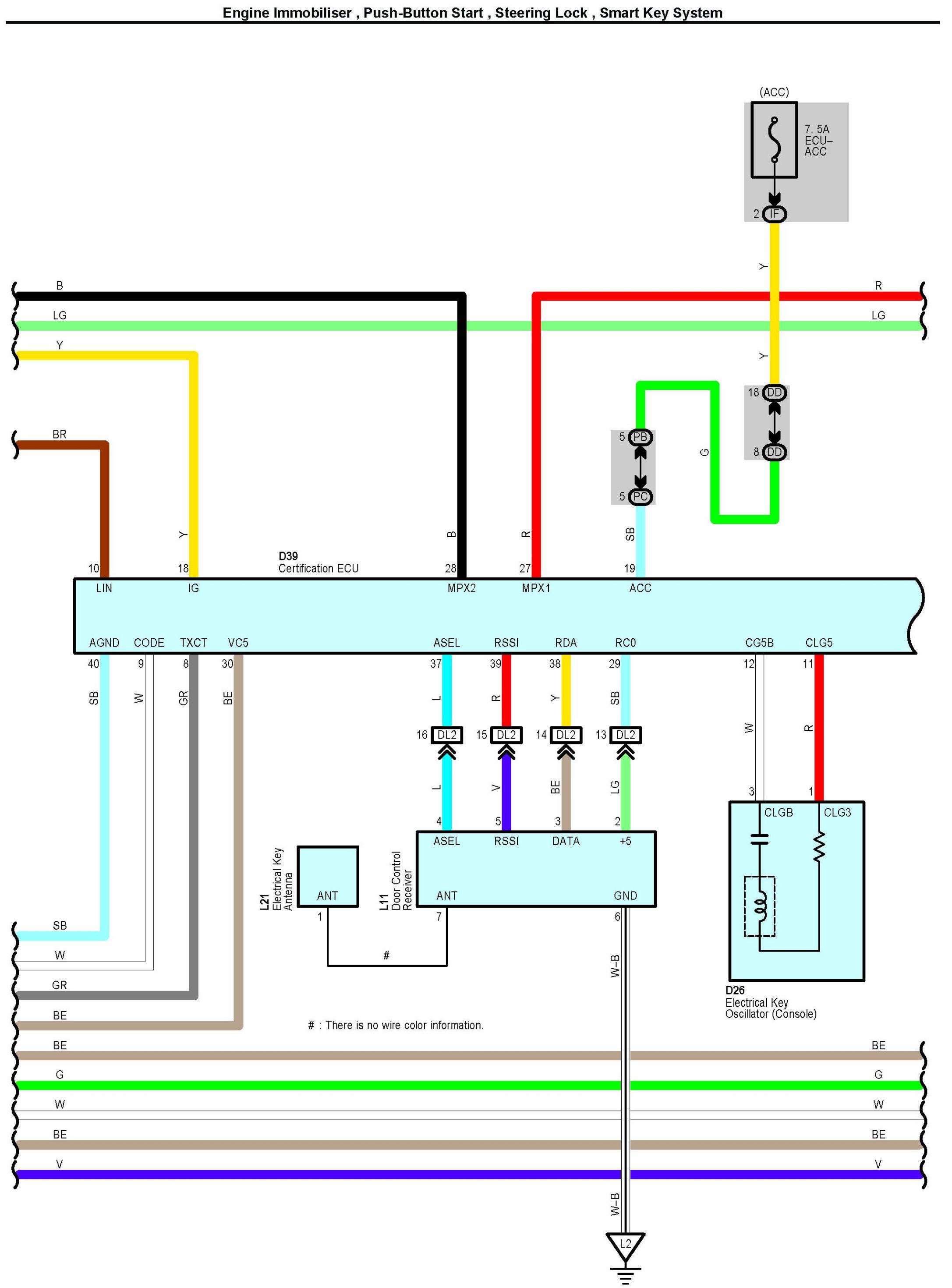
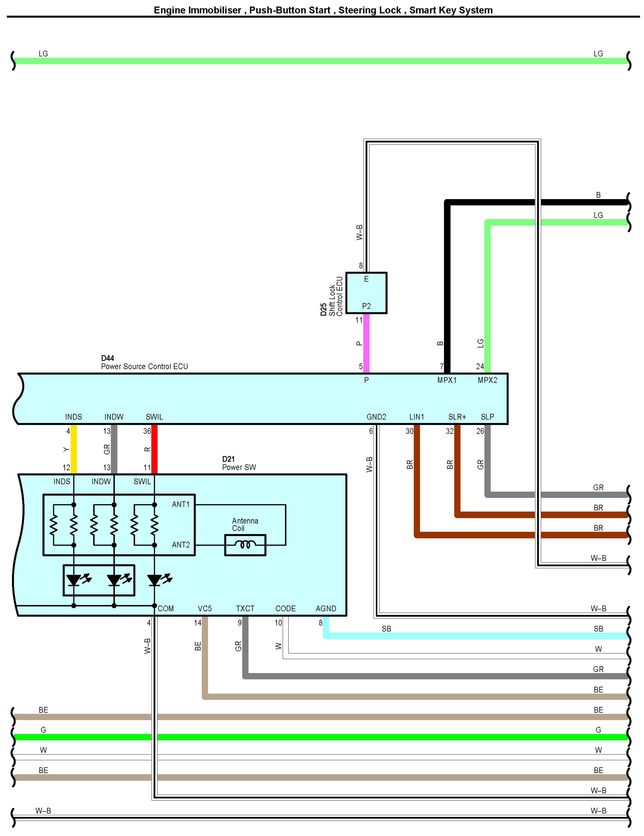
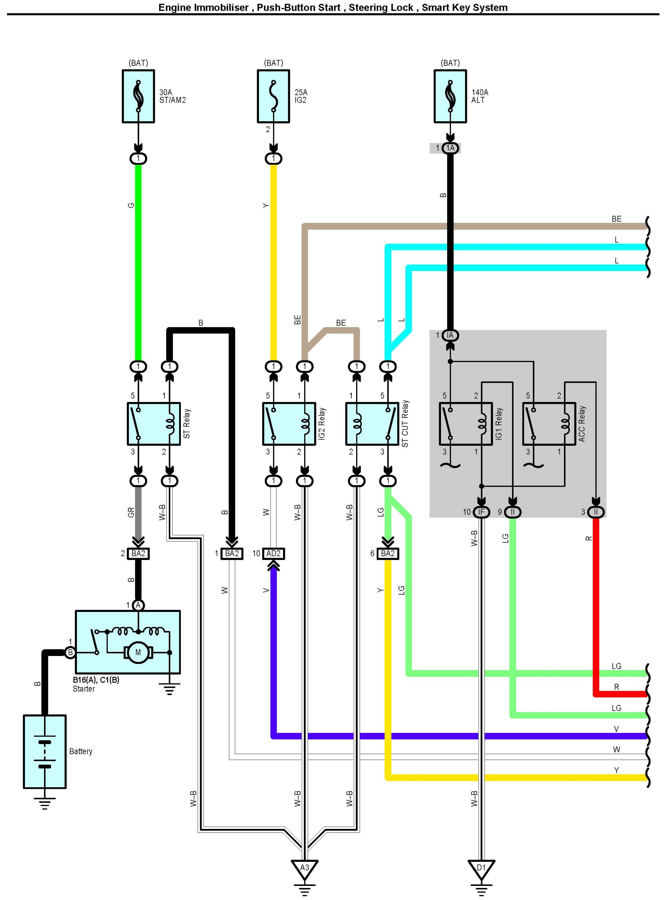
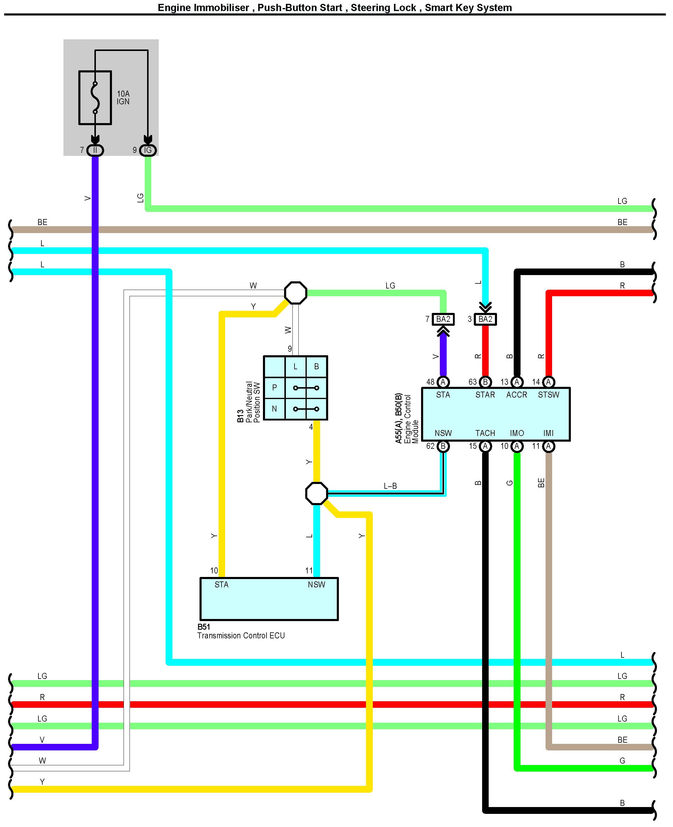
Engine Immobiliser, Push-Button Start, Steering Lock, Smart Key System

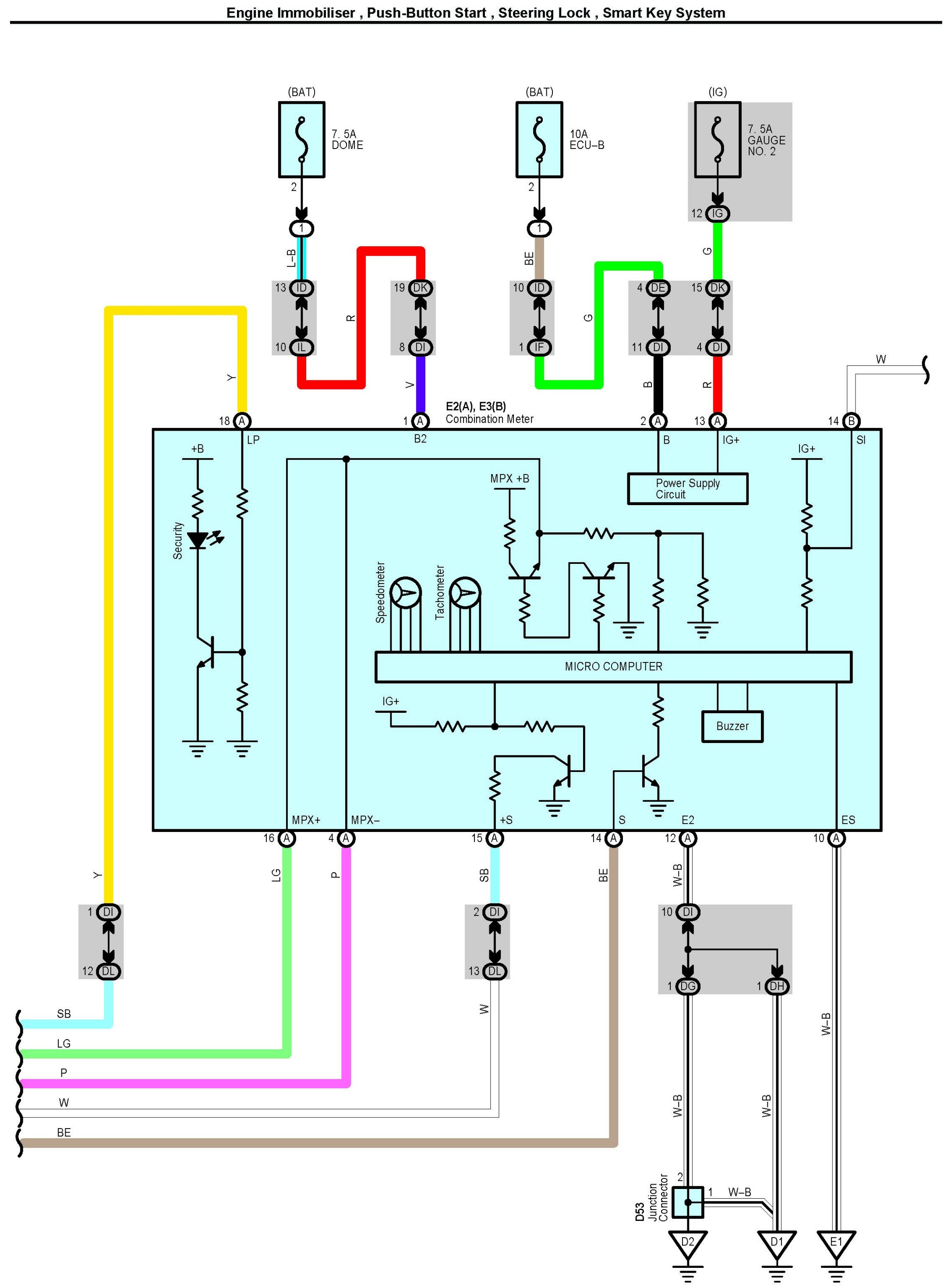
Engine Immobiliser, Push Button Start, Steering Lock, Smart Key System Part 1:




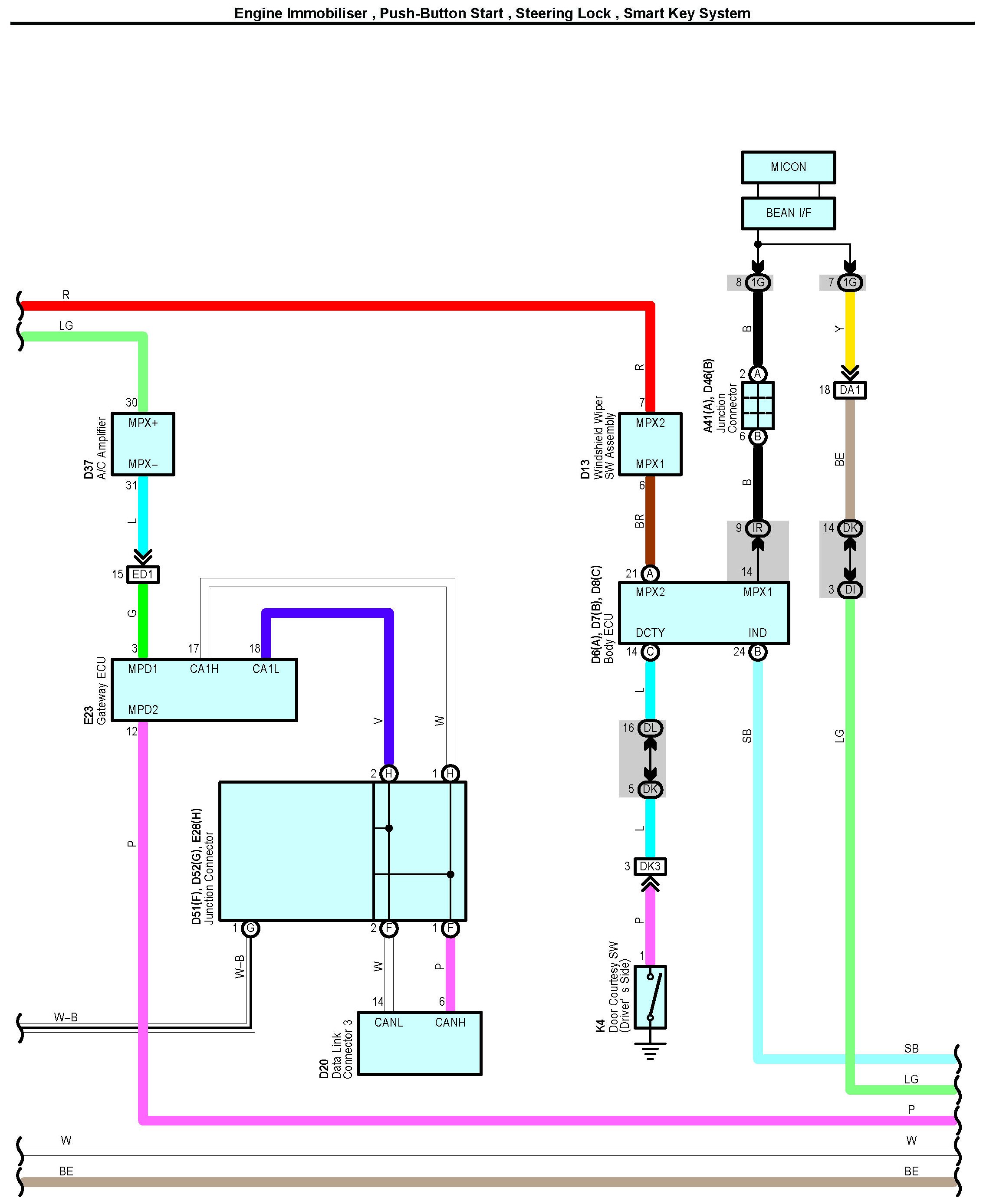
Engine Immobiliser, Push Button Start, Steering Lock, Smart Key System Part 2:




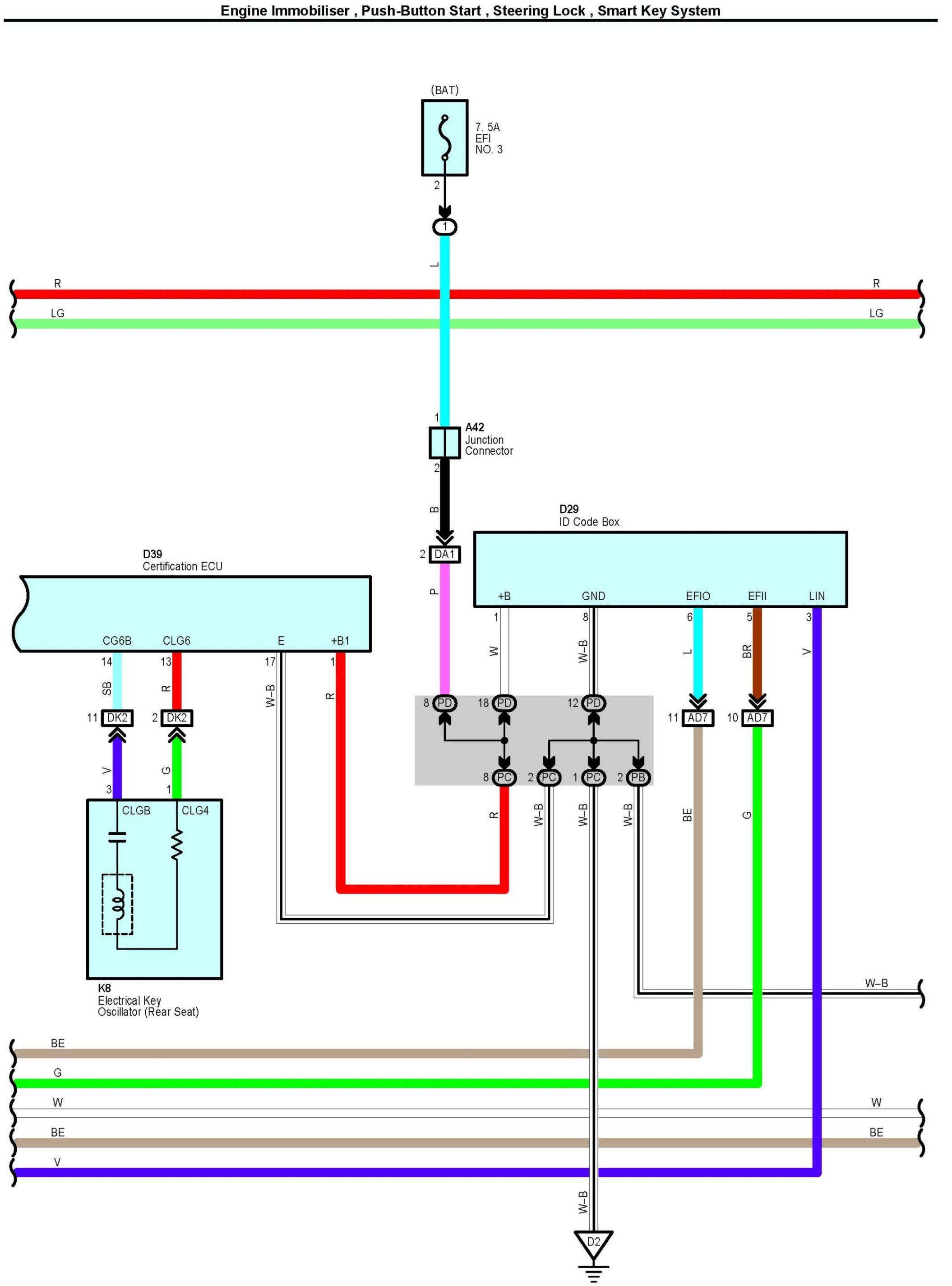
Engine Immobiliser, Push Button Start, Steering Lock, Smart Key System Part 3:




Engine Immobiliser, Push Button Start, Steering Lock, Smart Key System Part 4:




Engine Immobiliser, Push Button Start, Steering Lock, Smart Key System Part 5:




Engine Immobiliser, Push Button Start, Steering Lock, Smart Key System Part 6:




Engine Immobiliser, Push Button Start, Steering Lock, Smart Key System Part 7:




Engine Immobiliser, Push Button Start, Steering Lock, Smart Key System Part 8:




Engine Immobiliser, Push Button Start, Steering Lock, Smart Key System Part 9:




Engine Immobiliser, Push Button Start, Steering Lock, Smart Key System Part 10:




Connectors Part 1:




Connectors Part 2:




Connectors Part 3:




Connectors Part 4:




Connectors Part 5:




Connectors Part 6:






Locations: The locations of components, connectors, ground points, and splices referred to within these diagrams can be found at Vehicle Locations. Locations