Operation CHARM: Car repair manuals for everyone.
Manuals through 2025 now available!

Our trusted friends have launched a new website named LEMON, which has newer manuals. It also contains all the CHARM manuals.

LEMON is the spiritual successor to CHARM, I recommend you try it!

Link: lemon-manuals.la or lemon-manuals.org.ua

(Some people have issue connecting. LEMON is investigating. For now, use Firefox or change your DNS server)

Or, hide this message: temporarily or permanently

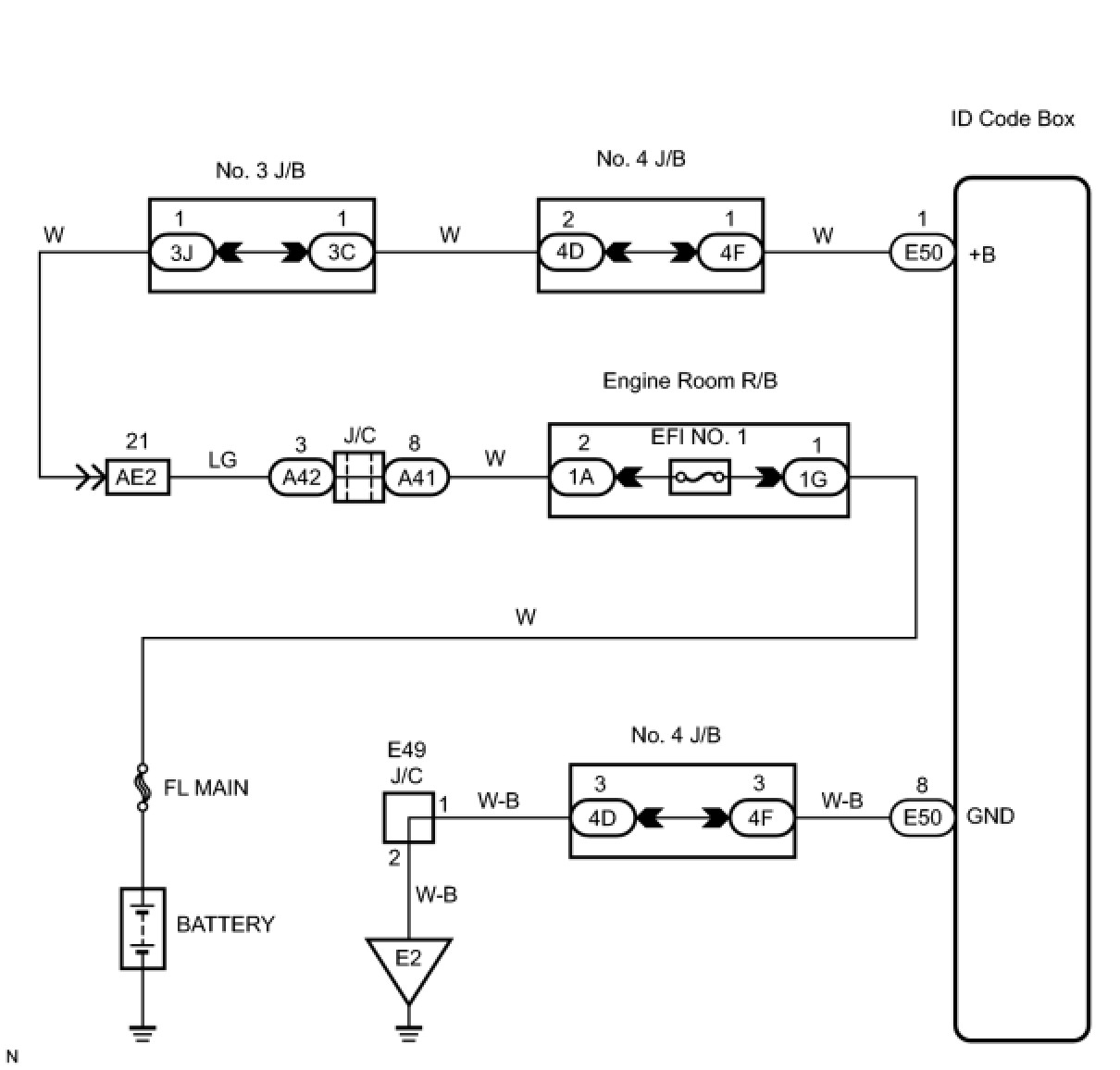
ID Code Box Power Source Circuit








ENGINE IMMOBILISER: ENGINE IMMOBILISER SYSTEM (w/ Smart Key System): ID Code Box Power Source Circuit

ID Code Box Power Source Circuit

DESCRIPTION

This circuit provides power to operate the ID code box.

WIRING DIAGRAM





INSPECTION PROCEDURE
NOTICE: If the ID code box is replaced, register the key and ECU communication ID Engine Immobiliser System (W/ Smart Key System).

PROCEDURE

1. INSPECT FUSE (EFI NO. 1)
(a) Remove the EFI No. 1 fuse from the No. 1 engine room R/B.
(b) Measure the resistance of the fuse.
Standard resistance:
Below 1 Ohms
NG -- REPLACE FUSE
OK -- Continue to next step.
2. CHECK HARNESS AND CONNECTOR (ID CODE BOX - BATTERY)




(a) Disconnect the E50 ID code box connector.
(b) Measure the voltage according to the value(s) in the table below.
Standard voltage:






NG -- REPAIR OR REPLACE HARNESS OR CONNECTOR
OK -- Continue to next step.
3. CHECK HARNESS AND CONNECTOR (ID CODE BOX - BODY GROUND)




(a) Measure the resistance according to the value(s) in the table below.
Standard resistance:






NG -- REPAIR OR REPLACE HARNESS OR CONNECTOR
OK -- PROCEED TO NEXT CIRCUIT INSPECTION SHOWN IN PROBLEM SYMPTOMS TABLE