Operation CHARM: Car repair manuals for everyone.
Manuals through 2025 now available!

Our trusted friends have launched a new website named LEMON, which has newer manuals. It also contains all the CHARM manuals.

LEMON is the spiritual successor to CHARM, I recommend you try it!

Link: lemon-manuals.la or lemon-manuals.org.ua

(Some people have issue connecting. LEMON is investigating. For now, use Firefox or change your DNS server)

Or, hide this message: temporarily or permanently

Fuel Pump Control Circuit








2GR-FE ENGINE CONTROL SYSTEM: SFI SYSTEM: Fuel Pump Control Circuit

Fuel Pump Control Circuit

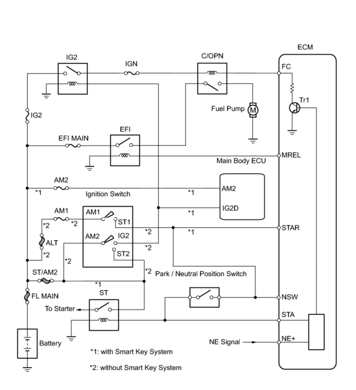
DESCRIPTION

In the diagram below, when the engine is cranked, current flows from terminal ST1 (STR) of the ignition switch (power source control ECU) to the starter relay (Marking: ST) coil and also current flows to terminal STA of ECM (STA signal).
When the STA signal and NE signal are input to the ECM, Tr is turned ON, current flows to coil of the circuit opening relay (Marking: C/OPN), the relay switches on, power is supplied to the fuel pump and the fuel pump operates.
While the NE signal is generated (engine running), the ECM keeps Tr ON (circuit opening relay ON) and the fuel pump also keeps operating.





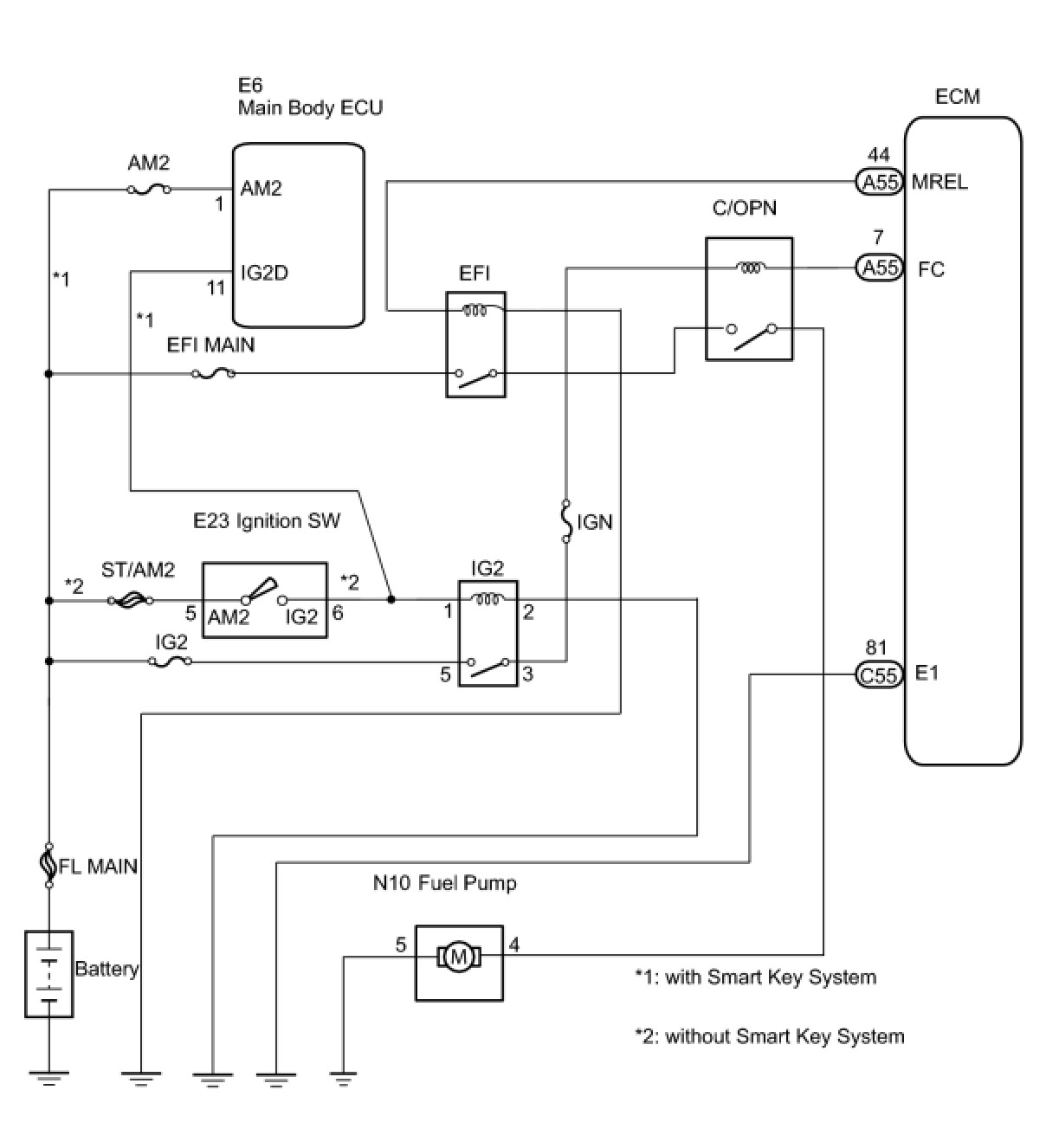
WIRING DIAGRAM





INSPECTION PROCEDURE

PROCEDURE

1. PERFORM ACTIVE TEST USING TECHSTREAM (OPERATE C/OPN RELAY)
(a) Connect the Techstream to the DLC3.
(b) Turn the ignition switch on (IG) and tester on.
(c) Select the following menu items: Powertrain / Engine / Active Test / Control the Fuel Pump / Speed.
(d) Check whether the fuel pump operation sound occurs when performing the Active Test on the tester.
OK:
Fuel pump operating sound occurs.
NG -- CHECK ECM POWER SOURCE CIRCUIT
OK -- PROCEED TO NEXT CIRCUIT INSPECTION SHOWN IN PROBLEM SYMPTOMS TABLE
2. CHECK ECM POWER SOURCE CIRCUIT
NG -- REPAIR OR REPLACE ECM POWER SOURCE CIRCUIT
OK -- Continue to next step.
3. INSPECT ENGINE ROOM JUNCTION BLOCK (C/OPN RELAY)




(a) Remove the engine room junction block from the engine room relay block.
(b) Inspect the C/OPN relay.
(1) Measure the C/OPN relay resistance.
Standard resistance:





(c) Reinstall the integration relay.
NG -- REPLACE ENGINE ROOM JUNCTION BLOCK
OK -- Continue to next step.
4. INSPECT ECM (FC VOLTAGE)




(a) Disconnect the A55 and C55 ECM connectors.
(b) Measure the voltage between the terminals of the A55 and C55 ECM connectors.
Standard voltage:





(c) Reconnect the ECM connectors.
NG -- REPAIR OR REPLACE HARNESS OR CONNECTOR (ECM - BATTERY)
OK -- Continue to next step.
5. INSPECT FUEL PUMP
(a) Inspect the fuel pump Fuel Pump.
NG -- REPLACE FUEL PUMP
OK -- Continue to next step.
6. CHECK HARNESS AND CONNECTOR (C/OPN RELAY - FUEL PUMP - BODY GROUND)




(a) Check the harness and the connectors between the engine room relay block and the fuel pump.
(1) Disconnect the engine room junction block connector.
(2) Disconnect the N10 fuel pump connector.
(3) Measure the resistance.
Standard resistance (Check for open):






Standard resistance (Check for short):





(b) Check the harness and the connectors between the fuel pump and body ground.
(1) Disconnect the N10 fuel pump connector.
(2) Measure the resistance.
Standard resistance (Check for open):





(c) Reconnect the engine room junction block connector.
(d) Reconnect the fuel pump connector.
NG -- REPAIR OR REPLACE HARNESS OR CONNECTOR
OK -- REPLACE ECM