Operation CHARM: Car repair manuals for everyone.
Manuals through 2025 now available!

Our trusted friends have launched a new website named LEMON, which has newer manuals. It also contains all the CHARM manuals.

LEMON is the spiritual successor to CHARM, I recommend you try it!

Link: lemon-manuals.la or lemon-manuals.org.ua

(Some people have issue connecting. LEMON is investigating. For now, use Firefox or change your DNS server)

Or, hide this message: temporarily or permanently

Installation








HEATING / AIR CONDITIONING: COMPRESSOR (for 2AZ-FE): INSTALLATION

INSTALLATION

1. ADJUST COMPRESSOR OIL LEVEL





(a) When replacing the cooler compressor assembly with a new one, gradually discharge the inert gas (helium) from the service valve, and drain the following amount of oil from the vents indicated by the arrows in the illustration before installation.
HINT: The drain bolt and washer can be reused.

Standard:
(Oil capacity inside the new compressor: 90 + 15 cc (3 + 0.51 fl.oz.)) - (Remaining oil amount in the removed compressor) = (Oil amount to be removed from the new compressor when replacing)
- If a new compressor is installed without removing some oil remaining in the pipes of the vehicle, the oil amount will be excessive. This prevents heat exchange in the refrigerant cycle and causes refrigeration system failure.
- If the volume of oil remaining in the removed compressor is too small, check for oil leaks.
- Be sure to use ND-OIL 8 or equivalent for compressor oil.

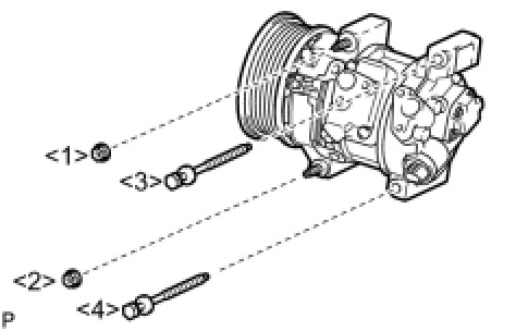
2. INSTALL COMPRESSOR ASSEMBLY WITH PULLEY





(a) Using a "TORX" socket wrench (E8), install the compressor assembly with pulley with the 2 stud bolts.
Torque: 9.8 Nm (100 kgf-cm, 87 in-lbf)





(b) Install the compressor assembly with pulley with the 2 bolts and the 2 nuts.
HINT: Tighten the bolts and the nuts in the order shown in the illustration.

Torque: 25 Nm (255 kgf-cm, 18 ft-lbf)
(c) Connect the connector.
3. CONNECT DISCHARGE HOSE SUB-ASSEMBLY
(a) Remove the attached vinyl tape from the hose.
(b) Apply sufficient compressor oil to a new O-ring and the fitting surface of the compressor assembly with pulley.
Compressor oil:
ND-OIL 8 or equivalent
(c) Install the O-ring onto the discharge hose sub-assembly.





(d) Install the discharge hose sub-assembly onto the compressor assembly with pulley with the bolt.
Torque: 9.8 Nm (100 kgf-cm, 87 in-lbf)
4. CONNECT SUCTION HOSE SUB-ASSEMBLY
(a) Remove the attached vinyl tape from the hose.
(b) Apply sufficient compressor oil to a new O-ring and the fitting surface of the compressor assembly with pulley.
Compressor oil:
ND-OIL 8 or equivalent
(c) Install the O-ring onto the suction hose sub-assembly.





(d) Install the suction hose sub-assembly onto the compressor assembly with pulley with the bolt.
Torque: 9.8 Nm (100 kgf-cm, 87 in-lbf)
5. INSTALL V-RIBBED BELT Installation
6. INSTALL ENGINE UNDER COVER RH
7. CHARGE WITH REFRIGERANT Service and Repair
8. WARM UP ENGINE Service and Repair
9. INSPECT FOR REFRIGERANT LEAK Service and Repair