Operation CHARM: Car repair manuals for everyone.
Manuals through 2025 now available!

Our trusted friends have launched a new website named LEMON, which has newer manuals. It also contains all the CHARM manuals.

LEMON is the spiritual successor to CHARM, I recommend you try it!

Link: lemon-manuals.la or lemon-manuals.org.ua

(Some people have issue connecting. LEMON is investigating. For now, use Firefox or change your DNS server)

Or, hide this message: temporarily or permanently

System Specifications

CYLINDER HEAD SUB-ASSEMBLY





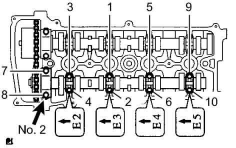
Using several steps, uniformly install and tighten the 10 cylinder head set bolts and plate washers with a 10 mm bi-hexagon wrench in the order shown in the illustration.
Torque 70 Nm (714 kgf-cm, 52 ft-lbf)





Mark the front of the cylinder head bolts with paint.
Further tighten the cylinder head bolts 90° as shown in the illustration.
Check that the paint mark is now at a 90° angle to the front.

SURFACE VARIATION AND BOLT RE-USABILITY













INTAKE MANIFOLD





Install the intake manifold with the 5 bolts and 2 nuts.
Torque 30 Nm (306 kgf-cm, 22 ft-lbf)

CAMSHAFT





Using several steps, uniformly tighten the 10 bearing cap bolts in the sequence shown in the illustration.
No. 1 bearing
Torque 30 Nm (301 kgf-cm, 22 ft-lbf)

No. 3 bearing
Torque 9.0 Nm (92 kgf-cm, 80 in-lbf)

NO. 2 CAMSHAFT





Using several steps, uniformly tighten the 10 bearing cap bolts in the sequence shown in the illustration.

No. 2 bearing
Torque 30 Nm (301 kgf-cm, 22 ft-lbf)

No. 3 bearing
Torque 9.0 Nm (92 kgf-cm, 80 in-lbf)


CAMSHAFT TIMING GEAR OR SPROCKET
Torque 54 Nm (551 kgf-cm, 40 ft-lbf)

CAMSHAFT TIMING GEAR ASSEMBLY
Torque 54 Nm (551 kgf-cm, 40 ft-lbf)

EXHAUST MANIFOLD CONVERTER SUB-ASSEMBLY

Install the exhaust manifold converter sub-assembly with the 5 nuts in the order shown in the illustration.
Torque 37 Nm (377 kgf-cm, 27 ft-lbf)