Operation CHARM: Car repair manuals for everyone.
Manuals through 2025 now available!

Our trusted friends have launched a new website named LEMON, which has newer manuals. It also contains all the CHARM manuals.

LEMON is the spiritual successor to CHARM, I recommend you try it!

Link: lemon-manuals.la or lemon-manuals.org.ua

(Some people have issue connecting. LEMON is investigating. For now, use Firefox or change your DNS server)

Or, hide this message: temporarily or permanently

Removal








POWER ASSIST SYSTEMS: POWER STEERING ECU (for 2AZ-FE): REMOVAL

REMOVAL

1. PRECAUTION
HINT: Upper Instrument Panel.

2. PLACE FRONT WHEELS FACING STRAIGHT AHEAD
3. REMOVE UPPER INSTRUMENT PANEL SUB-ASSEMBLY
HINT: Removal.

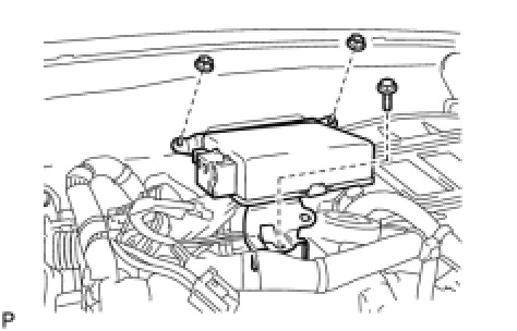
4. REMOVE POWER STEERING ECU ASSEMBLY





(a) Separate the wire harness clamp from the power steering ECU assembly.
(b) Disconnect the connector from the power steering ECU assembly.
HINT: As shown in the illustration, pull out the lock of the lock lever and turn the lock lever to disconnect the connector.





(c) Disconnect the 3 connectors from the power steering ECU assembly.





(d) Remove the bolt, 2 nuts, and the power steering ECU assembly.