Operation CHARM: Car repair manuals for everyone.
Manuals through 2025 now available!

Our trusted friends have launched a new website named LEMON, which has newer manuals. It also contains all the CHARM manuals.

LEMON is the spiritual successor to CHARM, I recommend you try it!

Link: lemon-manuals.la or lemon-manuals.org.ua

(Some people have issue connecting. LEMON is investigating. For now, use Firefox or change your DNS server)

Or, hide this message: temporarily or permanently

Room Oscillator Does Not Recognize Key








THEFT DETERRENT / KEYLESS ENTRY: SMART KEY SYSTEM (for Entry Function): Room Oscillator does not Recognize Key

Room Oscillator does not Recognize Key

DESCRIPTION

If the room oscillator does not recognize the key, one of the following may be the cause: 1) communication between the indoor electrical key antenna (for Front) and electrical key transmitter cannot be performed; or 2) communication between the indoor electrical key antenna (for Rear 1) and electrical key transmitter cannot be performed; or 3) communication between the indoor electrical key antenna (for Rear 2) and electrical key transmitter cannot be performed.

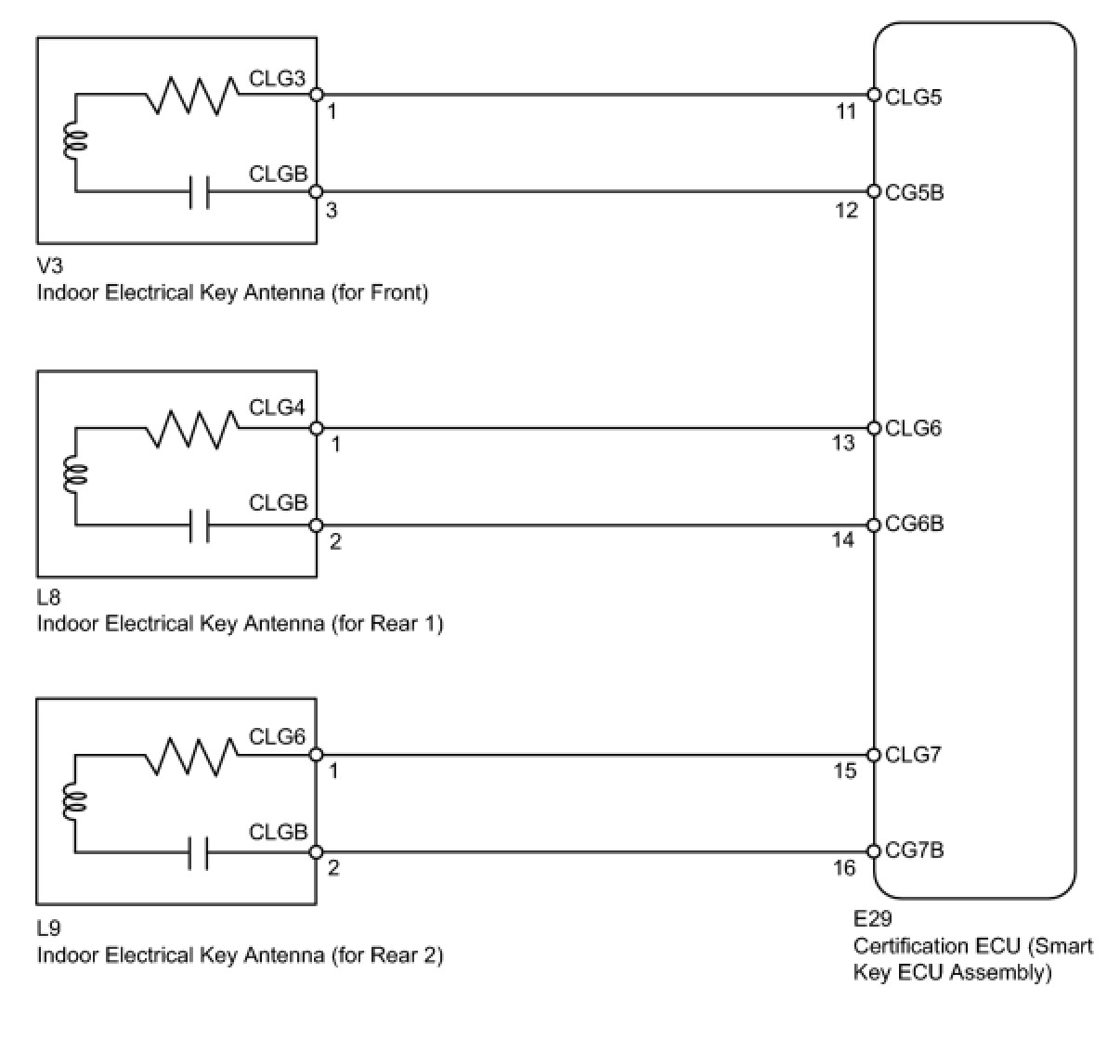
WIRING DIAGRAM





INSPECTION PROCEDURE
NOTICE:
- Before performing the inspection, check that there are no problems related to the "CAN Communication System" and "LIN Communication System".
- When using the Techstream with the engine switch off to troubleshoot: Connect the Techstream to the vehicle, and turn a courtesy light switch on and off at 1.5 second intervals until communication between the Techstream and vehicle begins.

PROCEDURE

1. CHECK SMART KEY SYSTEM (ENTRY FUNCTION)
(a) Check that the entry lock and unlock function can be operated at each door Operation Check.

NG -- Go to DTC OF OTHER COMPONENTS (PROCEED TO PROBLEM SYMPTOM FLOWCHART FOR EACH DOOR)
OK -- Continue to next step.

2. CHECK SMART KEY SYSTEM (START FUNCTION)




(a) Remove the battery of the electrical key transmitter Service and Repair.
(b) With the brake pedal depressed, touch the TOYOTA mark of the key to the engine switch.
(c) When operating the engine switch, check whether the power source mode changes.
OK:
Power source mode changes.
HINT:
- When the electrical key transmitter cannot be verified even though it is in the operating range of the start function, the engine start check can be performed by removing the transmitter battery from the electrical key transmitter and holding the transmitter against the engine switch.
- When performing the check, if the power source mode changes, there is a problem with key certification inside the cabin.

NG -- Go to SMART KEY SYSTEM (Power Source Mode does not Change)
OK -- Continue to next step.

3. CHECK WAVE ENVIRONMENT
(a) Install the battery to the electrical key transmitter Service and Repair.
(b) Bring the electrical key transmitter near the indoor electrical key antenna (in center console), and perform an engine control system start check.
NOTE: If the key is brought within 0.2 m (0.656 ft.) of the center console, communication is not possible.

OK:
Engine starts.
(c) Bring the electrical key transmitter near the indoor electrical key antenna (in rear No. 1 seat cushion), and perform an engine control system start check.
NOTE: If the key is brought within 0.2 m (0.656 ft.) of the rear No. 1 seat cushion, communication is not possible.

OK:
Engine starts.
(d) Bring the electrical key transmitter near the indoor electrical key antenna (in rear No. 2 seat cushion), and perform an engine control system start check.
NOTE: If the key is brought within 0.2 m (0.656 ft.) of the rear No. 2 seat cushion, communication is not possible.
HINT:
- When the electrical key transmitter is brought near the indoor electrical key antenna, the possibility of wave interference decreases, and it can be determined if wave interference is causing the problem symptom.
- If the inspection result is that the operation check is normal, the possibility of wave interference is high. Also, added vehicle components may cause wave interference, If installed, remove them and perform the operation check.

OK:
Engine starts.

NG -- KEY DIAGNOSTIC MODE
OK -- AFFECTED BY WAVE INTERFERENCE
4. KEY DIAGNOSTIC MODE




(a) Diagnostic mode inspection (indoor electrical key antenna [for Front]).
(1) Connect the Techstream to the DLC3.
(2) Turn the engine switch on (IG).
(3) Turn the Techstream on.
(4) Enter the following menus: Body Electrical / Smart Key / Smart Communication Check / Overhead + Front Room.
(5) When the electrical key transmitter is placed on the driver seat or front passenger seat cushion, check that the wireless door lock buzzer sounds.




(b) Diagnostic mode inspection (indoor electrical key antenna [for Rear 1]).
(1) Connect the Techstream to the DLC3.
(2) Turn the engine switch on (IG).
(3) Turn the Techstream on.
(4) Enter the following menus: Body Electrical / Smart Key / Smart Communication Check / Overhead + Rear Room.
(5) When the electrical key transmitter is placed on the rear seat cushion, check that the wireless door lock buzzer sounds.




(c) Diagnostic mode inspection (indoor electrical key antenna [for Rear 2]).
(1) Connect the Techstream to the DLC3.
(2) Turn the engine switch on (IG).
(3) Turn the Techstream on.
(4) Enter the following menus: Body Electrical / Smart Key / Smart Communication Check / Overhead + Back Door (inside) Room.
(5) When the electrical key transmitter is placed on the rear seat cushion, check that the wireless door lock buzzer sounds.
HINT:
- If the buzzer sounds, it can be determined that the vehicle interior transmitters are operating normally.
- It is possible to check which indoor electrical key antenna (front, rear 1 or rear 2) is operating by sounding the buzzer.
- If the buzzer does not sound for any indoor electrical key antennas, the certification ECU (smart key ECU assembly) circuit may have a malfunction.

Result





D -- REPLACE CERTIFICATION ECU (SMART KEY ECU ASSEMBLY)
C -- CHECK HARNESS AND CONNECTOR (CERTIFICATION ECU [SMART KEY ECU ASSEMBLY] - INDOOR ELECTRICAL KEY ANTENNA)
B -- CHECK HARNESS AND CONNECTOR (CERTIFICATION ECU [SMART KEY ECU ASSEMBLY] - INDOOR ELECTRICAL KEY ANTENNA)
A -- Continue to next step.

5. CHECK HARNESS AND CONNECTOR (CERTIFICATION ECU [SMART KEY ECU ASSEMBLY] - INDOOR ELECTRICAL KEY ANTENNA)




(a) Disconnect the E29 ECU connector.
(b) Disconnect the V3 antenna connector.
(c) Measure the resistance according to the value(s) in the table below.
Standard Resistance:






NG -- REPAIR OR REPLACE HARNESS OR CONNECTOR
OK -- Continue to next step.

6. CHECK INDOOR ELECTRICAL KEY ANTENNA (for Front Floor)




(a) Measure the voltage according to the value(s) in the table below.
Standard Voltage:






NG -- REPLACE CERTIFICATION ECU (SMART KEY ECU ASSEMBLY)
OK -- REPLACE INDOOR ELECTRICAL KEY ANTENNA (for Front Floor)
7. CHECK HARNESS AND CONNECTOR (CERTIFICATION ECU [SMART KEY ECU ASSEMBLY] - INDOOR ELECTRICAL KEY ANTENNA)




(a) Disconnect the E29 ECU connector.
(b) Disconnect the L8 antenna connector.
(c) Measure the resistance according to the value(s) in the table below.
Standard Resistance:






NG -- REPAIR OR REPLACE HARNESS OR CONNECTOR
OK -- Continue to next step.

8. CHECK INDOOR ELECTRICAL KEY ANTENNA (for Rear 1 Floor)




(a) Measure the voltage according to the value(s) in the table below.
Standard Voltage:






NG -- REPLACE CERTIFICATION ECU (SMART KEY ECU ASSEMBLY)
OK -- REPLACE INDOOR ELECTRICAL KEY ANTENNA (for Rear 1 Floor)
9. CHECK HARNESS AND CONNECTOR (CERTIFICATION ECU [SMART KEY ECU ASSEMBLY] - INDOOR ELECTRICAL KEY ANTENNA)




(a) Disconnect the E29 ECU connector.
(b) Disconnect the L9 antenna connector.
(c) Measure the resistance according to the value(s) in the table below.
Standard Resistance:






NG -- REPAIR OR REPLACE HARNESS OR CONNECTOR
OK -- Continue to next step.

10. CHECK INDOOR ELECTRICAL KEY ANTENNA (for Rear 2 Floor)




(a) Measure the voltage according to the value(s) in the table below.
Standard Voltage:






NG -- REPLACE CERTIFICATION ECU (SMART KEY ECU ASSEMBLY)
OK -- REPLACE INDOOR ELECTRICAL KEY ANTENNA (for Rear 2 Floor)