Operation CHARM: Car repair manuals for everyone.
Manuals through 2025 now available!

Our trusted friends have launched a new website named LEMON, which has newer manuals. It also contains all the CHARM manuals.

LEMON is the spiritual successor to CHARM, I recommend you try it!

Link: lemon-manuals.la or lemon-manuals.org.ua

(Some people have issue connecting. LEMON is investigating. For now, use Firefox or change your DNS server)

Or, hide this message: temporarily or permanently

Power Source Mode Does Not Change








THEFT DETERRENT / KEYLESS ENTRY: SMART KEY SYSTEM (for Start Function): Power Source Mode does not Change

Power Source Mode does not Change

DESCRIPTION

When the certification ECU (smart key ECU assembly) has detected the key inside the cabin before the brake pedal is depressed, the power source mode can be changed in the following order sequentially by pressing the engine switch: off -> on (ACC) -> on (IG) -> off.
When one of the DTCs shown in the illustration below is detected, troubleshoot the DTC(s) by following the troubleshooting procedure relevant to the DTC(s). If the power source mode still cannot be changed normally, despite troubleshooting, one of the following may have occurred:

- The LIN communication line is malfunctioning.
- The certification ECU (smart key ECU assembly) has determined that no key is inside the cabin.
- The engine switch is malfunctioning.
- The main body ECU is malfunctioning.





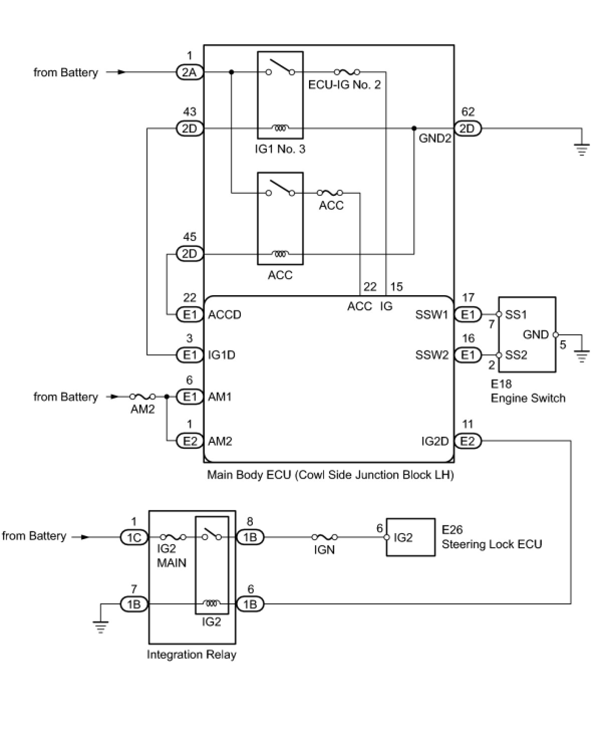
WIRING DIAGRAM





INSPECTION PROCEDURE
HINT: If the vehicle is in key cancel mode, change to normal mode Programming and Relearning.

PROCEDURE

1. CHECK DTC OUTPUT
(a) Check whether DTC is output Smart Key System (for Start Function).

Result





B -- GO TO SMART KEY SYSTEM (FOR START FUNCTION) (DIAGNOSTIC TROUBLE CODE CHART)
A -- Continue to next step.

2. CHECK SMART KEY SYSTEM




(a) Remove the battery of the electrical key transmitter Service and Repair.
(b) With the brake pedal depressed, touch the TOYOTA mark of the key to the engine switch.
(c) When operating the engine switch, check whether the engine switch changes to on (ACC) or on (IG).
HINT:
- When the electrical key transmitter cannot be verified even when it is in the operational area, the engine start check can be performed by removing the transmitter battery from the electrical key transmitter and holding the transmitter against the engine switch.
- When performing the check, if the engine switch turns on (ACC) or on (IG), there is a problem with key certification inside the cabin.

Result





D -- GO TO SMART KEY SYSTEM (FOR ENTRY FUNCTION) (ROOM OSCILLATOR DOES NOT RECOGNIZE KEY)
C -- INSPECT FUSE (AM2)
B -- INSPECT FUSE (AM2)
A -- Continue to next step.

3. INSPECT FUSE (AM2)
(a) Remove the AM2 fuse from the engine room relay block.
(b) Measure the resistance according to the value(s) in the table below.
Standard Resistance:






NG -- REPLACE FUSE
OK -- Continue to next step.

4. CHECK HARNESS AND CONNECTOR (MAIN BODY ECU - BATTERY AND BODY GROUND)




(a) Disconnect the E1, E2, 2A and 2D main body ECU connectors.
(b) Measure the voltage and resistance according to the value(s) in the table below.
Standard Voltage:





Standard Resistance:






NG -- REPAIR OR REPLACE HARNESS OR CONNECTOR
OK -- REPLACE MAIN BODY ECU
5. INSPECT FUSE (AM2)
(a) Remove the AM2 fuse from the engine room relay block.
(b) Measure the resistance according to the value(s) in the table below.
Standard Resistance:






NG -- REPLACE FUSE
OK -- Continue to next step.

6. CHECK HARNESS AND CONNECTOR (MAIN BODY ECU - BATTERY AND BODY GROUND)




(a) Disconnect the E1, E2, 2A and 2D main body ECU connectors.
(b) Measure the voltage and resistance according to the value(s) in the table below.
Standard Voltage:





Standard Resistance:






NG -- REPAIR OR REPLACE HARNESS OR CONNECTOR
OK -- Continue to next step.

7. INSPECT INTEGRATION RELAY (IG2 RELAY)




(a) Remove the integration relay from the engine room relay block.
(b) Measure the resistance according to the value(s) in the table below.
Standard Resistance:






NG -- REPLACE INTEGRATION RELAY (IG2 RELAY)
OK -- Continue to next step.

8. CHECK HARNESS AND CONNECTOR (MAIN BODY ECU - INTEGRATION RELAY (IG2 RELAY))




(a) Disconnect the E2 main body ECU connector.
(b) Disconnect the 1B integration relay connector.
(c) Measure the resistance according to the value(s) in the table below.
Standard Resistance:






NG -- REPAIR OR REPLACE HARNESS OR CONNECTOR
OK -- Continue to next step.

9. INSPECT FUSE (IGN, IG2 MAIN)
(a) Remove the IGN and IG2 MAIN fuses from the engine room relay block.
(b) Measure the resistance according to the value(s) in the table below.
Standard Resistance:






NG -- REPLACE FUSE
OK -- Continue to next step.

10. CHECK HARNESS AND CONNECTOR (INTEGRATION RELAY (IG2 RELAY) - STEERING LOCK ECU AND BATTERY)




(a) Disconnect the E26 steering lock ECU connector.
(b) Disconnect the 1B and 1C integration relay connectors.
(c) Measure the voltage and resistance according to the value(s) in the table below.
Standard Voltage:





Standard Resistance:






NG -- REPAIR OR REPLACE HARNESS OR CONNECTOR
OK -- REPLACE MAIN BODY ECU
11. INSPECT FUSE (AM2)
(a) Remove the AM2 fuse from the engine room relay block.
(b) Measure the resistance according to the value(s) in the table below.
Standard Resistance:






NG -- REPLACE FUSE
OK -- Continue to next step.

12. CHECK HARNESS AND CONNECTOR (MAIN BODY ECU - BATTERY AND BODY GROUND)




(a) Disconnect the E1, E2 and 2D main body ECU connectors.
(b) Measure the voltage and resistance according to the value(s) in the table below.
Standard Voltage:





Standard Resistance:






NG -- REPAIR OR REPLACE HARNESS OR CONNECTOR
OK -- Continue to next step.

13. INSPECT ENGINE SWITCH




(a) Disconnect the E18 engine switch connector.
(b) Measure the resistance according to the value(s) in the table below.
Standard Resistance:






NG -- REPLACE ENGINE SWITCH
OK -- Continue to next step.

14. CHECK HARNESS AND CONNECTOR (ENGINE SWITCH - MAIN BODY ECU AND BODY GROUND)




(a) Disconnect the E1 main body ECU connector.
(b) Disconnect the E18 engine switch connector.
(c) Measure the resistance according to the value(s) in the table below.
Standard Resistance:






NG -- REPAIR OR REPLACE HARNESS OR CONNECTOR
OK -- REPLACE MAIN BODY ECU