Operation CHARM: Car repair manuals for everyone.
Manuals through 2025 now available!

Our trusted friends have launched a new website named LEMON, which has newer manuals. It also contains all the CHARM manuals.

LEMON is the spiritual successor to CHARM, I recommend you try it!

Link: lemon-manuals.la or lemon-manuals.org.ua

(Some people have issue connecting. LEMON is investigating. For now, use Firefox or change your DNS server)

Or, hide this message: temporarily or permanently

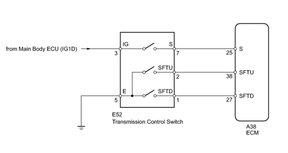
Transmission Control Switch Circuit








AB60F AUTOMATIC TRANSMISSION / TRANSAXLE: AUTOMATIC TRANSMISSION SYSTEM: Transmission Control Switch Circuit

Transmission Control Switch Circuit

DESCRIPTION

When moving the shift lever to S using the transmission control switch, it is possible to switch the shift range between "1" (1st range) and "6" (6th range).
Shifting to "+" once raises the shift range by one, and shifting to "-" lowers the shift range by one.

WIRING DIAGRAM





INSPECTION PROCEDURE

PROCEDURE

1. INSPECT TRANSMISSION CONTROL SWITCH




(a) Disconnect the E52 transmission control switch connector.
(b) Measure the resistance according to the value(s) in the table below.
Standard Resistance:






NG -- REPLACE TRANSMISSION CONTROL SWITCH (LOWER SHIFT LEVER ASSEMBLY)
OK -- Continue to next step.

2. CHECK HARNESS AND CONNECTOR (TRANSMISSION CONTROL SWITCH - BATTERY, BODY GROUND)




(a) Disconnect the E52 transmission control switch connector.
(b) Measure the voltage according to the value(s) in the table below.
Standard Voltage:





(c) Measure the resistance according to the value(s) in the table below.
Standard Resistance:






NG -- REPAIR OR REPLACE HARNESS OR CONNECTOR
OK -- Continue to next step.

3. CHECK HARNESS AND CONNECTOR (TRANSMISSION CONTROL SWITCH - ECM)




(a) Disconnect the A38 ECM connector.
(b) Measure the voltage according to the value(s) in the table below.
Standard Voltage:





(c) Turn the engine switch off.
(d) Measure the resistance according to the value(s) in the table below.
Standard Resistance:






NG -- REPAIR OR REPLACE HARNESS OR CONNECTOR
OK -- PROCEED TO NEXT CIRCUIT INSPECTION SHOWN IN PROBLEM SYMPTOMS TABLE