Operation CHARM: Car repair manuals for everyone.
Manuals through 2025 now available!

Our trusted friends have launched a new website named LEMON, which has newer manuals. It also contains all the CHARM manuals.

LEMON is the spiritual successor to CHARM, I recommend you try it!

Link: lemon-manuals.la or lemon-manuals.org.ua

(Some people have issue connecting. LEMON is investigating. For now, use Firefox or change your DNS server)

Or, hide this message: temporarily or permanently

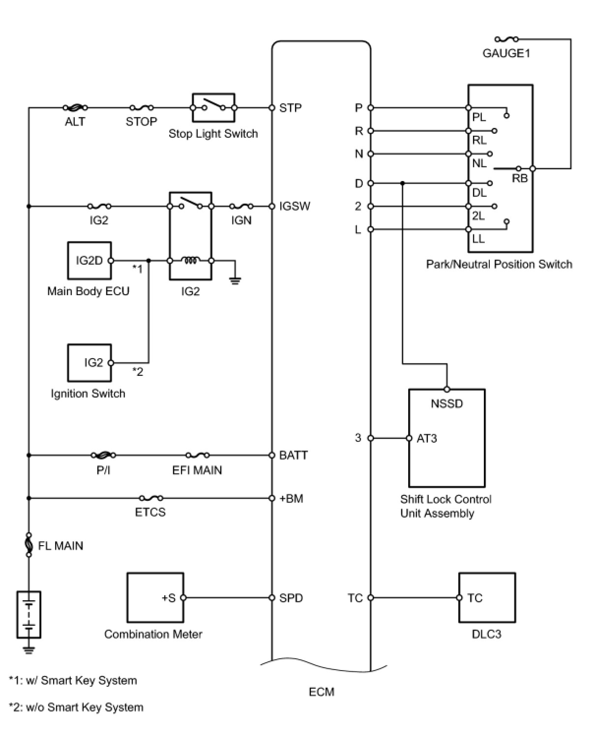
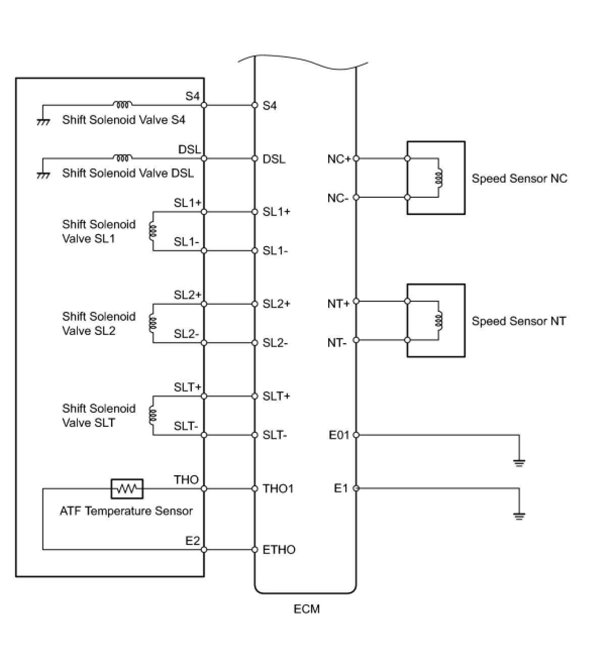
Transmission Control Systems: Description and Operation















U241E AUTOMATIC TRANSAXLE: AUTOMATIC TRANSAXLE SYSTEM: SYSTEM DIAGRAM

SYSTEM DIAGRAM

The configuration of the electronic control system in the U241E automatic transaxle is as shown in the following chart.

















U241E AUTOMATIC TRANSAXLE: AUTOMATIC TRANSAXLE SYSTEM: SYSTEM DESCRIPTION

SYSTEM DESCRIPTION

1. SYSTEM DESCRIPTION
(a) The Electronic Controlled Automatic Transaxle (ECT) is an automatic transaxle that electronically controls shift timing using the Engine Control Module (ECM). The ECM detects electrical signals that indicate engine and driving conditions, and controls the shift point based on driver habits and road conditions. As a result, fuel efficiency and power transaxle performance are improved.
Shift shock is reduced by controlling the engine and transaxle simultaneously.
In addition, the ECT has the following features:
- Diagnostic function.
- Fail-safe function when a malfunction occurs.