Operation CHARM: Car repair manuals for everyone.
Manuals through 2025 now available!

Our trusted friends have launched a new website named LEMON, which has newer manuals. It also contains all the CHARM manuals.

LEMON is the spiritual successor to CHARM, I recommend you try it!

Link: lemon-manuals.la or lemon-manuals.org.ua

(Some people have issue connecting. LEMON is investigating. For now, use Firefox or change your DNS server)

Or, hide this message: temporarily or permanently

Front Wheel Alignment








NOTICE: For Zero Point Calibration information, please refer to: TSB T-SB-0020-8 (3/25/08).

SUSPENSION: FRONT WHEEL ALIGNMENT: ADJUSTMENT

ADJUSTMENT

1. INSPECT TIRES
(a) Inspect the tires Component Tests and General Diagnostics.





2. MEASURE VEHICLE HEIGHT
NOTE: Before inspecting the wheel alignment, adjust the vehicle height to the specification.

(a) Press down on the vehicle several times to stabilize the suspension, and measure the vehicle height.
(b) Measure the front vehicle height.
(1) Measure the distance from the ground to the center of the lower suspension arm front mounting bolt.
(c) Measure the rear vehicle height.
(1) Measure the distance from the ground to the center of the body side No. 2 suspension arm mounting bolt.
Standard vehicle height (unloaded vehicle):





HINT:
- *: w/ 3rd seat.
- If the vehicle height is not as specified, press down on the vehicle several times to stabilize the suspension. Then measure the vehicle height again.





3. INSPECT TOE-IN
Standard toe-in (unloaded vehicle):





If the toe-in is not as specified, adjust it at the rack ends.

4. ADJUST TOE-IN





(a) Remove the boot clips.
(b) Loosen the tie rod end lock nuts.
(c) Turn the right and left rack ends by an equal amount to adjust the toe-in to the center value.





(d) Make sure that the length of the right and left rack ends are approximately the same.
Standard difference:
1.5 mm (0.059 in.) or less
(e) Tighten the tie rod end lock nuts.
Torque: 55.5 Nm (566 kgf-cm, 41 ft-lbf)
(f) Place the boots on the seats and install the clips.
HINT: Make sure that the boots are not twisted.





5. INSPECT WHEEL ANGLE
(a) Turn the steering wheel to the left and right full lock positions, and measure the turning angle.
Standard wheel angle (unloaded vehicle):





- If the angles are not as specified, check and adjust the right and left rack end lengths.





6. INSPECT CAMBER, CASTER AND STEERING AXIS INCLINATION
(a) Install the camber-caster-kingpin gauge or place the front wheels on the center of the wheel alignment tester.
(b) Inspect the camber, caster and steering axis inclination.
Standard camber inclination (unloaded vehicle):






Standard caster inclination (unloaded vehicle):





HINT: *: w/ 3rd seat

Standard steering axis inclination (unloaded vehicle):






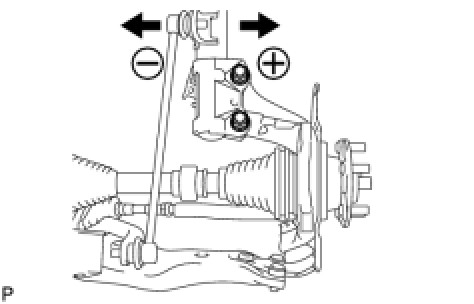
7. ADJUST CAMBER AND CASTER
NOTE: After the camber has been adjusted, inspect the toe-in.

(a) Remove the front wheel.





(b) Remove the 2 nuts on the lower side of the shock absorber.
(c) Coat the threads of the nuts with engine oil.
(d) Temporarily install the 2 nuts.





(e) Adjust the camber by pushing or pulling the lower side of the shock absorber in the direction where the camber adjustment is required.
(f) Tighten the 2 nuts.
Torque: 240 Nm (2,447 kgf-cm, 177 ft-lbf)
(g) Install the front wheel.
Torque: 103 Nm (1,050 kgf-cm, 76 ft-lbf)
(h) Check the camber.
- If the measured value is not within the specified range, calculate the required adjustment amount using the formula below.





If the camber is not within the specification, estimate how much additional camber adjustment will be required and select the camber adjusting bolt using the following table.





(i) Repeat the steps mentioned above. When temporarily installing the 2 nuts, replace 1 or 2 selected bolts.
HINT: Replace 1 bolt at a time when replacing 2 bolts.